русс | укр

Языки программирования

ПаскальСиАссемблерJavaMatlabPhpHtmlJavaScriptCSSC#DelphiТурбо Пролог

Компьютерные сетиСистемное программное обеспечениеИнформационные технологииПрограммирование

Все о программировании


Linux Unix Алгоритмические языки Аналоговые и гибридные вычислительные устройства Архитектура микроконтроллеров Введение в разработку распределенных информационных систем Введение в численные методы Дискретная математика Информационное обслуживание пользователей Информация и моделирование в управлении производством Компьютерная графика Математическое и компьютерное моделирование Моделирование Нейрокомпьютеры Проектирование программ диагностики компьютерных систем и сетей Проектирование системных программ Системы счисления Теория статистики Теория оптимизации Уроки AutoCAD 3D Уроки базы данных Access Уроки Orcad Цифровые автоматы Шпаргалки по компьютеру Шпаргалки по программированию Экспертные системы Элементы теории информации

Непосредственный преобразователь частоты.


Дата добавления: 2015-08-31; просмотров: 4474; Нарушение авторских прав


Схема преобразователя с непосредственной связью представлена на рисунке 9.1. По этой схеме напряжение трехфазной сети и с неизменной час­тотой f1 преобразуется в напряжение од­нофазной сети с переменной частотой f2,т. е. изменяется не только частота, но и число фаз.

 

Рисунок 9.1 – Непосредственный преобразователь частоты

 

От трех­фазной сети можно получить однофазный ток переменной частоты, и, наоборот, от однофазной сети – трехфазный ток. Обычно преобра­зова­тели частоты питаются от трехфазной сети, при этом улучшается форма кривой вторичного напряжения.

Преобразователь с непосредственной связью представляет собой уп­рав­ляемый выпрямитель, имеющий два комплекта тиристоров. Выходное напря­жение формируется за счет последо­вательной коммутации тиристоров, присое­ди­ненных к различным фазам первичной сети. Положительная полуволна фор­мируется за счет тиристоров группы К(катодная группа), а от­рицательная – за счет тиристоров группы А(анодная группа). Форма вторичного напряже­ния представлена на рисунке 9. 2.

 

 

Рисунок 9.2 – Формирование выходного напряжения НПЧ

 

Как и в реверсивных преобразователях постоянного тока, управле­ние тири­сторами катодной и анодной группы может быть совместным и раздельным. При совместном управлении для ограничения уравни­тельных токов необхо­димы реакторы, которые усложняют установку. Поэтому обычно используется раздельное управление, и при переклю­чении с одной группы тиристоров на другую вводится небольшая (при­мерно 0,1 мс) бестоковая пауза. Для регулиро­вания напряжения ис­пользуются те же тиристоры. При увеличении угла регу­лирования соот­ветствующий тиристор включается несколько позже, и среднее напряже­ние снижается. Изменением углов регулирования последовательно включаемых тиристоров может быть обеспечено и формирование кри­вой на­пряжения, в большей степени приближающейся к синусоидальной.



Схема для преобразования трехфазного напряжения сети в трехфаз­ное пе­ременной частоты представлена на рисунке 9. 3. Как видно, сущест­венный недостаток НПЧ – большое число тиристоров (в данном случае 18).

Сфор­мированная кривая напряжения представлена на рисунке 9.3. При актив­но-индуктивной нагрузке, и в частно­сти, при питании электродвигателя, в некотором интервале (при изменении знака напряжения) тиристоры перево­дятся в инверторный режим.

Регулирование частоты в системах с НПЧ может осуществляться только в зоне низких частот. Поскольку кривая вторичного напряже­ния формируется из от­резков синусоид первичного напряжения, то максимальная частота не может быть поднята выше уровня, равного половине частоты питающей сети. При питании преобразова­теля от сети 50 Гц частота может регулиро­ваться только в зоне от 20 Гц до 0.

 

Рисунок 9.3 – Схема НПЧ для преобразования трехфазного напряжения

се­ти в трехфазное переменной частоты

 

 

Рисунок 9.4 – Напряжение на входе и выходе НПЧ


9.2. Преобразователи частоты со звеном постоянного тока.

Более ши­ро­кий диапазон регулирования частоты и соответственно частоты вращения двигателя обеспечивают преобразователем со звеном посто­янного тока, структурная схема которого представлены на рисунке 9.5 и 9.6. Схема содержит два независимых ка­нала управления по частоте и напряже­нию. Вместо управляемого выпрямителя мо­жет использоваться широтно-импульсный преобразователь. Выходное напря­жение может так­же регулироваться за счет изменения угла управления тири­сторами в инверторе. В этом случае существенно усложняется схема управле­ния, однако отпадает необходимость в управляемом выпрямителе, вме­сто ко­торого может быть включен неуправляемый выпрямитель с постоянным на­пряжением.

Автономный инвертор обычно представляет собой инвертор напря­жения. В инверторах для установок средней и большой мощности ис­пользуются как ти­ри­сторы, так и транзи­сторы.

Так как функционирование инвертора на транзисторах проще, то рас­смотрим сначала этот тип инвертора. Схема его в однофазном ис­полнении представлена на рисунке 11.7.

 

 
 

 

 


Рисунок 9.5 – Преобразователь частоты со звеном постоянного тока:

РН, РЧ – регуляторы напряжения и частоты;

УВ – управляемый выпрямитель; Ф – фильтр; И – инвертор

 

 

       
   
 
 
Рисунок 9.6 – Структурная схема преобразователя частоты со звеном постоянного тока

 

 


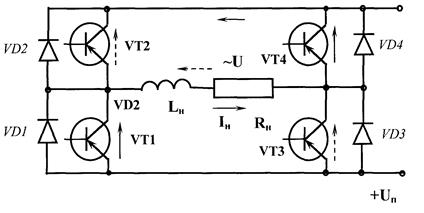
По команде от задающего уст­ройства транзи­сторные ключи VT1, VT4 и VT2, VT3 попарно пооче­редно включаются. При этом на выходе преобразова­теля получаем напряжение прямоугольной формы. При индуктивной нагрузке фор­ма кривой тока имеет вид, представленный на рисунке 9.7. Для пропус­ка запасенной электромагнитной энергии после от­ключения соответ­ствующего тиристора в схеме используются диоды VD1-VD4. Кри­вые токов, протекающих через них, показаны на том же рисунке 9.7.

 

 

 
Рисунок 9.7 – Однофазный инвертор на транзисторах

 

 

а)

 

Рисунок 9.8 –Ток на выходе инвертора

 

Кривая выходного напряжения, естественно, имеет искаженный вид, су­щественно отличающийся от синусоиды. Однако гармонический со­став на­пряжения в преобразователе со звеном постоянного тока значи­тельно лучше, чем в НПЧ. Для формирования трехфазного напряже­ния, естественно, необхо­димо иметь три однофазных инвертора.

На рисунке 9.9 представлена структурная схема преобразователя частоты со звеном повышенной частоты. Управляемый инвертор обеспечивает высокую частоту напряжения. При применении трансформатора для повышения напряжения высокая частота позволяет уменьшить массогабаритные размеры трансформатора.

 

     
   
 
 
Рисунок 9.9 – Структурная схема преобразователя частоты со звеном повышенной частоты

 

 


10. Фильтры и пульсация выпрямляемого напряжения.



<== предыдущая лекция | следующая лекция ==>
Входа и выхода. | Фильтры


Карта сайта Карта сайта укр


Уроки php mysql Программирование

Онлайн система счисления Калькулятор онлайн обычный Инженерный калькулятор онлайн Замена русских букв на английские для вебмастеров Замена русских букв на английские

Аппаратное и программное обеспечение Графика и компьютерная сфера Интегрированная геоинформационная система Интернет Компьютер Комплектующие компьютера Лекции Методы и средства измерений неэлектрических величин Обслуживание компьютерных и периферийных устройств Операционные системы Параллельное программирование Проектирование электронных средств Периферийные устройства Полезные ресурсы для программистов Программы для программистов Статьи для программистов Cтруктура и организация данных


 


Не нашли то, что искали? Google вам в помощь!

 
 

© life-prog.ru При использовании материалов прямая ссылка на сайт обязательна.

Генерация страницы за: 1.454 сек.