русс | укр

Языки программирования

ПаскальСиАссемблерJavaMatlabPhpHtmlJavaScriptCSSC#DelphiТурбо Пролог

Компьютерные сетиСистемное программное обеспечениеИнформационные технологииПрограммирование

Все о программировании


Linux Unix Алгоритмические языки Аналоговые и гибридные вычислительные устройства Архитектура микроконтроллеров Введение в разработку распределенных информационных систем Введение в численные методы Дискретная математика Информационное обслуживание пользователей Информация и моделирование в управлении производством Компьютерная графика Математическое и компьютерное моделирование Моделирование Нейрокомпьютеры Проектирование программ диагностики компьютерных систем и сетей Проектирование системных программ Системы счисления Теория статистики Теория оптимизации Уроки AutoCAD 3D Уроки базы данных Access Уроки Orcad Цифровые автоматы Шпаргалки по компьютеру Шпаргалки по программированию Экспертные системы Элементы теории информации

Входом и выходом


Дата добавления: 2015-08-31; просмотров: 964; Нарушение авторских прав


 

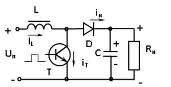
На рисунке 8.2 по­казана простейшая схема DC – DC преобразователя постоянного напряжения понижающего типа. Такое название свя­зано с тем, что в этой схеме напряжение на нагрузке меньше напряжения источника питания, т.е. входного напряжения.

 

 

Рисунок 8.2 – DC – DC преобразователь постоянного напряжения понижающего типа

Важно отметить следующее. Конденсатор С на выходе DC – DC преоб­разователя понижающего типа в функциональном отношении не является абсолютно необходимым, поскольку дроссель L вместе с нагру­зкой Rн уже образуют низкочастотный фильтр. Причем при достаточно большой индук­тивности L пульсации тока через резистор R, мо­гут быть практически све­дены к нулю. Однако, как правило, конденсатор С в схеме используют. Это связано с тем, что при наличии на выходе преобразо­вателя конденсатора даже относительно небольшой емкости можно сущест­венно уменьшить не­обходимое для получения малых пульсаций выходного напряжения значение L, а следовательно, и габариты дросселя.

Схема замещения конвертора при открытом транзисторе приведена на рисунке 8.3 и на рисунке 8.4 – схема замещения конвертора при закрытом транзисторе, гдеrU– внутреннее сопротивление источника питания, rT–сопротивление транзистора, rL– сопротивление индуктивности и rВ – со­противление диода.

Рисунок 8.3 – Схема замещения конвертора при открытом транзисторе

 

 

Рисунок 8.4 – Схема замещения конвертора при закрытом транзисторе

 

Принцип работы DC – DC преобразователя понижающего типа в ре­жиме непрерывного тока при открытом транзисторе ток протекает через (ри­сунок 8.3) все сопротивления и индуктивность, так как ток в индуктивности не может измениться мгновенно, согласно закону коммутации, это ток будет постепенно возрастать, начиная с определенного значения (рисунок 8.5). В момент времени t=T-θ транзистор закроется (рисунок 8.4), тогда энергия, запасенная в индуктивности, будет разрежаться через нагрузку и в нагрузке (рисунок 8.5) будет протекать ток. Непрерывность тока в нагрузке зависит от частоты коммутации транзистора, которая определяется скважностью им­пульса.



(8.1)

Основные диаграммы токов и напряжений DC – DC преобразователя понижающего типа в ре­жиме непрерывного тока показаны на рисунке 8.5. Как видно из рисунка среднее значение выходного напряжения меньше входного, однако ток в нагрузке колеблется вокруг среднего значения и имеет непрерывный характер.

Возможные режимы работы схемы оп­ределяются характером измене­ния тока iL на интервале его уменьшения. В конце интервала ток iL может быть или положительным и равным 1а, или равным нулю. В первом случае к началу следующего периода работы в дросселе остается некоторая энергия, а во втором - эта энергия равна нулю. Отсюда определяются и сами ре­жимы работы.

Режим непрерывного тока, когда ток через дроссель отличен от нуля в течение всего цикла переключения.

Режим II. Внутри цикла переключения имеется интервал времени, ко­гда ток через дроссель равен нулю (режим прерывистого потока).

 

 

 

Рисунок 8.5 – Основные диаграммы токов и напряжений

DC – DC преобразователь понижающего типа в ре­жиме непрерывного тока

 

 

Рисунок 8.6 – Основные диаграммы токов и напряжений

DC – DC преобразователь понижающего типа в ре­жимt прерывистого тока

 

На рисунке 8.2 по­казана простейшая схема DC – DC преобразователя постоянного напряжения понижающего типа. Такое название свя­зано с тем, что в этой схеме напряжение на нагрузке меньше напряжения источника питания, т.е. входного напряжения.

 

 

Рисунок 8.7 – DC – DC преобразователь повышающего типа

 

В схеме DC – DC преобразователь постоянного напряжения повышаю­щего типа выходной конденсатор С принципиально необходим, так как ток через диод D имеет скачки, даже если индуктивность дросселя равна беско­нечности.

 

 

Рисунок 8.8 – Схема замещения конвертора повышающего типа при

закрытом транзисторе

 

 

Рисунок 8.9 – Схема замещения конвертора повышающего типа при

открытом транзисторе

 

 

 

Рисунок 810 – Основные диаграммы токов и напряжений

DC – DC преобразователь повышающего типа в ре­жим непрерывного тока



<== предыдущая лекция | следующая лекция ==>
Конверторы. DC – DC преобразователи | Входа и выхода.


Карта сайта Карта сайта укр


Уроки php mysql Программирование

Онлайн система счисления Калькулятор онлайн обычный Инженерный калькулятор онлайн Замена русских букв на английские для вебмастеров Замена русских букв на английские

Аппаратное и программное обеспечение Графика и компьютерная сфера Интегрированная геоинформационная система Интернет Компьютер Комплектующие компьютера Лекции Методы и средства измерений неэлектрических величин Обслуживание компьютерных и периферийных устройств Операционные системы Параллельное программирование Проектирование электронных средств Периферийные устройства Полезные ресурсы для программистов Программы для программистов Статьи для программистов Cтруктура и организация данных


 


Не нашли то, что искали? Google вам в помощь!

 
 

© life-prog.ru При использовании материалов прямая ссылка на сайт обязательна.

Генерация страницы за: 0.207 сек.