русс | укр

Языки программирования

ПаскальСиАссемблерJavaMatlabPhpHtmlJavaScriptCSSC#DelphiТурбо Пролог

Компьютерные сетиСистемное программное обеспечениеИнформационные технологииПрограммирование

Все о программировании


Linux Unix Алгоритмические языки Аналоговые и гибридные вычислительные устройства Архитектура микроконтроллеров Введение в разработку распределенных информационных систем Введение в численные методы Дискретная математика Информационное обслуживание пользователей Информация и моделирование в управлении производством Компьютерная графика Математическое и компьютерное моделирование Моделирование Нейрокомпьютеры Проектирование программ диагностики компьютерных систем и сетей Проектирование системных программ Системы счисления Теория статистики Теория оптимизации Уроки AutoCAD 3D Уроки базы данных Access Уроки Orcad Цифровые автоматы Шпаргалки по компьютеру Шпаргалки по программированию Экспертные системы Элементы теории информации

Конверторы. DC – DC преобразователи


Дата добавления: 2015-08-31; просмотров: 855; Нарушение авторских прав


В общем случае под DC – DC преобразователем (конвертором) пони­мают устройство, обеспечивающее преобразование напряжение постоянного тока в другое напряжения этого же тока. При этом процесс такого превраще­ния определенными потерями или накоплением энергии внутри DC – DC преобразователя. Имеется много различных типов преобразователей, отли­чающихся между собой не только по функциональным при знакам, но и по стоимости, надежности, сложности и экономичности.

DC – DC преобразователи предназначены для получения постоянного напряжения одного уровня из входного постоянного напряжения другого уровня. DC – DC преобразователи имеют несколько принципиальных осо­бенностей:

гальваническое разделение входа и выхода (гальваническая развязка);

вход и выход гальванически неразделен;

возможность одновременного получения нескольких выходных напря­жений.

Гальваническая развязка в силовой части осуществляется трансформа­тором, который, кроме данной функции - полезной, а часто и необходимой, позволяет легко получить самые различные уровни выходных напряжений. Особенность работы преобразовательной схемы с трансформатором заключа­ется в том, что на транзисторах и диодах не появляются недопустимые на­пряжения, через них не проходят чрезмерные токи, даже если выходное на­пряжение многократно превосходит входное или значительно ниже его.

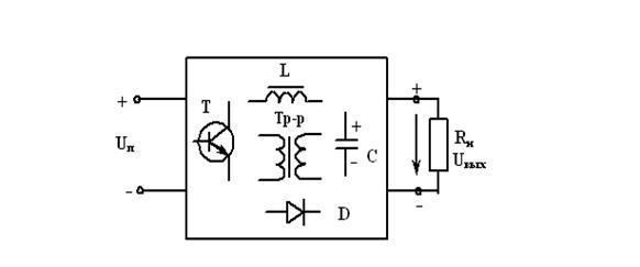
В данной случае рассмотрены DC – DC преобразователи электрической энергии в электрическую, содержащие набор компонентов (рис. 8.1). Топо­логия схемы преобразователя, а следовательно связи, между его компонен­тами определяются характером передачи энергии. Легко видеть, что в ука­занный компонент входят дроссель, конденсатор, трансформатор, транзистор (управляе­мый ключ) и диод. Резистор намеренно исключен, поскольку его наличие привело бы к нежелательным потерям энергии.



В качестве силовых полупроводниковых элементов DC – DC преоб­разо­вателей обычно используются быстродействующие диоды, биполярные и по­левые (МДП-) транзисторы, а также запираемые (по управляющему элек­троду) тиристоры.

 

Рисунок 8.1 – Компоненты DC – DC преобразователей постоянного напря­жения

 



<== предыдущая лекция | следующая лекция ==>
Бесперебойные источники электроэнергии | Входом и выходом


Карта сайта Карта сайта укр


Уроки php mysql Программирование

Онлайн система счисления Калькулятор онлайн обычный Инженерный калькулятор онлайн Замена русских букв на английские для вебмастеров Замена русских букв на английские

Аппаратное и программное обеспечение Графика и компьютерная сфера Интегрированная геоинформационная система Интернет Компьютер Комплектующие компьютера Лекции Методы и средства измерений неэлектрических величин Обслуживание компьютерных и периферийных устройств Операционные системы Параллельное программирование Проектирование электронных средств Периферийные устройства Полезные ресурсы для программистов Программы для программистов Статьи для программистов Cтруктура и организация данных


 


Не нашли то, что искали? Google вам в помощь!

 
 

© life-prog.ru При использовании материалов прямая ссылка на сайт обязательна.

Генерация страницы за: 0.339 сек.