русс | укр

Языки программирования

ПаскальСиАссемблерJavaMatlabPhpHtmlJavaScriptCSSC#DelphiТурбо Пролог

Компьютерные сетиСистемное программное обеспечениеИнформационные технологииПрограммирование

Все о программировании


Linux Unix Алгоритмические языки Аналоговые и гибридные вычислительные устройства Архитектура микроконтроллеров Введение в разработку распределенных информационных систем Введение в численные методы Дискретная математика Информационное обслуживание пользователей Информация и моделирование в управлении производством Компьютерная графика Математическое и компьютерное моделирование Моделирование Нейрокомпьютеры Проектирование программ диагностики компьютерных систем и сетей Проектирование системных программ Системы счисления Теория статистики Теория оптимизации Уроки AutoCAD 3D Уроки базы данных Access Уроки Orcad Цифровые автоматы Шпаргалки по компьютеру Шпаргалки по программированию Экспертные системы Элементы теории информации

Бесперебойные источники электроэнергии


Дата добавления: 2015-08-31; просмотров: 1630; Нарушение авторских прав


 

Некоторые электронные средства должны обеспечиваться элект­ро­энергией без перерыва в течение заданного времени. В зависимости от про­должительности этого вре­мени и требуемой мощности применяются различ­ные агрегаты бесперебойного источники питания (БИП). В зависимости от рода выходного тока различают БИП переменного или постоян­ного тока.

Требования по согласованию БИП с нагрузкой регламентируют пара­метры каче­ства электроэнергии на выходе агрегата. К этим требованиям относятся: значение, нестабильность и пульсации вы­ходного напряжения; диапазон изменения выходного тока; значение и нестабильность частоты вы­ходного тока. Нагрузкой БИП являются ра­диоэлектронные средства, на входе которых устанавли­ваются источники электропитания. В случае сети переменного тока источники в большинстве случаев содержат во входной цепи нере­гулируемый выпрямитель с емкостным фильтром, поэтому форма потребляе­мого ими тока значительно отличается от синусоидальной. Осо­бенность нагрузки требует от БИП сохранения заданного значе­ния коэффи­циента гармоник выходного напряжения для линейной и нелинейной нагру­зок.

Влияние БИП на сеть определяет требования к качеству электро­энер­гии на его входе. Эти требования регламентируют коэффициент мощности на входе БИП и коэффи­циент гармоник потребляемого им тока.

По принятой терминологии различают два класса БИП: "офф­лайн" и "он-лайн". У агрегата "офф-лайн" осуществляется прямая подача электро­энергии сети потребителю в нормальном режиме и подключение генератора синусоидального напряжения при авариях в электросети за время (2...10) мс. У агрегатов "он-лайн" при любых режимах функциони­рования сети электро­энергия поступает на на­грузку от генератора синусоидального на­пряжения со стабильными значениями напряжения, частоты, синусоидальности.



Оба класса БИП содержат инвертор, преобразующий выпрямлен­ное сетевое на­пряжение в синусоидальное выходное. К сетевому выпрямителю подключается аккумуля­торная батарея. Но если в БИП класса "офф-лайн" инвертор подключается только при сниже­нии напряжения сети ниже задан­ного уровня, то в БИП класса "он-лайн" инвертор работает постоянно, благо­даря чему обеспечива­ется гальваническая развязка от сети, за­щита от пере­напряжений и провалов сетевого напряжения, ограничивается утечка ин­формации по цепям электроснабжения.

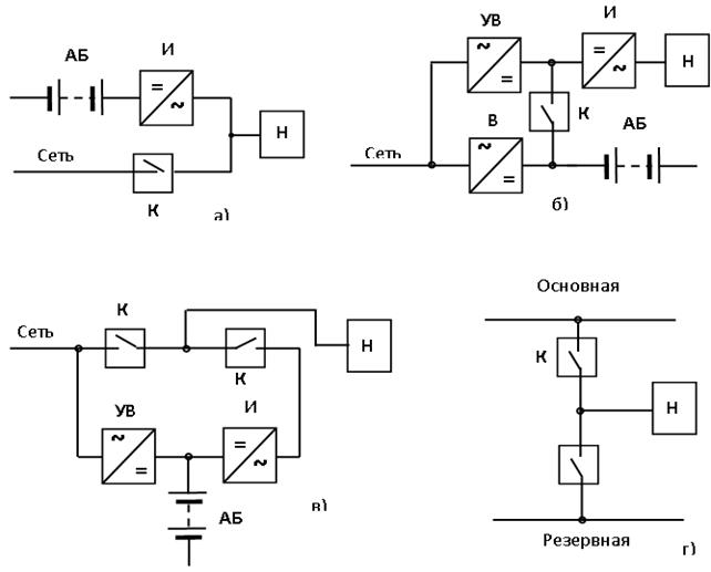
На риc. 7.1 а) показаны структурные схемы БИП переменного токов, где резервная цепь содержит аккумуляторную бата­рею АБ и инвертор И. Если напряжение сети находится в заданных пределах, то на­грузка Н получает элек­троэнергию через коммутатор К от сети переменного тока. Инвертор в данном случае ра­ботает в режиме выпрямителя, подзаря­жая аккумуляторную батарею. При снижении на­пряжения сети ниже задан­ного уровня коммутатор К отключает сеть от нагрузки. По­следняя обеспе­чивается напряжением переменного тока инвертора И, получающего элек­троэнергию от аккумуляторной батареи.

 

 

Рисунок 7.1. Бесперебойные источники питания с выход­ным

на­пряжением переменного тока

 

 

На рисунке 7.1 б) при нормальном электроснабжении на­грузка Н полу­чает электроэнергию от сети через последовательно соеди­ненные управляемый выпря­митель УВ и инвертор И. В этом случае коммутатор К находится в отключенном состоянии и аккумуля­торная батарея АБ подзаряжается от сети через выпря­митель В. При снижении напря­жения сети ниже заданного уровня коммутатор К под­ключает батарею АБ к инвертору И.

В схеме на рисунке 7.1 в) заряд аккумуляторной батареи АБ осуществляется от управляемого выпрямителя УВ. При электро­снабжении на­грузки от сети коммутатор К1 включен, а коммутатор К2 выключен. При переходе на электроснабжение от аккумуля­тор­ной батареи коммутатор К1 выключается, а коммутатор К2 включа­ется.

На рисунке 7.1 г) показана схема БИП с двумя входными сетями: основ­ной и резерв­ной. При нормальном электроснабжении коммутатор К1 вклю­чен, коммутатор К2 вы­ключен и напряжение на нагрузку Н поступает от ос­новной сети. При снижении напря­жения основной сети ниже заданного уровня происходит переключение коммутаторов и соединение нагрузки с резервной сетью.

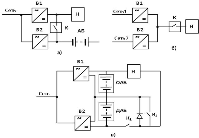
Структурные схемы БИП постоянного тока показаны на риcунке 7.2.

 

 

 

Рисунок 7.2 – Бесперебойные источники питания с выход­ным

на­пряжением постоянного тока

 

В схеме БИП с выходным напряжением постоянного тока при нормаль­ном электроснабжении нагрузка Н отключена от аккумулятор­ной батареи АБ (коммутатор К выключен) и получает электроэнергию от сети через выпрямитель В1. Аккумуляторная батарея в это время подзаря­жается от сети через выпрямитель В2.

При аварийного режиме в сети коммутатор подключает нагрузку к ак­кумулятор­ной батарее. При наличии двух независимых сетей переменного тока (рис.7.2 б) БИП содержит два выпрямителя В1 и В2 и коммутатор К. последний выполняет защитные функции при аварийной ситуации. В составе БИП аккумулятор­ная батарея может выполняться сек­ционированной, т.е. состоящей из ос­новных элементов ОАБ и дополнительных ДАБ (рис. 7.2 в). В нормальном режиме работы основные элементы подзаряжаются от сети через выпрями­тель В1, дополнительные элементы — через выпрямитель В2. При этом комму­татор К1 выключен, а коммутатор К2 включен. Нагрузка попугает электроэнергию от сети через выпрямитель В1. В случае снижения напря­жения сети ниже заданного уровня коммутатор К2 выключается, коммута­тор К1 включается и нагрузка получает последовательно включенных основных и дополнитель­ных элементов.

Время работы БИП после перехода от сети на аккумуляторную батарею суще­ственно зависит от его загрузки. В таблице 7.1 в качестве примера приведена продолжи­тельность работы различных моделей БИП в зависимости от мощности на­грузки.

 

Таблица 7.1 - Типовое время работы БИП после пропаданиесетевого напряжения

 

Мощность наргузки, В А   Время работы, мин.  
- -
- -
- - - -
- - - -
- - - - - -
- - - - - -
- - - - - -

 

 

Таблица 7.2 Основные характеристики химических источников тока

 

  Элементы Номинальное напряжение, В Номинальная емкость, А-ч Габаритные размеры, мм Диапазон рабочих температур, "С Примечание
А336С 1,45 Ø 20,5x59 -40…+60 Марганцево-цинковые
А343С 1,65 2,5 Ø 26,2x50 -50…+60
А373С 1,45 Ø 33,2x61 -30…+40
ЭРМ 1,45 Ø 61x36x150 -40…+60
РЦ53У 1,35 0,18 Ø 15,6x6,8 -40…+50 Ртутно-цинковые
ТХЛ316 Ø 14,5x50,5 -50…+60 Литиевые
CR-2325 2,9 0,18 Ø23x2,5 -20…+50
Аккумуляторы
Д-0,06 1,2 0,06 Ø 15,7x6,6 -20…+45     Никель-кадмиевые герметичные
Д-0,115 Д 1,2 0,115 Ø 20x6,6 -20…+45
Д-0,26C 1,2 0,26 Ø 25,2x9,3 -20…+45
Д-0,56C 1,2 0,55 Ø 34,6x9,8 -20…+45
Д-0,125 Д 1,2 0,125 Ø 20x6,6 -20…+50
HКГ-8К 1,25 46,5x30,5x129 -45…+45
КНП-2А 1,2 33x22x70 -30…+50     Никель-кадмиевые негерметичные
КНП-3,5А 1,2 3,5 33x22x95,5 -30…+50
НKП-90 1,2 72x80x188 -56…+65
СЦД12М 1,86 116x50x23 -30…+50
ГБ-10-У-1,3 1,3 54x53x59 -40…+60
ГИТ-20 5,6 71,1x35,7xx142 -50…+60 Серебряно-цинковые
Батареи          
ЛВБ-316 0,24 136x76x22 -50…+60 Марганцово-цинковые
5Д-055С 8,4 0,55 14,5x50,5 -50…+60
7Д-0,125Д-У1-1 0,125 39x52,8 -30…+50 Ртутно-цинковые
10Д-0,55С-1 12,5 0,55 24x58 -20…+50 Литиевые
10НКГ-8К 37x112 -20…+50
10НКП-5 253x65x165 -20…+50
20НКБН-40 27,5 90x55x165 -40…+50 Никель-кадмиевые герметичные
21НКБН-6 493x175x226 -30…+50
22НКБН-25 6,25 290x189,5x135 -20…+50
5НКЛБ-70 28,8 387x216x246 -40…+50
24КНП-7А 13,2 160x33x267 -50…+50
11КНПЗ-7 280x193,5x121 -40…+50 Никель-кадмиевые негерметичные
2Ч25НКМ-5Б 262x84x122 -25…+50
12НКП-2А 28,8 262x233x140 -30…+50
24НКП-7А - -50…+60
21НКПЛ-1,5 27,5 1,5 280x193x120 -30…+50 Никель-кадмиевые
22НКПЛ-2A 28,8 180x90,5x91 -25…+50
3СЦС1,5 8,3 1,5 188x102,5x100 -50…+50
5СЦС25 42x28x51,5 -50…+50
18СЦС15 181x153x170 -40…+50
20СЦС3 4,5 280x220x150 -50…+50
20СЦС18 2018x140x105 -50…+50 Серебряно-цинковые
10НЛЦ-0,9 2,5 0,9 271x235x150 -50…+50
2НКБН-1,5 3,75 1,5 67,5x40x57 -50…+50
3НКБН-1,5 19,5 1,5 37x37x68 -40…+50
СДС-3 19,5 0,45…2 37x53x68 -20…+50
УЦ-3Б 19,5 0,45…2 - -20…+50
УЦ-3В   0,45…2 Ø 26,72x52,05 -50…+55
             


<== предыдущая лекция | следующая лекция ==>
Устройство и принцип действия солнечной батареи | Конверторы. DC – DC преобразователи


Карта сайта Карта сайта укр


Уроки php mysql Программирование

Онлайн система счисления Калькулятор онлайн обычный Инженерный калькулятор онлайн Замена русских букв на английские для вебмастеров Замена русских букв на английские

Аппаратное и программное обеспечение Графика и компьютерная сфера Интегрированная геоинформационная система Интернет Компьютер Комплектующие компьютера Лекции Методы и средства измерений неэлектрических величин Обслуживание компьютерных и периферийных устройств Операционные системы Параллельное программирование Проектирование электронных средств Периферийные устройства Полезные ресурсы для программистов Программы для программистов Статьи для программистов Cтруктура и организация данных


 


Не нашли то, что искали? Google вам в помощь!

 
 

© life-prog.ru При использовании материалов прямая ссылка на сайт обязательна.

Генерация страницы за: 2.689 сек.