русс | укр

Языки программирования

ПаскальСиАссемблерJavaMatlabPhpHtmlJavaScriptCSSC#DelphiТурбо Пролог

Компьютерные сетиСистемное программное обеспечениеИнформационные технологииПрограммирование

Все о программировании


Linux Unix Алгоритмические языки Аналоговые и гибридные вычислительные устройства Архитектура микроконтроллеров Введение в разработку распределенных информационных систем Введение в численные методы Дискретная математика Информационное обслуживание пользователей Информация и моделирование в управлении производством Компьютерная графика Математическое и компьютерное моделирование Моделирование Нейрокомпьютеры Проектирование программ диагностики компьютерных систем и сетей Проектирование системных программ Системы счисления Теория статистики Теория оптимизации Уроки AutoCAD 3D Уроки базы данных Access Уроки Orcad Цифровые автоматы Шпаргалки по компьютеру Шпаргалки по программированию Экспертные системы Элементы теории информации

Данный инвертор обеспечивает форму кривой выходного напряжения очень близкой к синусоиде и с минимальными значениями высших гармоник, не требующих фильтров.


Дата добавления: 2015-08-31; просмотров: 937; Нарушение авторских прав


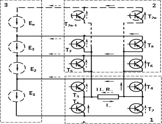
На рисунке 4.6 представлена схема многоступенчатого транзисторного инвертора при последовательном соединении источников постоянного напряжения, а на рисунке 4.7 представлена диаграмма выходного напряжения.

Многоступенчатый транзисторный инвертор содержит мостовую схему ин­вертора 1, содержащий 4 транзистора и n-1 полумостовых схем инвер­тора 2, каждая из которых состоит из двух транзисторных ключей и все они подключены к n источникам постоянного напряжения 3. К выходу многосту­пенчатого инвертора подключена общая нагрузка Rн.

Многоступенчатый транзисторный инвертор работает следующим образом. Мостовая схема ин­вертора 1, образованного транзисторами T1, T2, T3 и T4 (рисунок 4.6) подключена к первому источнику напряжения Е1. В момент вре­мени t1 (рисунок 4.7) открывается транзисторы T1 и T4 и постоянный ток от источника напряжения Е1 будет про­текать через транзисторы T1, нагрузку Rн и T4 (направление постоянного тока через транзисторы и нагрузку показаны сплошными стрелками). Через некото­рое время t2 открывается транзистор T6 и постоянный ток от второго источ­ника постоянного напряжения Е2 будет протекать через транзисторы T1, на­грузку Rн и T6, образуя вторую ступень напряжения на нагрузке. Для форми­рования ступенчатого напряжения на нагрузке в момент времени t3 (рисунок 4.4) от­крывается транзистор T8 и постоянный ток от источника Е3 будет протекать через транзисторы T1, нагрузку Rн и T8 . Для подключения Еn источника посто­янного напряжения в момент времени tn открывается транзистор T 2n и посто­янный ток будет протекать через транзисторы T1, нагрузку Rн и транзистор T 2n .

Далее в момент времени t2n+1 закрывается транзистор T 2n , потом в момент времени t2n+2 – T8 , в момент времени t2n+3 – T6 и в момент времени t2nзакрыва­ются транзисторы T4 и T 1, где к – количество интервалов времени для закрытия транзисторов. Таким образом, происходит формирования положительного по­лупериода многоступенчатого напряжения на нагрузке.



Для формирования отрицательного периода многоступенчатого напряжения на нагрузке в момент времени t1 + T/2 (рисунке 4.6), T – периода многоступенчатого напряжения, открываются транзисторы T2 и T3 и постоянный ток от Е1 будет протекать через транзистор T2, через нагрузку Rн в обратном направлении и T3 (на рисунке 4.5 постоянный тока обратного направления показан пунктирной стрелкой). Через время t2 + T/2 открывается транзистор T5 и постоянный ток от второго источника Е2 будет протекать через транзи­сторы T2, нагрузку Rн и T5. В момент времени t3 + T/2 открывается транзистор T7 и постоянный ток от Е3 будет протекать через транзисторы T2, T7 и нагрузку Rн. Источник постоянного напряжения Еn будет подключен в момент времени tn + T/2 транзистором T 2n и постоянный ток будет протекать через транзисторы T1, T 2n и нагрузку Rн .

Далее в момент времени t2n+1+ T/2 закрывается транзистор T2n , а в мо­мент времени t2n+2 + T/2 – транзистор T7 , в момент времени t2n+3 + T/2 –транзистор T5 и в момент времени t2n+ T/2 закрываются транзисторы T2 и T 3. Таким об­разом, происходит формирования отрицательного полупериода многоступенча­того напряжения на нагрузке.

Напряжение на выходе многоступенчатого транзисторного инвертора без учета падения напряжение на транзисторах будет равно напряжению на нагрузке

Uн = Е1 + Е2 + Е3 +… Еn = . (4.2)

Как видно из графика выходного напряжения (рисунок 6.6) и из последнего выражения (1) на нагрузке происходить ступенчатое суммирование всех источников напря­жения, причем форма кривой напряжения практически не отличается от сину­соиды. Это значит, что данный многоступенчатый транзисторный инвертор ра­ботает в режиме инвертора напряжения.

 

 

Рисунок 4.6 – Многоступенчатый транзисторный инвертор

 

 

Рисунок 4.7 – Многоступенчатый транзисторный инвертор

 



<== предыдущая лекция | следующая лекция ==>
Двухтактные однофазные регулируемые инверторы | Трехфазный инвертор.


Карта сайта Карта сайта укр


Уроки php mysql Программирование

Онлайн система счисления Калькулятор онлайн обычный Инженерный калькулятор онлайн Замена русских букв на английские для вебмастеров Замена русских букв на английские

Аппаратное и программное обеспечение Графика и компьютерная сфера Интегрированная геоинформационная система Интернет Компьютер Комплектующие компьютера Лекции Методы и средства измерений неэлектрических величин Обслуживание компьютерных и периферийных устройств Операционные системы Параллельное программирование Проектирование электронных средств Периферийные устройства Полезные ресурсы для программистов Программы для программистов Статьи для программистов Cтруктура и организация данных


 


Не нашли то, что искали? Google вам в помощь!

 
 

© life-prog.ru При использовании материалов прямая ссылка на сайт обязательна.

Генерация страницы за: 0.573 сек.