русс | укр

Языки программирования

ПаскальСиАссемблерJavaMatlabPhpHtmlJavaScriptCSSC#DelphiТурбо Пролог

Компьютерные сетиСистемное программное обеспечениеИнформационные технологииПрограммирование

Все о программировании


Linux Unix Алгоритмические языки Аналоговые и гибридные вычислительные устройства Архитектура микроконтроллеров Введение в разработку распределенных информационных систем Введение в численные методы Дискретная математика Информационное обслуживание пользователей Информация и моделирование в управлении производством Компьютерная графика Математическое и компьютерное моделирование Моделирование Нейрокомпьютеры Проектирование программ диагностики компьютерных систем и сетей Проектирование системных программ Системы счисления Теория статистики Теория оптимизации Уроки AutoCAD 3D Уроки базы данных Access Уроки Orcad Цифровые автоматы Шпаргалки по компьютеру Шпаргалки по программированию Экспертные системы Элементы теории информации

Двухтактные однофазные регулируемые инверторы


Дата добавления: 2015-08-31; просмотров: 1283; Нарушение авторских прав


В данном случае рассматриваются транзисторные преобразователи постоянного напряжения в переменное, обычно называемые инверторами или DC-AC преобразователями. В настоящее время разработаны различные классы инверторов, как одно, так и многофазных, принципов получения выходного напряжения близкого к синусоидальному, а также регулирования уровня выходного напряжение.

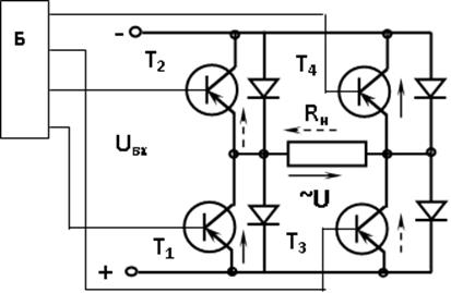
На рисунке 4.1 представлен однофазный двухтактный инвертор, где в качестве коммутирующих ключей использованы транзис­торы Т1Т4, управляемые от блока управления БУ.

Принцип действия такого однофазного инвертора заключается в следующем. Пусть транзисто­ры Т1 и Т4 открыты в момент времени t = 0, а Т2 и Т3 заперты (открытые и закрывание транзисто­ров обеспечивается БУ), тогда от источника постоянного тока потечет ток через транзисто­р Т1,резистор Rн и Т4. Через времени t = t1 = Т/2(Т – период выходного напряжения), которая определяет частоту переменного напряжения, закрываются транзисторыТ1 и Т4и открываются Т2 и Т3.При этомток постоянного напряжения будет протекать через транзистор Т2 резистор Rн в обратном направлении и транзистор Т3. Далее через времени t = t2 = Т/2закрываются транзисторыТ2 и Т3и открываютсяТ1 и Т4.Тогда частотавыходного напряжения на нагрузке будет равна

. (4.1)

 



 



 



 
 
Рисунок 4.1 – Однофазная мостовая схема инвертора

 




Кривая выходного напряжения вышеуказанного инвертора показана на рисунок 4.2. Кривая выходного напряжения 1имеетместо при идеальном случае, когда чисто активной нагрузке. При активно - индуктивной нагрузке кривая выходного напряжения 2имеет искаженный вид и су­щественно отличается от синусоиды. Однако гармонический со­став на­пряжения в преобразователе можно улучшить с применением фильтров.

 



 



Рисунок 4.2 – Кривая выходного напряжения

 



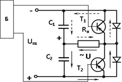
На рисунке 4.3 представлена полумостовая схема инвертора с конденсаторами, где в качестве коммутирующих ключей использованы два транзис­тора Т1 и Т2, управляемые от блока управления БУ и два конденсатора С1и С2.

 



 



Рисунок 4.3 – Однофазный полумостовая схема инвертора с конденсаторами

Принцип действия такого однофазного полумостового инвертора с конденсаторами заключается в следующем. В исходном состоянии транзисто­ры Т1и Т2 закрыты при этом конденсаторы С1и С2будутзаряжены до некоторого значения напряжения. Если теперь транзисто­р Т1открыт, а Т2 закрыт (открытые и закрывание транзисто­ров обеспечивается БУ), то конденсатор С1разрежается через нагрузку Rн , т. е. ток потечет ток через транзисто­р Т1и резистор Rн. Через времени t = t1 = Т/2(Т – период выходного напряжения), которая определяет частоту переменного напряжения, закрывается транзисторТ1 и открывается Т2.При этомконденсатор С2 будет разрежаться через нагрузку Rн и ток через Rн потечет в обратном направлении. В это же время разраженный конденсатор С1будет заряжаться от источника постоянного тока. Через времени t = t2 = Т/2закрывается транзисторТ2 и открываетсяТ1цикл продолжится.

Кривая выходного напряжения однофазного полумостового инвертора показана на рисунок 4.4. Если конденсаторы С1и С2 имели бы бесконечную большую емкость , то кривая выходного напряжения имела бы прямоугольную форму. Из-за снижения напряжения на конденсаторе при его разряде форма кривой выходного напряжения отличается от прямоугольной.

 



 



 



Рисунок 4.4 – Кривая выходного напряжения полумостовой схемы

инвертора с конденсаторами

 



На рисунке 4.5 представлена схема инвертора с нулем, где в качестве коммутирующих ключей использованы два управляемого транзис­тора Т1и Т2 а также трансформатор с нулевым выводом. Один транзис­тор Т1включенпоследовательноспервой половинойпервичной обмотки w1 трансформатора, а второй транзис­тор Т2к второй половинеw11 трансформатора.

Принцип действия такого инвертора с нулом заключается в следующем. Пусть транзисто­ры Т1 открыт в момент времени t = 0, а Т2 закрыт, тогда от источника постоянного тока потечет ток через транзисто­р Т1 и первую половинупервичной обмотки w1, трансформатора. Через времени t = t1 = Т/2(Т – период выходного напряжения), которая определяет частоту переменного напряжения, закрывается транзисторТ1. При этом в сердечнике трансформатора создается переменный магнитный поток, который наводит во второй обмотке w2 напряжение прямоугольной формы положительного знака. Если теперь в этот же момент времени открытТ2 , то постоянный ток потечет через транзисто­р Т2 и вторую половинупервичной обмотки w11 трансформатора, а через времени t = t2 = Т/2закрыть транзисторТ2, то в сердечнике трансформатора создается переменный магнитный поток, который наводит во второй обмотке w2 напряжение прямоугольной формы отрицательного знака.

Таким образом, при поочередной через полупериод коммутации транзисто­ров Т1 и Т2напряжениеисточника постоянного тока Uвх будет прикладываться попеременно то к одной, то к другой половинепервичной обмотки (w1, w11 )трансформатора, создавая в его сердечнике переменный магнитный поток, который наводит во второй обмотке w2 переменное напряжение прямоугольной формы.

 



 



Рисунок 4.5 – Схема инвертора с нулем

 



<== предыдущая лекция | следующая лекция ==>
Автотрансформаторы | Данный инвертор обеспечивает форму кривой выходного напряжения очень близкой к синусоиде и с минимальными значениями высших гармоник, не требующих фильтров.


Карта сайта Карта сайта укр


Уроки php mysql Программирование

Онлайн система счисления Калькулятор онлайн обычный Инженерный калькулятор онлайн Замена русских букв на английские для вебмастеров Замена русских букв на английские

Аппаратное и программное обеспечение Графика и компьютерная сфера Интегрированная геоинформационная система Интернет Компьютер Комплектующие компьютера Лекции Методы и средства измерений неэлектрических величин Обслуживание компьютерных и периферийных устройств Операционные системы Параллельное программирование Проектирование электронных средств Периферийные устройства Полезные ресурсы для программистов Программы для программистов Статьи для программистов Cтруктура и организация данных


 


Не нашли то, что искали? Google вам в помощь!

 
 

© life-prog.ru При использовании материалов прямая ссылка на сайт обязательна.

Генерация страницы за: 1.279 сек.