русс | укр

Языки программирования

ПаскальСиАссемблерJavaMatlabPhpHtmlJavaScriptCSSC#DelphiТурбо Пролог

Компьютерные сетиСистемное программное обеспечениеИнформационные технологииПрограммирование

Все о программировании


Linux Unix Алгоритмические языки Аналоговые и гибридные вычислительные устройства Архитектура микроконтроллеров Введение в разработку распределенных информационных систем Введение в численные методы Дискретная математика Информационное обслуживание пользователей Информация и моделирование в управлении производством Компьютерная графика Математическое и компьютерное моделирование Моделирование Нейрокомпьютеры Проектирование программ диагностики компьютерных систем и сетей Проектирование системных программ Системы счисления Теория статистики Теория оптимизации Уроки AutoCAD 3D Уроки базы данных Access Уроки Orcad Цифровые автоматы Шпаргалки по компьютеру Шпаргалки по программированию Экспертные системы Элементы теории информации

Построение параметризованных чертежей машиностроительных деталей с помощью TflexCad


Дата добавления: 2015-08-06; просмотров: 3065; Нарушение авторских прав


Параметризация – изменение выходных параметров системы у в автоматическом режиме при изменении входных параметров х.

Параметризация TflexCad ( конструкторская параметризация) – изменение параметров чертежа (3D модели) в автоматическом режиме при изменении размеров детали на чертеже.

Технологическая параметризация – изменение параметров технологического процесса и его структуры в автоматическом режиме при изменении конструктивных параметров детали.

Параметризация использует переменные х и у и связи между ними

y = f(x). Связи подразделяются на математические, логические, табличные и программные модули.

Конструкторско – технологическая параметризация является важным средством повышения автоматизации проектирования технологических процессов.

Параметризованные модели деталей создаются с использованием переменных TflexCad. Переменные позволяют перенести идею параметризации на качественно более высокий уровень: выполнять сложные математические расчеты внутри чертежа, устанавливать связи между элементами построения, автоматизировать построение чертежей деталей определенного класса путем изменения значений переменных. Кроме того, с помощью переменных возможно повышать уровень автоматизации проектирования технологических процессов на основе типизации: создавать чертежи типовых представителей, проектировать типовые технологические процессы (ТП) и осуществлять автоматическую настройку типовых ТП на проектирование ТП рассматриваемой детали. На занятиях №1 и 2 рассмотрены следующие этапы использования параметризации при проектировании ТП МО для деталей типа фланцев на основе типизации:

- построение параметризованного чертежа фланца:

- автоматическая прорисовка деталей класса данного класса путем изменения значений переменных:

- построение типового ТП изготовления фланца в условиях мелкосерийного производства для участков с универсальным оборудованием;



- автоматическая настройка типового ТП на детали класса фланец с использованием САПР ТП «СИТЕП МО».

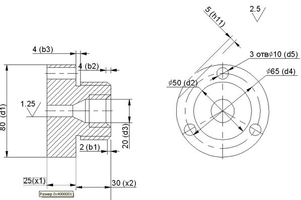
Параметризованный чертеж фланца показан на рис.1

Фланец содержит следующие поверхности: наружные цилиндрические, центральное отверстие, круговую канавку, лыску, крепежное нецентральное отверстие, наружное и внутреннее резьбовые поверхности, фаски. Рис. . Параметризованный фланец

 

Параметризованный фланец отрабатывается в следующей последовательности:

1. Построение двухступенчатого вала с переменными d1, d2, X1, X2.в следующей последовательности:

- строится крестообразная линия построения;

- строятся две вертикальные линии построения с использованием привязки с учетом размеров Х1 и Х2 ;

- строятся 4 горизонтальные линии построения с использованием привязки с учетом диаметральных размеров d1 и d2.;

- строится вид А в виде двух концентрических окружностей диаметрами d1 и d2..

2. Построение внутреннего отверстия диаметром d6 с использованием двух горизонтальных линий построения, каждая из которых привязана к осевой линии и на виде А строится окружность диаметром d6.

3. Далее выполняется штриховка на первой проекции.

4. При изменении диаметра d6 = 0 на d6 > 0 необходимо обеспечить автоматическую перерисовку первой проекции с использованием переменной А (отвечающей за видимость), которая является логической переменной.

 

 

0, если штриховка видима

А =

-1, если штриховка невидима

 

 

 

Переменная А зависит от значения диаметра d6 и А=-1, если d6 =0 и

А =0, если d6 > 0

 

 

 

Рис.1. Чертеж фланца

 

 

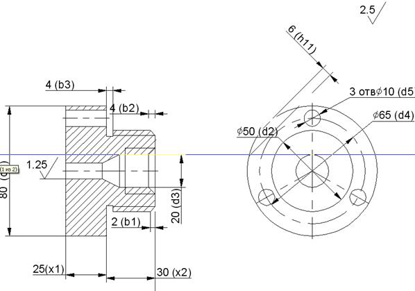
При создании параметризованного фланца использованы следующие переменные (рис.2).

 

 

 

,

 

Рис.2 Переменные параметризованного чертежа

 

Построение параметризованного чертежа фланца выполняется в следующей последовательности:

- выбор собственной системы координат, связанной с фланцем таким образом, чтобы проекция чертежа располагалась в центре окна;

- при выборе линий построения линии вертикальных и горизонтальных необходимо привязку выполнять в соответствии с простановкой размеров, например, привязку образующих цилиндрических поверхностей необходимо выполнять к осевой линии;

- с помощью переменной А1 (рис.2) выполняется автоматическое переключение проекций со штриховкой для фланца с центральным отверстием на проекцию без штриховки для фланца без отверстия.

После построения параметризованного фланца необходимо выполнить перерисовку деталей класса «фланцы» (рис.3).

 

 

 

Рис.3. Перечень деталей класса «фланец»

 

 

 

2. Разработать типовой ТП для детали представителя для следующих условий: мелкосерийное производство на участке станков с универсальным оборудованием, заготовка пруток, материал Ст45.

3.При вводе типового ТП с помощью Технологического Редактора СИТЕП 4.1 на этапе ввода исходных данных (кнопка «создать») детали представителя установить класс 001 и признак типовой равный 1.

4. В таблице типового ТП в столбце RAZM и строке перехода указать переменные размеры детали представителя, ограниченные символом “~”, которые отвечают за этот переход ТП. Например ~RR~ для переменной RR.

5. На втором этапе создать заданную деталь, установить класс 001 и запустить Редактор.

6. Установить нулевые переменные для рассматриваемой детали в следующей последовательности: Переменные – Переменные текущего ТП – Создать – Наименование переменной – Переменная нулевого размера – Конкретное значение = 0

7. Заполнить ТП в автоматическом режиме в следующей последовательности: Новый ТП – Мастер создания нового ТП – Метод проектирования – Типизация – Далее – Шаг второй - Комплексная деталь найдена – Далее – Настройка по размерам – Далее – Готово – Переход в Редактор – Освежить с помощью правой клавиши мышки – Проанализировать Технологический процесс – Дополнительной редактирование, если это необходимо.

8. Если на втором шаге сообщение «Комплексная деталь не найдена», необходимо проверить соответствие классов рассматриваемой детали и детали представителя.

9. После окончательного редактирования необходимо распечатать технологическую документацию.

 



<== предыдущая лекция | следующая лекция ==>
Практическое занятие №3 | Автоматизированное проектирование приспособлений УНП с использованием параметризации


Карта сайта Карта сайта укр


Уроки php mysql Программирование

Онлайн система счисления Калькулятор онлайн обычный Инженерный калькулятор онлайн Замена русских букв на английские для вебмастеров Замена русских букв на английские

Аппаратное и программное обеспечение Графика и компьютерная сфера Интегрированная геоинформационная система Интернет Компьютер Комплектующие компьютера Лекции Методы и средства измерений неэлектрических величин Обслуживание компьютерных и периферийных устройств Операционные системы Параллельное программирование Проектирование электронных средств Периферийные устройства Полезные ресурсы для программистов Программы для программистов Статьи для программистов Cтруктура и организация данных


 


Не нашли то, что искали? Google вам в помощь!

 
 

© life-prog.ru При использовании материалов прямая ссылка на сайт обязательна.

Генерация страницы за: 0.02 сек.