русс | укр

Языки программирования

ПаскальСиАссемблерJavaMatlabPhpHtmlJavaScriptCSSC#DelphiТурбо Пролог

Компьютерные сетиСистемное программное обеспечениеИнформационные технологииПрограммирование

Все о программировании


Linux Unix Алгоритмические языки Аналоговые и гибридные вычислительные устройства Архитектура микроконтроллеров Введение в разработку распределенных информационных систем Введение в численные методы Дискретная математика Информационное обслуживание пользователей Информация и моделирование в управлении производством Компьютерная графика Математическое и компьютерное моделирование Моделирование Нейрокомпьютеры Проектирование программ диагностики компьютерных систем и сетей Проектирование системных программ Системы счисления Теория статистики Теория оптимизации Уроки AutoCAD 3D Уроки базы данных Access Уроки Orcad Цифровые автоматы Шпаргалки по компьютеру Шпаргалки по программированию Экспертные системы Элементы теории информации

Лекция №4


Дата добавления: 2014-11-28; просмотров: 1198; Нарушение авторских прав


План лекции.

1. Способы представления структуры модели.

2. Методы решения дифференциальных уравнений.

 

2.5. Общие положения моделирования.

 

Математическими моделями динамических систем автоматического управления являются дифференциальные уравнения. Решение этих уравнений с помощью вычислительных машин (ВМ) представляет собой способ получения информации о поведении системы методом машинного моделирования. Существуют два различных подхода к решению задач на ВМ.

В первом случае ВМ используется для чисто математического моделирования исследуемой системы дифференциальных уравнений без отражения в модели реальной структуры объекта – это способ непосредственного интегрирования (см. (2.7)).

Во втором случае АВМ используется для построения структурной модели, представляющей собой аналог, решающие элементы которого соединены между собой в соответствии с алгоритмической схемой исследуемой системы – это структурный способ.

При структурном способе модель системы представляется в виде блоков, имитирующих работу отдельных физических узлов (электрических машин, усилителей, регуляторов, датчиков и т. д.), причем каждый блок выполняется из моделей типовых динамических звеньев.

Таким образом, структурное моделирование предполагает воспроизведение структуры объекта, управляющего устройства и других элементов системы, которые представляются комбинацией элементарных звеньев.

Целесообразность применения структурных моделей связана с тем, что при исследовании на ВМ сохраняется структура исследуемого объекта, и поэтому на модели легко воспроизводится изменение отдельных параметров и способов соединения элементов, необходимое для обеспечения определенного качества переходного процесса системы.

При использовании способа непосредственного интегрирования исходное дифференциальное уравнение должно быть преобразовано к виду, наиболее удобному для исследования на модели.



При использовании структурного способа каждое типовое звено, описываемое дифференциальным уравнением, также должно быть представлено в виде, наиболее удобном для исследования на модели и для стыковки звеньев друг с другом.

И в том, и в другом случаях для решения дифференциальных уравнений с помощью аппаратных технических средств используют следующие методы решения, выбор которых зависит от типа дифференциальных уравнений и от конкретных задач, стоящих перед исследователем:

1. общий метод решения дифференциальных уравнений при помощи понижения порядка производной (метод последовательного интегрирования);

2. метод канонической формы;

3. метод вспомогательной переменной.

 

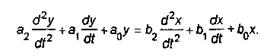
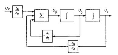
2.6. Общий метод решения дифференциальных уравнений.

 

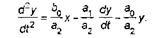
Реализацию этого метода рассмотрим на примере решения дифференциального уравнения второго порядка с нулевыми начальными условиями:

. (2.9)

Суть метода состоит в том, что уравнение разрешают относительно старшей производной.

.

В вычислительной машине математические операции, заданные исходными уравнениями, выполняются над машинными переменными. Таким образом, переменным , , , в уравнении (2.9) будут соответствовать , , , , где

, .

Тогда уравнение (2.9) принимает вид:

.

Машинные переменные и можно получить последовательным интегрированием . И блок-схема решения дифференциального уравнения (2.9) будет иметь вид, представленный на рис. 2.4.

 

Рис. 2.4. Блок-схема решения методом понижения порядка.

 

Достоинствами общего метода решения дифференциальных уравнений являются простота и наглядность решения задачи. Недостатком метода является то, что его нельзя применять, если правая часть уравнения содержит производные входной переменной.

 

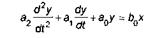
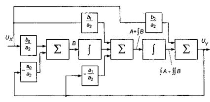
2.7. Решение дифференциальных уравнений методом канонической формы.

 

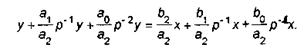
Реализацию этого метода рассмотрим на примере решения дифференциального уравнения второго порядка с производными в правой части.

(2.10)

 

Суть метода состоит в том, что исходное уравнение разрешают относительно искомой переменной у. Для этого уравнение (2.10) записывают в операторной форме

(2.11)

а затем все члены уравнения (2.11) делят на « »:

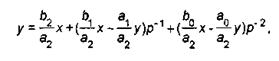
Разрешим уравнение (2.11) относительно « » и сгруппируем переменные:

(2.12)

или

(2.13)

Обозначим

; . (2.14)

 

.

 

Блок-схема решения методом канонической формы имеет вид.

 

Рис. 2.5. Блок-схема решения методом канонической формы имеет вид.

 

Достоинства метода в том, что он позволяет решать дифференциальные уравнения, содержащие производные в правой части. Недостатками являются малая физичность, ненаглядность и невозможность задания начальных условий.

 



<== предыдущая лекция | следующая лекция ==>
Основные элементы имитационных моделей | Лекция №5


Карта сайта Карта сайта укр


Уроки php mysql Программирование

Онлайн система счисления Калькулятор онлайн обычный Инженерный калькулятор онлайн Замена русских букв на английские для вебмастеров Замена русских букв на английские

Аппаратное и программное обеспечение Графика и компьютерная сфера Интегрированная геоинформационная система Интернет Компьютер Комплектующие компьютера Лекции Методы и средства измерений неэлектрических величин Обслуживание компьютерных и периферийных устройств Операционные системы Параллельное программирование Проектирование электронных средств Периферийные устройства Полезные ресурсы для программистов Программы для программистов Статьи для программистов Cтруктура и организация данных


 


Не нашли то, что искали? Google вам в помощь!

 
 

© life-prog.ru При использовании материалов прямая ссылка на сайт обязательна.

Генерация страницы за: 0.202 сек.