русс | укр

Языки программирования

ПаскальСиАссемблерJavaMatlabPhpHtmlJavaScriptCSSC#DelphiТурбо Пролог

Компьютерные сетиСистемное программное обеспечениеИнформационные технологииПрограммирование

Все о программировании


Linux Unix Алгоритмические языки Аналоговые и гибридные вычислительные устройства Архитектура микроконтроллеров Введение в разработку распределенных информационных систем Введение в численные методы Дискретная математика Информационное обслуживание пользователей Информация и моделирование в управлении производством Компьютерная графика Математическое и компьютерное моделирование Моделирование Нейрокомпьютеры Проектирование программ диагностики компьютерных систем и сетей Проектирование системных программ Системы счисления Теория статистики Теория оптимизации Уроки AutoCAD 3D Уроки базы данных Access Уроки Orcad Цифровые автоматы Шпаргалки по компьютеру Шпаргалки по программированию Экспертные системы Элементы теории информации

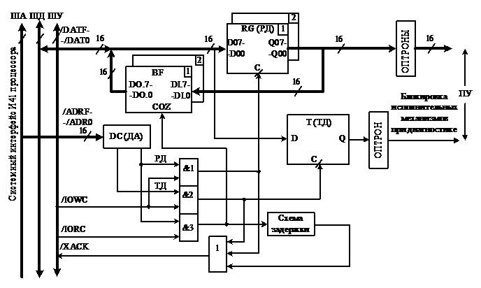
Диагностика работоспособности технологического оборудования


Дата добавления: 2014-11-27; просмотров: 705; Нарушение авторских прав


Модуль обладает аппаратной избыточностью для реализации функций диагностики. Избыточными являются буфер BF и линии связи, соединяющие выходы РД с буфером, так как непосредственно для вывода данных на периферийное устройство (ПУ) они не используются. Эти линии связи необходимы только для ввода данных, записанных в РД при его диагностике. Также избыточными являются триггер диагностики (ТД), схема &2 и &3, схема задержки, оптрон, а также все линии связанные с ними.

При выполнении диагностики модулей СУ необходимо принимать меры, которые бы исключили возможность ложного срабатывания механизмов технологического оборудования (ТО) при выводе диагностической информации. В данном примере перед диагностикой необходимо установить триггер диагностики T, который блокирует работу технологического оборудования. По завершении диагностики модуля необходимо сбросить триггер.

 



<== предыдущая лекция | следующая лекция ==>
Виды диагностики. Требования. | Диагностика в И41.


Карта сайта Карта сайта укр


Уроки php mysql Программирование

Онлайн система счисления Калькулятор онлайн обычный Инженерный калькулятор онлайн Замена русских букв на английские для вебмастеров Замена русских букв на английские

Аппаратное и программное обеспечение Графика и компьютерная сфера Интегрированная геоинформационная система Интернет Компьютер Комплектующие компьютера Лекции Методы и средства измерений неэлектрических величин Обслуживание компьютерных и периферийных устройств Операционные системы Параллельное программирование Проектирование электронных средств Периферийные устройства Полезные ресурсы для программистов Программы для программистов Статьи для программистов Cтруктура и организация данных


 


Не нашли то, что искали? Google вам в помощь!

 
 

© life-prog.ru При использовании материалов прямая ссылка на сайт обязательна.

Генерация страницы за: 0.475 сек.