русс | укр

Языки программирования

ПаскальСиАссемблерJavaMatlabPhpHtmlJavaScriptCSSC#DelphiТурбо Пролог

Компьютерные сетиСистемное программное обеспечениеИнформационные технологииПрограммирование

Все о программировании


Linux Unix Алгоритмические языки Аналоговые и гибридные вычислительные устройства Архитектура микроконтроллеров Введение в разработку распределенных информационных систем Введение в численные методы Дискретная математика Информационное обслуживание пользователей Информация и моделирование в управлении производством Компьютерная графика Математическое и компьютерное моделирование Моделирование Нейрокомпьютеры Проектирование программ диагностики компьютерных систем и сетей Проектирование системных программ Системы счисления Теория статистики Теория оптимизации Уроки AutoCAD 3D Уроки базы данных Access Уроки Orcad Цифровые автоматы Шпаргалки по компьютеру Шпаргалки по программированию Экспертные системы Элементы теории информации

Частотное разделение


Дата добавления: 2014-05-02; просмотров: 1042; Нарушение авторских прав


При частотном разделении (FDMA – Frequency Division Multiple Access) для различных каналов отводятся непересекающиеся участки полос частот Δf1, Δf2, …, Δfn в полосе пропускания линии связи (рис. 8.2).

Рис. 8.2. Распределение каналов по шкале частот при частотном разделении

 

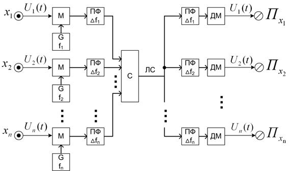
Спектры сигналов соответствующих каналов должны укладываться в пределы Δfk. Полоса пропускания линии связи ΔFл = FвFн определяет количество возможных каналов. Для уменьшения паразитного влияния каналов друг на друга между полосами частот, отведенных каналу, оставляются незанятые полосы частот. На рис. 8.3 приведена структурная схема многоканальной системы с частотным разделением.

Низкочастотные сигналы Uk(t) от источников сигнала (датчиков) Xk модулируют по амплитуде или частоте высокочастотные сигналы с несущими частотами f1, f2, …, fn в модуляторах. Сигналы на выходе модуляторов имеют спектры Δf1, Δf2, …, Δfn, положение которых на шкале частот определяется несущими частотами f1, f2, …, fn, а ширина зависит от ширины спектра сигналов датчиков. Полосовые фильтры передающей части ограничивают полосы частот своих каналов. В смесителе все сигналы смешиваются и поступают в линию связи. На приемной стороне сигнал с линии связи поступает на полосовые фильтры, каждый из которых имеет полосу пропускания, равную полосе фильтра на передающей стороне. Сигнал с выхода фильтра демодулируется демодулятором. На выходе демодулятора получаем сигнал Uk, переданный с датчика. Сигнал Uk поступает приемнику.

Большим преимуществом систем с частотным разделением является возможность одновременной передачи сигналов, относящихся к разным каналам.

Рис. 8.3. Структурная схема многоканальной системы с частотным разделением: X1Xn – источники сигналов; U1(t)–Un(t) – сигналы, которые необходимо передать по линии связи к соответствующим приемникам Пх1–Пхn; М – модуляторы; G – генераторы гармонических сигналов с частотами f1fn; ЛС – линия связи;
ПФ – полосовые фильтры с полосами пропускания Δf1–Δfn; С – смеситель сигналов; ДМ – демодуляторы



 

К недостаткам относят:

1. Сравнительно большое взаимное влияние каналов из-за перекрытия спектров сигналов, не идеальности полосовых фильтров и наличие паразитных частотных составляющих вследствие перекрестной модуляции.

2. Неполное использование каждым пользователем всей полосы пропускания канала.

Такое разделение используется в стандартах NMT (Nordic Mobile Telephone) – стандарте Европы на мобильную аналоговую связь.



<== предыдущая лекция | следующая лекция ==>
Разделение линий связи (мультиплексирование). Постановка задачи | Временное разделение


Карта сайта Карта сайта укр


Уроки php mysql Программирование

Онлайн система счисления Калькулятор онлайн обычный Инженерный калькулятор онлайн Замена русских букв на английские для вебмастеров Замена русских букв на английские

Аппаратное и программное обеспечение Графика и компьютерная сфера Интегрированная геоинформационная система Интернет Компьютер Комплектующие компьютера Лекции Методы и средства измерений неэлектрических величин Обслуживание компьютерных и периферийных устройств Операционные системы Параллельное программирование Проектирование электронных средств Периферийные устройства Полезные ресурсы для программистов Программы для программистов Статьи для программистов Cтруктура и организация данных


 


Не нашли то, что искали? Google вам в помощь!

 
 

© life-prog.ru При использовании материалов прямая ссылка на сайт обязательна.

Генерация страницы за: 0.082 сек.