русс | укр

Языки программирования

ПаскальСиАссемблерJavaMatlabPhpHtmlJavaScriptCSSC#DelphiТурбо Пролог

Компьютерные сетиСистемное программное обеспечениеИнформационные технологииПрограммирование

Все о программировании


Linux Unix Алгоритмические языки Аналоговые и гибридные вычислительные устройства Архитектура микроконтроллеров Введение в разработку распределенных информационных систем Введение в численные методы Дискретная математика Информационное обслуживание пользователей Информация и моделирование в управлении производством Компьютерная графика Математическое и компьютерное моделирование Моделирование Нейрокомпьютеры Проектирование программ диагностики компьютерных систем и сетей Проектирование системных программ Системы счисления Теория статистики Теория оптимизации Уроки AutoCAD 3D Уроки базы данных Access Уроки Orcad Цифровые автоматы Шпаргалки по компьютеру Шпаргалки по программированию Экспертные системы Элементы теории информации

Розв’язок


Дата добавления: 2015-08-31; просмотров: 785; Нарушение авторских прав


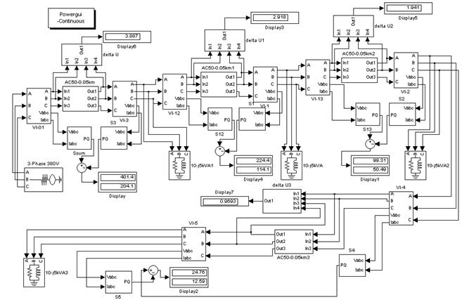
Зберемо модель електричної мережі напругою 0,38 кВ з рівномірно розподіленим навантаженням в пакеті MATLAB (рисунок 4.5), використавши створену у лабораторній роботі №2 універсальну модель лінії. Після запуску схеми отримуємо результати представлені на рисунку 4.5. Ці результати зведені до таблиці 4.2.

Рисунок 4.5 – Модель ЛЕП напругою 0,38 кВ з рівномірно розподіленим навантаженням

 

Таблиця 4.2 – Параметри нормального усталеного режиму електричної мережі з рівномірно розподіленим навантаженням

Вт ВАр В Вт ВАр В Вт ВАр В Вт ВАр В
401,4 204,1 3,887 224,4 114,1 2,918 99,3 50,5 1,941 24,8 12,6 0,969

 

Сумарні втрати активної та реактивної потужностей становлять:

кВт;

кВАр.

Втрати напруги у найбільш віддаленого споживача становлять:

В.

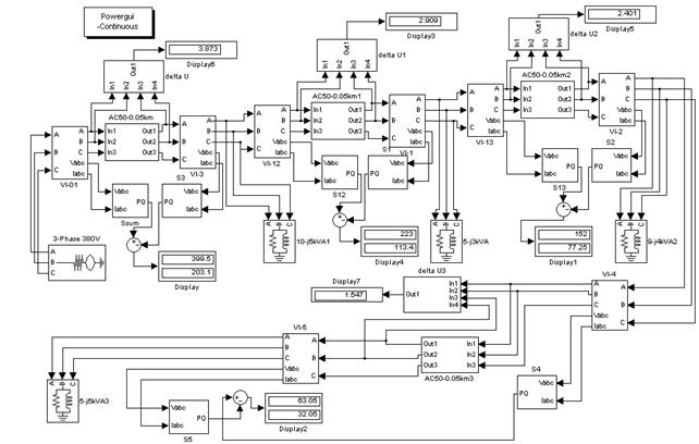
Зберемо модель електричної мережі напругою 0,38 кВ з нерівномірно розподіленим навантаженням в пакеті MATLAB (рисунок 4.6). Після запуску схеми отримуємо результати представлені на рисунку 4.6 та зведені до таблиці 4.3.

Рисунок 4.6 – Модель ЛЕП напругою 0,38 кВ з рівномірно розподіленим навантаженням

 

Таблиця 4.3 – Параметри нормального усталеного режиму електричної мережі з нерівномірно розподіленим навантаженням

Вт ВАр В Вт ВАр В Вт ВАр В Вт ВАр В
399,5 203,1 3,873 223,0 113,4 2,909 152,0 77,3 2,401 63,1 32,1 1,547

Сумарні втрати активної та реактивної потужностей становлять:

кВт;

кВАр.

Втрати напруги у найбільш віддаленого споживача становлять:

В.

 

Контрольні запитання

1. Від яких величин залежать втрати потужності в лініях?



2. Як співвідносяться втрати потужності та напруги в лініях електропередачі з рівномірно розподіленим та зосередженим навантаженням?

3. Отримати співвідношення для визначення втрат потужності в лініях електропередачі з рівномірно розподіленим навантаженням.

4. Отримати співвідношення для визначення втрат напруги в лініях електропередачі з рівномірно розподіленим навантаженням.




<== предыдущая лекция | следующая лекция ==>
Розв’язок | Порядок виконання роботи


Карта сайта Карта сайта укр


Уроки php mysql Программирование

Онлайн система счисления Калькулятор онлайн обычный Инженерный калькулятор онлайн Замена русских букв на английские для вебмастеров Замена русских букв на английские

Аппаратное и программное обеспечение Графика и компьютерная сфера Интегрированная геоинформационная система Интернет Компьютер Комплектующие компьютера Лекции Методы и средства измерений неэлектрических величин Обслуживание компьютерных и периферийных устройств Операционные системы Параллельное программирование Проектирование электронных средств Периферийные устройства Полезные ресурсы для программистов Программы для программистов Статьи для программистов Cтруктура и организация данных


 


Не нашли то, что искали? Google вам в помощь!

 
 

© life-prog.ru При использовании материалов прямая ссылка на сайт обязательна.

Генерация страницы за: 0.316 сек.