русс | укр

Языки программирования

ПаскальСиАссемблерJavaMatlabPhpHtmlJavaScriptCSSC#DelphiТурбо Пролог

Компьютерные сетиСистемное программное обеспечениеИнформационные технологииПрограммирование

Все о программировании


Linux Unix Алгоритмические языки Аналоговые и гибридные вычислительные устройства Архитектура микроконтроллеров Введение в разработку распределенных информационных систем Введение в численные методы Дискретная математика Информационное обслуживание пользователей Информация и моделирование в управлении производством Компьютерная графика Математическое и компьютерное моделирование Моделирование Нейрокомпьютеры Проектирование программ диагностики компьютерных систем и сетей Проектирование системных программ Системы счисления Теория статистики Теория оптимизации Уроки AutoCAD 3D Уроки базы данных Access Уроки Orcad Цифровые автоматы Шпаргалки по компьютеру Шпаргалки по программированию Экспертные системы Элементы теории информации

Схемы бесперебойного электроснабжения


Дата добавления: 2015-08-31; просмотров: 2299; Нарушение авторских прав


 

Предприятия электросвязи относятся к потребителям первой категории и их энергоснабжение должно обеспечиваться от трех независимых источников. Два внешних ввода должны быть от отдельных электростанций, а третий – от собственной дизельной электростанции.

Система электроснабжения – это комплекс сооружений на территории предприятия связи и в производственных помещениях, обеспечивающий функционирование предприятия связи, как в нормальных, так и в аварийных режимах его работы. Структурная схема электроснабжения предприятия связи приведена на рисунке 1.

Схема включает в себя такие устройства:

- трансформаторные подстанции (ТП1 и ТП2);

- дизель – генераторную установку (ДГУ);

- автомат ввода резерва (АВР);

- шкаф вводный распределительный переменного тока (ШВР);

- электропитающую установку (ЭПУ);

- систему вентиляции и кондиционирования (СВ и К);

- электросети освещения;

- систему мониторинга и управления (СМ и У).

 

- 6 -

 
 

Рисунок 1 – Структурная схема электроснабжения предприятия связи

 

Трансформаторная подстанция обеспечивает понижение напряжения от (6…10) кВ до 220/380 В трехфазного переменного тока промышленной частоты 50 Гц. Вторичные цепи трансформаторов подстанций должны быть включены по схеме звезда с нулевым проводом и иметь систему заземления.

АВР - автомат ввода резерва, осуществляет переключение на резервный ввод 2 (фидер) в случае пропадания напряжения на основном вводе 1 (фидере). При пропадании напряжения на обоих фидерах осуществляется подключение дизель- генераторной установки (ДГУ).Ее запуск выполняется автоматически сжатым воздухом или с помощью электрического стартера. Запуск дизеля должен произойти за (1…3) минуты. Разрешается запускать его с помощью стартера до 3-х раз (по 5…6 с). Это обусловлено возможностью выхода из строя стартерных аккумуляторов. Мощность ДГУ лежит в пределах от 8 до 1500 кВт. В системах электроснабжения чаще всего используется два ДГУ, один – основной, другой – резервный.



ШВР – шкаф вводный распределительный обеспечивает ввод и распределение энергии по потребителям с помощью различных токоведущих шин, а также защиту потребителей от перегрузок по напряжению и токов короткого замыкания. На передней панели ШВР расположены измерительные приборы для контроля коэффициента мощности (cosj)и полной потребляемой мощности (S), а такжеавтоматы защиты. Иногда в ШВР монтируют и АВР.

Система вентиляции и кондиционирования воздуха (СВ и К) обеспечивает нормальное функционирование (что также повышает надежность системы) ЭПУ,

ДГУ, аккумуляторных батарей. СВ и К регулирует температурный режим отдельных устройств. При зарядке аккумуляторной батареи происходит выделение газов в окружающую среду, поэтому необходимо производить очистку воздуха для обеспечения нормальной жизнедеятельности персонала. СВ и К обеспечивает циркуляцию воздуха и его очистку от вредных примесей.

 

- 7 -

Система мониторинга и управления осуществляет контроль состояния всех основных узлов и передачу этой информации в сервисный центр. Для этого используется контроллер (устройство логического управления) и модем для передачи информации по телефонным каналам.

Электропитающая установка – это комплекс устройств, предназначенных для распределения электрической энергии, её регулирования, резервирования, стабилизации и контроля качества питающих напряжений. Она включает в себя основное и резервное выпрямительные устройства (ВУ), инверторы (И) и конверторы (К) напряжения, аккумуляторную батарею (АБ), токораспределительную сеть (ТРС) и систему заземления.

ВУ – выпрямительное устройство - преобразует напряжение переменного тока в напряжение постоянного тока и может состоять из нескольких параллельно включенных выпрямителей для увеличения тока нагрузки. ВУ могут работать в двух режимах: в режиме стабилизации напряжения для питания аппаратуры связи и подзарядки АБ (нормальный режим); в режиме стабилизации тока заряда АБ после их разряда на нагрузку в условиях отсутствия напряжения переменного тока (аварийный режим).

И - инвертор напряжения - преобразует напряжение постоянного тока в напряжение переменного тока заданной частоты прямоугольной или синусоидальной формы и обеспечивает его стабилизацию.

К - конвертор напряжения – преобразует постоянное напряжение одного уровня в постоянное напряжение другого уровня. Конвертор напряжения включает в себя инвертор напряжения и выпрямитель. Промежуточным звеном является высокочастотный трансформатор. Конвертор напряжения может выполнять одну из двух функций в системе электропитания:

- формировать дополнительные градации (уровни) напряжения;

- обеспечивать вольтодобавку к аккумуляторной батарее при ее разряде в аварийном режиме работы.

АБ - аккумуляторная батарея – химический источник постоянного тока. Используется в качестве резервного источника энергии в аварийном режиме до момента запуска ДГУ. После аварии происходит восстановление элементов АБ в режиме стабилизации тока от одного из источников переменного тока.

Получение бесперебойного энергоснабжения на стороне постоянного тока может быть обеспечено различными способами.

На предприятиях связи используются пять модификаций системы: буферная система электропитания; буферная система электропитания с вольтодобавочным конвертором (ВДК); буферная система с конвертором; система с отделенной от нагрузки АБ; безаккумуляторная система. Они представлены на рисунках 2…6.

 

В буферной системе электропитания АБ постоянно подключена к нагрузке (рис. 2).

 

 

- 8 -

 


Рисунок 2 – Буферная система электропитания

 

 
 

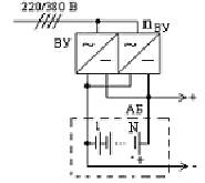
Преимуществом буферных систем электропитания является использование сглаживающих свойств АБ, что значительно уменьшает габаритные размеры сглаживающих фильтров, установленных на выходе ВУ. Недостаткомданной системы являетсявоздействие импульсной нагрузки на АБ, что снижает срок службы, особенно герметичных аккумуляторов в нормальном режиме работы. При повышенных требованиях к качественным показателям напряжения питания и длительной работе от АБ в аварийных режимах используется буферная система питания с вольтодобавочным конвертором – ВДК (рис.3).

 

 

Рисунок 3 – Буферная система электропитания с ВДК

 

В нормальном режиме контактор К1 разомкнут, элементы АБ поддерживаются в нормальном состоянии от ВУ. Одновременно обеспечивается питание основного оборудования от выпрямителя. В аварийном режиме замыкается контактор К1 и выход ВДК соединяется последовательно с АБ, вход ВДК при этом подключается к АБ. При разряде АБ ВДК добавляет недостающую долю напряжения для обеспечения постоянства напряжения на нагрузке. Это иллюстрируется графиком на рисунке 4.

Диод VD необходим для обеспечения непрерывного протекания тока в момент срабатывания контактора К1. Он приводит к дополнительным потерям мощности и снижению к.п.д. устройства. Существуют схемы подключения конвертора напряжения и с двумя контакторами без использования диода. В такой схеме имеет место более высокий КПД, но при этом снижается надежность системы.

 

– 9 –

 
 

Рисунок 4 – Изменение напряжения ВДК от времени

 

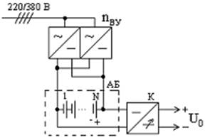
Буферная система электропитания с конвертором (рис.5).

 

Рисунок 5 – Буферная система электропитания с конвертором

 

Конвертор предназначен для стабилизации выходного напряжения U0 и компенсации изменения напряжения на аккумуляторной батарее. Однако, конвертор должен быть рассчитан на полную мощность нагрузки, что не всегда предпочтительно по сравнению с буферной системой с ВДК.

В системе с отделенной от нагрузки АБ (рис. 6)в нормальном режиме работы питание аппаратуры обеспечивается за счет ВУ. АБ подзаряжается от дополнительного выпрямителя содержания (ВС). Устройство управления (УУК) кон-

 

Рисунок 6 – Система электропитания с отделенной от нагрузки АБ

 

 

- 10 -

тролирует напряжение на нагрузке. При его снижении ниже допустимой нормы срабатывает электронный ключ ЭК (тиристорный или транзисторный), а затем контактор К1. Преимуществом этой системы является отсутствие влияния импульсной нагрузки на работу АБ. К недостаткам можно отнести: низкий КПД основного выпрямителя (ВУ) за счет больших габаритных размеров сглаживающих фильтров и дополнительного выпрямителя - ВС.

 
 

Безаккумуляторная система электропитания (рис. 7) требует наличие не

Рисунок 7 – Безаккумуляторная система электропитания

 

менее трех независимых источниковэнергии, один изкоторых дизель- генератор. В этойсистеме всегда работает парное число выпрямителей, при этом улучшается форма потребляемого тока и они должны быть загружены не более чем на 50%. При пропадании напряжения на одном из фидеров замыкается К2 и выпрямители подключаются к другому фидеру. Преимуществом этой системы является простота схемы построения, дешевизна системы. Но по ряду, в основном организационных причин, схема не нашла широкого применения.

 

2.2 Шкафы вводно-распределительные

Шкафы вводно – распределительные (ШВР) предназначены для ввода и распределения по потребителям электрической энергии трехфазного (однофазного) переменного тока, номинального напряжения 380 В (220 В), а также для защиты вводов сети и нагрузок потребителей от перегрузок и токов короткого замыкания, от перенапряжений, для контроля изоляции и т.п. Шкафы ШВР изготавливаются рядом предприятий в т. ч. ОАО Юрьев – Польским заводом “Промсвязь”.

Шкафы выпускаются с ручным подключением вводов (ШВРР), с автоматическим переключением вводов (ШВРА) и без автоматического выключателя для включения вводов (ШВРО). Предусмотрена возможность подключения к ШВР одного и более питающих вводов от сети общего назначения, а также дизель-генераторной установки . Номинальный ток шкафов – от 16 до 1000 А.

При необходимости в шкаф устанавливается панель коммутации аварийного освещения, которая обеспечивает автоматическое подключение сети аварийного освещения к аккумуляторной батарее при попадании напряжения переменного тока и

 

- 11 -

 

автоматическое отключение сети аварийного освещения от аккумуляторной батареи при восстановлении напряжения переменного тока. Максимальный ток сети аварийного освещения напряжением аккумуляторной батареи 60, 48 или 24 В составляет 100 А.

 



<== предыдущая лекция | следующая лекция ==>
КОНТРОЛЬНОЙ РАБОТЫ | Условное обозначение ШВР


Карта сайта Карта сайта укр


Уроки php mysql Программирование

Онлайн система счисления Калькулятор онлайн обычный Инженерный калькулятор онлайн Замена русских букв на английские для вебмастеров Замена русских букв на английские

Аппаратное и программное обеспечение Графика и компьютерная сфера Интегрированная геоинформационная система Интернет Компьютер Комплектующие компьютера Лекции Методы и средства измерений неэлектрических величин Обслуживание компьютерных и периферийных устройств Операционные системы Параллельное программирование Проектирование электронных средств Периферийные устройства Полезные ресурсы для программистов Программы для программистов Статьи для программистов Cтруктура и организация данных


 


Не нашли то, что искали? Google вам в помощь!

 
 

© life-prog.ru При использовании материалов прямая ссылка на сайт обязательна.

Генерация страницы за: 0.622 сек.