русс | укр

Языки программирования

ПаскальСиАссемблерJavaMatlabPhpHtmlJavaScriptCSSC#DelphiТурбо Пролог

Компьютерные сетиСистемное программное обеспечениеИнформационные технологииПрограммирование

Все о программировании


Linux Unix Алгоритмические языки Аналоговые и гибридные вычислительные устройства Архитектура микроконтроллеров Введение в разработку распределенных информационных систем Введение в численные методы Дискретная математика Информационное обслуживание пользователей Информация и моделирование в управлении производством Компьютерная графика Математическое и компьютерное моделирование Моделирование Нейрокомпьютеры Проектирование программ диагностики компьютерных систем и сетей Проектирование системных программ Системы счисления Теория статистики Теория оптимизации Уроки AutoCAD 3D Уроки базы данных Access Уроки Orcad Цифровые автоматы Шпаргалки по компьютеру Шпаргалки по программированию Экспертные системы Элементы теории информации

Арифметико-логическое устройство (АЛУ)


Дата добавления: 2015-08-31; просмотров: 1128; Нарушение авторских прав


В курсе цифровые устройства изучается внутреннее устройство двоичных сумматоров, способных осуществить суммирование многоразрядных кодов. Однако кроме операции суммирования часто требуется осуществлять вычитание двоичных кодов. Двоичные коды, при помощи которых можно записывать отрицательные числа уже рассматривались ранее. Там же было показано, что при использовании дополнительных кодов операцию вычитания двух положительных чисел можно заменить операцией суммирования положительного и отрицательного числа, при этом получение отрицательного числа из положительного числа является элементарной операцией. Для этого необходимо проинвертировать число и прибавить к нему 1.

Схема вычитателя числа A из числа B приведена на рисунке 1, а схема вычитателя числа B из числа A приведена на рисунке 2.


Рисунок 1. Схема вычитателя числа A из числа B

Рисунок 2. Схема вычитателя числа B из числа A

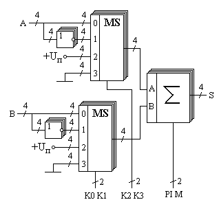
Если же потребуется в процессе вычислений изменять арифметическую операцию, то в схему можно ввести коммутатор. Такая схема приведена на рисунке 3.


Рисунок 3. Структурная схема арифметического устройства

В приведённой на рисунке 3 схеме используются четырёхвходовые коммутаторы, для управления каждым из которых достаточно двух бит. То есть для управления всей схемы в целом достаточно четырёх проводов управления. Попытаемся построить таблицу операций, которые будет выполнять арифметико-логическое устройство (АЛУ). На результат операции будет влиять вход переноса сумматора PI, поэтому этот провод тоже включим в состав кода, управляющего схемой АЛУ. Операции, которые выполняются арифметической схемой в зависимости от поданного на управляющие линии кода, приведены в таблице 1.

Проанализируем эту таблицу. Если на все управляющие входы подать низкий потенциал, то к входу сумматора будут подключены коды A и B без инверсии. В этом случае будет производиться операция суммирования. Эта ситуация отображена первыми двумя строками таблицы выполняемых операций. Операция вычитания осуществляется второй, третьей, восьмой и девятой строкой. В этом случае один из операндов поступает на вход сумматора через блок инверторов. Правда для получения дополнительного кода не хватает единицы, но её можно подать на вход переноса сумматора PI. Ещё одной часто используемой операцией является увеличение числа на единицу или уменьшение числа на единицу. Эти операции позволяют легко организовывать циклы в программе и переходить от предыдущего операнда к следующему. Такие операции могут быть выполнены при помощи кодов, записанных в строках четыре, семь, шестнадцать и двадцать пять. Кроме того, схема арифметического устройства может просто передавать на выход любой из входных кодов без изменения, что позволяет осуществлять копирование данных (суммирование с константой ноль) через это устройство без дополнительных схем коммутации.



При небольшом изменении схемы такое устройство может быть преобразовано в схему, которая позволяет осуществлять не только арифметические, но и логические операции. Для этого нужно вести дополнительный коммутатор, который будет разрывать цепи переноса между разрядами. Эта управляющая цепь обычно называется M.

Подчеркнём основную особенность полученного устройства. Арифметико-логические устройства позволяют выбирать вид выполняемой операции при помощи кода, подаваемого на специальные ножки микросхемы. Это позволяет программировать одно и то же устройство для выполнения различных функций. Разработка такого устройства позволило обменивать большую скорость выполнения отдельных операций на сложность реализуемого алгоритма, что, в конце концов, привело к разработке микропроцессорных систем. Развитие этих систем изменило окружающий нас мир.

 



<== предыдущая лекция | следующая лекция ==>
Сумматоры | Условия деятельности.


Карта сайта Карта сайта укр


Уроки php mysql Программирование

Онлайн система счисления Калькулятор онлайн обычный Инженерный калькулятор онлайн Замена русских букв на английские для вебмастеров Замена русских букв на английские

Аппаратное и программное обеспечение Графика и компьютерная сфера Интегрированная геоинформационная система Интернет Компьютер Комплектующие компьютера Лекции Методы и средства измерений неэлектрических величин Обслуживание компьютерных и периферийных устройств Операционные системы Параллельное программирование Проектирование электронных средств Периферийные устройства Полезные ресурсы для программистов Программы для программистов Статьи для программистов Cтруктура и организация данных


 


Не нашли то, что искали? Google вам в помощь!

 
 

© life-prog.ru При использовании материалов прямая ссылка на сайт обязательна.

Генерация страницы за: 1.001 сек.