русс | укр

Языки программирования

ПаскальСиАссемблерJavaMatlabPhpHtmlJavaScriptCSSC#DelphiТурбо Пролог

Компьютерные сетиСистемное программное обеспечениеИнформационные технологииПрограммирование

Все о программировании


Linux Unix Алгоритмические языки Аналоговые и гибридные вычислительные устройства Архитектура микроконтроллеров Введение в разработку распределенных информационных систем Введение в численные методы Дискретная математика Информационное обслуживание пользователей Информация и моделирование в управлении производством Компьютерная графика Математическое и компьютерное моделирование Моделирование Нейрокомпьютеры Проектирование программ диагностики компьютерных систем и сетей Проектирование системных программ Системы счисления Теория статистики Теория оптимизации Уроки AutoCAD 3D Уроки базы данных Access Уроки Orcad Цифровые автоматы Шпаргалки по компьютеру Шпаргалки по программированию Экспертные системы Элементы теории информации

Сумматоры


Дата добавления: 2015-08-31; просмотров: 961; Нарушение авторских прав


Построение двоичных сумматоров обычно начинается с сумматора по модулю 2. На рисунке 1 приведена таблица истинности этого сумматора. Ее можно получить исходя из правил суммирования в двоичной арифметике. Предполагается, что читатель знаком с основами двоичной арифметики. Более подробно операции над двоичными числами будут рассмотрены позднее.

Рисунок 1. Таблица истинности сумматора по модулю 2.

В соответствии с принципами построения произвольной таблицы истинности, рассмотренными в предыдущей главе, получим схему сумматора по модулю 2. Эта схема приведена на рисунке 2.

Рисунок 2. Принципиальная схема, реализующая таблицу истинности сумматора по модулю 2.

Сумматор по модулю 2 (для двоичной арифметики его схема совпадает со схемой исключающего "ИЛИ") изображается на схемах как показано на рисунке 3.

Рисунок 3. Изображение схемы, выполняющей логическую функцию исключающего "ИЛИ".

Сумматор по модулю 2 выполняет суммирование без учета переноса. В полном двоичном сумматоре требуется учитывать перенос, поэтому требуются схемы, позволяющие формировать перенос в следующий двоичный разряд. Таблица истинности такой схемы, называемой полусумматором, приведена на рисунке 4.

Рисунок 4. Таблица истинности полусумматора.

В соответствии с принципами построения произвольной таблицы истинности получим схему полусумматора. Эта схема приведена на рисунке 5.

Рисунок 5. Принципиальная схема, реализующая таблицу истинности полусумматора.

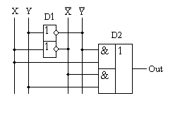
Полусумматор изображается на схемах как показано на рисунке 6.

Рисунок 6. Изображение полусумматора на схемах.

Схема полусумматора формирует перенос в следующий разряд, но не может учитывать перенос из предыдущего разряда, поэтому она и называется полусумматором. Таблицу истинности полного двоичного одноразрядного сумматора можно получить из правил суммирования двоичных чисел. Она приведена на рисунке 7. В обозначении входов использовано следующее правило: в качестве входов использованы одноразрядные числа A и B; перенос обозначен буквой P; для обозначения входа переноса используется буква I (сокращение от английского слова input – вход); для обозначения выхода переноса используется буква O (сокращение от английского слова output – выход).



Рисунок 7. Таблица истинности полного двоичного одноразрядного сумматора.

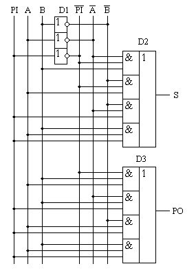
В соответствии с принципами построения принципиальной схемы по произвольной таблице истинности получим схему полного двоичного одноразрядного сумматора. Эта схема приведена на рисунке 8. Ее можно минимизировать, но это несколько усложняет принципы построения сумматоров, поэтому вопросы минимизации рассматриваться не будут.

Рисунок 8. Принципиальная схема, реализующая таблицу истинности полного двоичного одноразрядного сумматора.

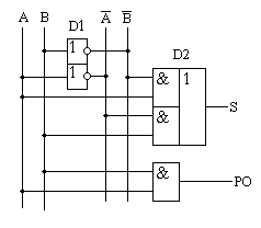
Полный двоичный одноразрядный сумматор изображается на схемах как показано на рисунке 9.

Рисунок 9 Изображение полного двоичного одноразрядного сумматора на схемах.

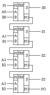
Для того чтобы получить многоразрядный сумматор, достаточно соединить входы и выходы переносов соответствующих двоичных разрядов. Схема соединения одноразрядных сумматоров для реализации четырехразрядного сумматора приведена на рисунке 10.

Рисунок 10. Принципиальная схема многоразрядного двоичного сумматора.

Одноразрядные сумматоры практически никогда не использовались, так как почти сразу же были выпущены микросхемы многоразрядных сумматоров. Полный двоичный четырехразрядный сумматор изображается на схемах как показано на рисунке 11.

Рисунок 11. Изображение полного двоичного многоразрядного сумматора на схемах.

Естественно, в приведенной на рисунке 10 схеме рассматриваются только принципы работы двоичных сумматоров. В реальных схемах никогда не допускают последовательного распространения переноса через все разряды многоразрядного сумматора. Для увеличения скорости работы двоичного сумматора применяется отдельная схема формирования переносов для каждого двоичного разряда. Таблицу истинности для такой схемы легко получить из алгоритма суммирования двоичных чисел, а затем применить хорошо известные нам принципы построения цифровой схемы по произвольной таблице истинности.

На этом пока закончим рассмотрение принципов работы сумматора, более сложные операции будут рассмотрены позднее, а пока для дальнейшего понимания работы операционного блока процессора необходимо научиться переключать двоичные числа на входах и выходе сумматора. Это позволяют сделать мультиплексоры и демультиплексоры, основной частью которых является дешифратор, поэтому следующим устройством, которое мы рассмотрим, будет декодер. Дешифратор является частным случаем декодера.



<== предыдущая лекция | следующая лекция ==>
 | Арифметико-логическое устройство (АЛУ)


Карта сайта Карта сайта укр


Уроки php mysql Программирование

Онлайн система счисления Калькулятор онлайн обычный Инженерный калькулятор онлайн Замена русских букв на английские для вебмастеров Замена русских букв на английские

Аппаратное и программное обеспечение Графика и компьютерная сфера Интегрированная геоинформационная система Интернет Компьютер Комплектующие компьютера Лекции Методы и средства измерений неэлектрических величин Обслуживание компьютерных и периферийных устройств Операционные системы Параллельное программирование Проектирование электронных средств Периферийные устройства Полезные ресурсы для программистов Программы для программистов Статьи для программистов Cтруктура и организация данных


 


Не нашли то, что искали? Google вам в помощь!

 
 

© life-prog.ru При использовании материалов прямая ссылка на сайт обязательна.

Генерация страницы за: 0.732 сек.