русс | укр

Языки программирования

ПаскальСиАссемблерJavaMatlabPhpHtmlJavaScriptCSSC#DelphiТурбо Пролог

Компьютерные сетиСистемное программное обеспечениеИнформационные технологииПрограммирование

Все о программировании


Linux Unix Алгоритмические языки Аналоговые и гибридные вычислительные устройства Архитектура микроконтроллеров Введение в разработку распределенных информационных систем Введение в численные методы Дискретная математика Информационное обслуживание пользователей Информация и моделирование в управлении производством Компьютерная графика Математическое и компьютерное моделирование Моделирование Нейрокомпьютеры Проектирование программ диагностики компьютерных систем и сетей Проектирование системных программ Системы счисления Теория статистики Теория оптимизации Уроки AutoCAD 3D Уроки базы данных Access Уроки Orcad Цифровые автоматы Шпаргалки по компьютеру Шпаргалки по программированию Экспертные системы Элементы теории информации

Управляемые трехфазные выпрямители


Дата добавления: 2015-08-31; просмотров: 2014; Нарушение авторских прав


Принцип работы трехфазного выпрямителяс нуле­вым проводом. На рисунке 3.1 представлена схема трехфазного управляемого вы­прямителя с нулевым проводом и кривые тока и напряжения.

Если тиристоры неуправляемые, то они будут пропу­скать ток в течение всего положительного полупериода фазного напряжения. Тогда, например, тиристор под действием напряжения вторичной обмотки трансфор­матора будет открыт в интервале (рисунок 3.1, б и в). Од­нако на участке 0 – 30° тиристор оказывается запертым напряжением , большим напряжения и при­ложенным в запирающем тиристор на­правле­нии через открытый тиристор . Подобным же образом тиристор ока­жется запертым и на участке за счет напряжения , при­ложенного плюсом к катоду тиристора через открывшийся тиристор . Ин­тервал про­водимости тиристора на рисунке 3.1, в) заштрихован.

Таким образом, управлять моментом отпирания тиристоров можно лишь, начиная с . Поэтому именно с этого значения целесоо­бразно отсчиты­вать угол αподачи на управляющих импульсов (УЭ). Следовательно, рисунок 3.1, в) соответствует и максимальному напря­жению на нагрузке

(2.4)

Изменяя можно управлять средним значе­нием напряжения на нагрузке, которое для режима непрерывного тока с учетом (2.5) определяется формулой

(2.5)

где – действующее значение фазного напряжения вторичной обмот­ки транс­форматора.

На рисунке 3.1, г) показаны кривые напряжения и тока при активно – индуктивной нагрузке, когда . Как видно из графика у трехфазного управляемого выпрямителя с нулевым проводом вы­прямлен­ное напряжение имеет уменьшенные пульсации и фазы нагружены равномерно.

В общем случае для m-фазного управляемого выпрямителя среднее значение выпрямленного напряжения может быть получено при непрерывном токе путем инте­грирования фаз­ного напряжения на интервале проводимости (рис. 2.1)



 

, (2.6)

где

.

 

 

 
 
  Рисунок 2.5 – Схема трехфазного управляемого вы­прямителя с нулевым проводом

 

 


В этой схеме изменяя угол от­пирания управляемых вентилей, регулируют выпрямленным напряжением на нагрузке (на выходе). Применение управляемых выпрямителей для регулиро­вания напряжения в широких преде­лах за счет изменения угла от­пирания управляемых вентилей имеет свои особенности. Одним из таких особенностей является то, что при большом значении ин­дуктив­ности нагрузки обеспечивается режим непрерывного тока.

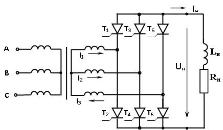
П р и н ц и п р а б о т ы т р е х ф а з н о г о м о с т о в о г о выпрямителя. Принцип регулирования напряжения на выходе мостовой схемы трехфазного управляемого выпрямителя, обеспечивающая на­именьшую пульсацию выходного напряжения, показана на рисунке 3.2.

Управляющие сигналы, откры­вающие тиристоры, подаются в после­довательности со сдвигом на 60°, т. е. m = 6, причем тири­сторы и открываются в положи­тель­ные, а тиристоры и – в отри­цательные полупериоды фаз­ных напряжений. Интервал проводи­мости каждого тиристора равен 120°, в каждый момент времени открыты два тиристора (по одному в плече моста) и напряжение на якоре определяется раз­ностью фазных напряже­ний двух вторичных обмоток трансформатора, т, е. ли­нейным напряже­нием. Сред­нее значение напряжения на нагрузке в соответст­вии с (3.1) имеет следующий вид

(2.7)

где – действующее значение линейного напряжения вторич­ной об­мотки трансформатора.

 

 
 
Рисунок 2. 6 – Схема трехфазного мостового управ­ляемого выпрямителя

 

 


На рисунке 3.3 приведены кривые тока и напряжения схемы трехфазного мостового управляемого вы­прямителя. Наличие индуктивности в фазах приводит к уменьше­нию среднего значения напряжения выпрямите­ля.

Рисунок 2. 7 – Кривые тока и напряжения схемы трехфазного мостового управляемого вы­прямителя

 


Контрольные вопросы:

1. Тиристорный выпрямитель является ли управляемым преобразователем;

2. Функция тиристорного выпрямителя заключается в;

3. Чем отличается двухполупериодный тиристорный выпрямитель от однополупериодного;

4. Какую функцию выполняет выпрямитель;

5. Чем отличается схема двухполупериодного тиристорного выпрямителя от двухполупериодного тиристорного преобразователя с нулем.

 

 



<== предыдущая лекция | следующая лекция ==>
Управляемые однофазные выпрямители | Устройство и принцип работы трансформатора


Карта сайта Карта сайта укр


Уроки php mysql Программирование

Онлайн система счисления Калькулятор онлайн обычный Инженерный калькулятор онлайн Замена русских букв на английские для вебмастеров Замена русских букв на английские

Аппаратное и программное обеспечение Графика и компьютерная сфера Интегрированная геоинформационная система Интернет Компьютер Комплектующие компьютера Лекции Методы и средства измерений неэлектрических величин Обслуживание компьютерных и периферийных устройств Операционные системы Параллельное программирование Проектирование электронных средств Периферийные устройства Полезные ресурсы для программистов Программы для программистов Статьи для программистов Cтруктура и организация данных


 


Не нашли то, что искали? Google вам в помощь!

 
 

© life-prog.ru При использовании материалов прямая ссылка на сайт обязательна.

Генерация страницы за: 1.084 сек.