русс | укр

Языки программирования

ПаскальСиАссемблерJavaMatlabPhpHtmlJavaScriptCSSC#DelphiТурбо Пролог

Компьютерные сетиСистемное программное обеспечениеИнформационные технологииПрограммирование

Все о программировании


Linux Unix Алгоритмические языки Аналоговые и гибридные вычислительные устройства Архитектура микроконтроллеров Введение в разработку распределенных информационных систем Введение в численные методы Дискретная математика Информационное обслуживание пользователей Информация и моделирование в управлении производством Компьютерная графика Математическое и компьютерное моделирование Моделирование Нейрокомпьютеры Проектирование программ диагностики компьютерных систем и сетей Проектирование системных программ Системы счисления Теория статистики Теория оптимизации Уроки AutoCAD 3D Уроки базы данных Access Уроки Orcad Цифровые автоматы Шпаргалки по компьютеру Шпаргалки по программированию Экспертные системы Элементы теории информации

Управляемые однофазные выпрямители


Дата добавления: 2015-08-31; просмотров: 1061; Нарушение авторских прав


В современных системах электропитания широко применя­ются управляемые по­лупроводниковые пре­образователи: управляемые выпря­мители, инверторы, преобразователи частоты. Все управляемые полупроводни­ковые пре­образователи подключаются к источнику энергии пе­ремен­ного на­пряжения. Принцип управле­ния состоит в том, что в положитель­ный полупе­риод вентиль по­добно ключу открывается и подает на­пряжение к нагрузке, причем момент отпирания вентиля можно регулировать. На­пряжение и ток на вы­ходе такого преобразователя содер­жат постоянные и пе­ремен­ные составляю­щие. Для анализа работы вентильных пре­образователей в зависимости от на­значения необходимо найти постоянные или переменные со­ставляющие на­пряжения и тока. Для этого опреде­ляют средние значе­ния этих величин за период из­ме­нения напряжения сети. Изменяя время (фазу) от­крытия вентиля, меняют сред­нее значение напряжения на выходе вентильного пре­образователя и, та­ким об­разом, управляют двигателями постоянного и переменного тока.

Управляемым вентилем является т и р и с т о р. Существует большое число различных схем управляемых выпрями­телей. По принципу действия и построе­ния они могут быть разделены на две группы: однополупериодные (схемы с нулевым проводом), в ко­торых используют только одну полуволну напряжения сети, и двухполупериодные (мостовые схемы), где используют обе полуволны переменно­го напряжения сети.

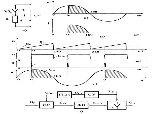
П р и н ц и п р а б о т ы о д н о п о л у п е р и о д н о й с х е м ы управляемого вы­пря­мителя – т и р и с т о р а. В тиристоре возможны два устойчивых состояния, одно из которых соответствует открытому, а второе – закрытому. Для того, чтобы открыть тиристор надо на управляющий электрод V3 (рисунок 2.1, а) подать управляющий импульс тока амплитудой и длительностью, достаточной для поддержания открытого состояния тиристора, при прохождении тока через тиристора. В открытом состоянии тиристор пропускает очень большие токи ( до нескольких сотен ампер) при этом оказывает малое сопротивление, т.е. на тиристоре практически не падает напряжение. В этом его преимущество. При применении тиристора, следует иметь в виду, что в момент открывания тиристора его сопротивление изменяется скачкообразно и это может привести к очень большим броскам тока. Особенно велики эти броски в тех схемах, где нагрузка R шунтируется конденсатором.



На рисунке 2.1, а) представлена простейшая однополупериодная схема управляемого вы­прямителя. К источнику синусоидального напряжения сети с ампли­ту­дой подключены нагрузка R и тиристор Т, который открывается в момент вре­мени, определяемый углом отпирания , подачей на упра­вляющий элек­трод V3импульса напряжения от схемы управления. В интервал к нагрузке подводится напряжение

. (2.1)

 

При активной нагрузке кривая вы­прямленного тока (рис. 2.1, в) по­вторяет кривую напря­жения (рис. 2.1, б). В момент вре­мени = 1800 ток уменьшается до нуля и тири­стор закрывается. Этот про­цесс повторяет­ся каждый положи­тельный по­лупериод (в отрицательный полу­период тиристор заперт напряже­нием сети).

Управление тиристором осуществляют импульсом возможно меньшей дли­тельности и несколько превы­шающей время включения тиристора. Время включения тиристора – это время перехода тиристора из его запертого в откры­тое состоя­ния. Необходимо также обеспечить достаточно крутой передний фронт управ­ляющего импульса, чтобы уменьшит потери мощности в тиристоре при вклю­чении, т.е. его нагрев.

Для управления тиристором применяют фазовый метод управления, кото­рый может быть реализо­ван с помо­щью фазосдвигающих способов. Одним из таких способов яв­ляется «вертикальный» способ уп­равления, основанный на сравне­нии опорного напряжения (обычно пилообразной формы) и постоян­ного напря­жения сигнала управления (рис. 2.1, г).

 

 

Рисунок 2.1 - Схема однополупериодного выпрямителя и кривые

тока и напряжения

Ра­венство мгновенных значений этих напряжений определяет фазу , при ко­торой схема вырабаты­вает им­пульс, затем усиливается, и по­да­ются на управляющий элект­род тири­стора. Изменение фазы управляющего импульса дости­гается изменением уровня напря­жения сигнала управления .

Схема управления тиристором приведена на рисунке 2.1, д). Опорное на­пряжение, вырабатываемое гене­ратором пилообразного напряжения (ГПН) синхронизированно с напряжением сети с помощью синхронизирующего уст­ройства (СУ) подается на схему сравнения (СС), на которую одновременно по­ступает и напряжение сигнала управления . Сигнал со схемы сравнения по­ступает на формирователь импульсов (ФИ), откуда в виде мощного, обладаю­щего крутым фронтом и регулируемого по фазе импульса подается на управ­ляющий электрод.

Схема управления тиристором приведена на рисунке 2.1, д). Опорное на­пряжение, вырабатываемое гене­ратором пилообразного напряжения (ГПН) синхронизированно с напряжением сети с помощью синхронизирующего уст­ройства (СУ), которая подается на схему сравнения (СС). Одновременно на схему сравнения по­ступает и напряжение сигнала управления . Сигнал со схемы сравнения по­ступает на формирователь импульсов (ФИ), откуда в виде мощного, обладаю­щего крутым фронтом и регулируемого по фазе импульса подается на управ­ляющий электрод.

Можно определить среднее за период значение напряжения на нагрузке на интервале , интегрируя выражение (2.1):

.

Учитывая, что между амплитудным и действующим значением напряжения справедливо соотношение

,

то между выпрямленным и действующим значением напряжения

. (2.2)

При максимальное значение выпрямленного напряжения будет равно

П р и н ц и п р а б о т ы д в у х п о л у п е р и о д н о й с х е м ы вы­пря­мителя. На рисунке 2.2 показана схема мостового двухполупериодного тири­стор­ного преобразователя. Процесс выпрямления переменного тока в постоян­ный происходит следующим образом. Если на вход мостовой схемы тиристоров по­дается положительная полуволна напряжения питающей сети (рис. 2.2, б) эта полуволна обозначена знаком плюс в кружочках), тогда должны быть от­крыты тиристоры Т1 и Т3.При этом ток будет протекать через тиристор Т1 , на­грузку R и Т3 кминусуисточника питания (знаком минус в кружочках). Это направление тока на ри­сунке 2.2, а) показано сплошной стрелкой.

При изменении полярно­сти напряжения питаю­щей сети (рисунке 2.2, б) отрица­тельная полуволна напряжения обозна­чена зна­ком плюс в квадратиках), должны быть открыты тиристоры Т2 и Т4, тогда ток будет протекать через тиристор Т2 , нагрузку R в том же направлении и через тиристор Т4 кминусуисточника питания. Это направление тока на ри­сунке 2.2, а) показано штрих­пунктирной стрелкой. Как видно из рисунка 2.2, а) направление тока в нагрузке и соответственно напряжение не меняется с изменением полярности источника питания.

Следует отметить, что отпирание тиристоров осуществляют, как и в про­стейшей схеме рисунка 2.2, а), в положительный полупериод напряжения пи­тающей сети, путем подачи на управляющие электроды отпирающих импуль­сов в мо­мент времени для тиристоров Т1 и Т2, а также в момент времени для тиристора Т3 и Т4 (рис. 2.2, а). Таким обра­зом, ток через нагрузку будет протекать в одном и том же направлении. При этом появляется возмож­ность регулирования среднего значения выпрям­лен­ного напряжения Uср и тем самым и тока в нагрузке.

 

Рисунок 2. 2 – Схема мостового двухполупериодного тирстоного преобразователя и кривые напряжения  

 

 

На рисунке 2.2, в) приведены кривые напряжения и тока нагрузки (заштри­хованы). Ток в цепи нагрузки может быть представлен в виде двух составляю­щих: постоянной и переменной. Постоянная составляющая оп­реде­ляется сред­ним значением напряжения, пе­ре­менная – зависит от способности схемы сгла­живать пульсации и от угла . Эта составляющая резко возрастает, когда ток становится прерывистым.

Среднее значение напряжения на на­грузке в этом режиме равняется

(2.3)

 

где U – действующее значение напряжения на входе управляемого выпрямителя.Следует отметить, что при актив­но – индуктив­ной на­грузке характер про­цессов в выпрямителе усложняются за счет индуктивности Lя.

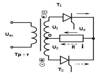
Существует другие схемы выпрямления, например двухполупериодный тиристорный преобразователь с нулем (рисунок 2.3). В этой схеме на вторичных обмотках трансформатора вывод с нулем.

 
 
Рисунок 2. 3 – Схема двухполупериодного тиристорного преобразователя с нулем  

 


На рисунке 2.4 приведены схема тиристорного преобразователя при наличии фильтра. Индуктивность уве­личивает электромаг­нитную постоян­ную времени, поэтому ток в индуктивности затягивается и ухудшается динами­ческие свойства тиристорного преобразователя. Анализ работы тиристорного преобразователя при индуктивной нагрузке показали, что при значитель­ной индуктивности регулирование напряжения на ней эффек­тивно лишь при изменении в пределах .

 

 

 
 
Рисунок 2. 4 – Схема мостового двухполупериодного тиристорного преобразователя и кривые напряжения при наличии фильтра  

 

 




<== предыдущая лекция | следующая лекция ==>
Введение | Управляемые трехфазные выпрямители


Карта сайта Карта сайта укр


Уроки php mysql Программирование

Онлайн система счисления Калькулятор онлайн обычный Инженерный калькулятор онлайн Замена русских букв на английские для вебмастеров Замена русских букв на английские

Аппаратное и программное обеспечение Графика и компьютерная сфера Интегрированная геоинформационная система Интернет Компьютер Комплектующие компьютера Лекции Методы и средства измерений неэлектрических величин Обслуживание компьютерных и периферийных устройств Операционные системы Параллельное программирование Проектирование электронных средств Периферийные устройства Полезные ресурсы для программистов Программы для программистов Статьи для программистов Cтруктура и организация данных


 


Не нашли то, что искали? Google вам в помощь!

 
 

© life-prog.ru При использовании материалов прямая ссылка на сайт обязательна.

Генерация страницы за: 1.274 сек.