Часто при создании чертежа приходится многократно размещать на нём одну и ту же группу объектов. Например, на схеме планировки дома архитектору приходится несколько раз размещать окна и двери. Инженер-электрик часто вычерчивает на схеме одни и те же условные обозначения. Механическое устройство может включать в себя множество гаек, болтов, обозначений обработки поверхностей и т.п. Для упрощения подобной работы в Автокаде применяются блоки. Блок – это группа объектов, которая записывается под определённым именем и хранится в базе данных чертежа с возможностью в дальнейшем многократной вставки в любой другой чертёж. Блок в Автокаде – это один объект, независимо от количества объектов, использованных для его создания.
Зачастую блоки сопровождаются специальным текстовым описанием – атрибутом. Будучи записан в блок, атрибут служит в качестве текстовой переменной – «ячейки», в которую при вставке блока можно записать некоторую строку. Это позволяет, однажды создав блок, в который входит атрибут, с каждой вставкой блока в чертёж связывать новую текстовую строку.
Цель работы:Освоить команды создания и вставки блоков, определения
и редактирования атрибутов
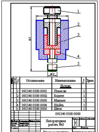
Задание: 1. Вычертить чертёж сборочной единицы изделия – ф.А4.
2. Проставить необходимые размеры.
3. Составить спецификацию согласно ГОСТ 2.108-68 и нанести номера позиций деталей на сборочном чертеже
4. Заполнить основную надпись.
