русс | укр

Языки программирования

ПаскальСиАссемблерJavaMatlabPhpHtmlJavaScriptCSSC#DelphiТурбо Пролог

Компьютерные сетиСистемное программное обеспечениеИнформационные технологииПрограммирование

Все о программировании


Linux Unix Алгоритмические языки Аналоговые и гибридные вычислительные устройства Архитектура микроконтроллеров Введение в разработку распределенных информационных систем Введение в численные методы Дискретная математика Информационное обслуживание пользователей Информация и моделирование в управлении производством Компьютерная графика Математическое и компьютерное моделирование Моделирование Нейрокомпьютеры Проектирование программ диагностики компьютерных систем и сетей Проектирование системных программ Системы счисления Теория статистики Теория оптимизации Уроки AutoCAD 3D Уроки базы данных Access Уроки Orcad Цифровые автоматы Шпаргалки по компьютеру Шпаргалки по программированию Экспертные системы Элементы теории информации

Математические модели дискретных устройств


Дата добавления: 2015-08-06; просмотров: 2553; Нарушение авторских прав


Анализ дискретных устройств на функционально-логическом уровне требуется прежде всего при проектировании устройств вычислительной техники и цифровой автоматики. Здесь дополнительно к допущениям, принимаемым при анализе аналоговых устройств, используют дискретизацию сигналов, причем базовым является двузначное представление сигналов. Удобно этими двумя возможными значениями сигналов считать "истину" (иначе 1) и "ложь" (иначе 0), а сами сигналы рассматривать как булевы величины. Тогда для моделирования можно использовать аппарат математической логики. Находят применение также трех- и более значные модели. Смысл значений сигналов в многозначном моделировании и причины его применения будут пояснены ниже на некоторых примерах.

Элементами цифровых устройств на функционально-логическом уровне служат элементы, выполняющие логические функции и возможно функции хранения информации.

Цифровые устройства с памятью рассматриваются как конечные автоматы. Конечный автомат характеризуется векторами входных сигналов , выходных сигналов , внутренних состояний , функциями переходов и выходов , причем (время измеряется в тактах):

— в случае автомата Мура,

— в случае автомата Мили.

Простейшими логическими элементами являются дизъюнктор, конъюнктор, инвертор, реализующие соответственно операции дизъюнкции (ИЛИ) , конъюнкции (И) , отрицания (НЕ) , где — выходной сигнал, и — входные сигналы. Число входов может быть и более двух. Условные схемные обозначения простых логических элементов показаны на рис. 1.

Рис. 1. Условные обозначения простых логических элементов

Математические модели устройств представляют собой систему математических моделей элементов, входящих в устройство, при отождествлении сигналов, относящихся к одному и тому же соединению элементов.



Различают синхронные и асинхронные модели.

Синхронная модель представляет собой систему логических уравнений, в ней отсутствует такая переменная как время, синхронные модели используют для анализа установившихся состояний.

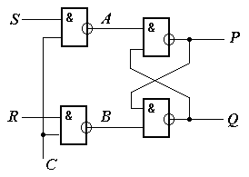
Примером синхронной модели может служить следующая система уравнений, полученная для логической схемы триггера (рис. 2):

Рис. 2. Логическая схема триггера

Асинхронные модели отражают не только логические функции, но и временные задержки в распространении сигналов. Асинхронная модель логического элемента имеет вид

(1)

где — задержка сигнала в элементе; — логическая функция. Запись (1) означает, что выходной сигнал принимает значение логической функции, соответствующее значениям аргументов , в момент времени . Следовательно, асинхронные модели можно использовать для анализа динамических процессов в логических схемах.

Термины синхронная и асинхронная модели можно объяснить ориентированностью этих моделей на синхронные и асинхронные схемы соответственно. В синхронных схемах передача сигналов между цифровыми блоками происходит только при подаче на специальные синхровходы тактовых (синхронизирующих) импульсов. Частота тактовых импульсов выбирается такой, чтобы к моменту прихода синхроимпульса переходные процессы от предыдущих передач сигналов фактически закончились. Следовательно, в синхронных схемах расчет задержек не актуален, быстродействие устройства определяется заданием тактовой частоты.

Синхронные модели можно использовать не только для выявления принципиальных ошибок в схемной реализации заданных функций. С их помощью можно обнаруживать места в схемах, опасные, с точки зрения, возникновения в них искажающих помех. Ситуации, связанные с потенциальной опасностью возникновения помех и сбоев, называют рисками сбоя.

Различают статический и динамический риски сбоя. Статический риск сбоя иллюстрирует ситуация рис. 3, если на два входа элемента И могут приходить перепады сигналов в противоположных направлениях, как это показано на рис. 3,б. Если вместо идеального случая, когда оба перепада приходят в момент времени , перепады вследствие разброса задержек придут неодновременно, причем так, как показано на рис. 3,б, то на выходе элемента появляется импульс помехи, который может исказить работу всего устройства. Для устранения таких рисков сбоя нужно уметь их выявлять. С этой целью применяют трехзначное синхронное моделирование.

Рис. 3. Статический риск сбоя

При этом тремя возможными значениями сигналов являются , и , причем значение интерпретируется как неопределенность. Правила выполнения логических операций И, ИЛИ, НЕ в трехзначном алфавите очевидны из рассмотрения табл. 1. В ней вторая строка отведена для значений одного аргумента, а первый столбец — для значений второго аргумента, значения функций представлены ниже второй строки и правее первого столбца.

Таблица 1

Операция И ИЛИ НЕ
Аргумент
-
-

При анализе рисков сбоя на каждом такте вместо однократного решения уравнений модели производят двукратное решение, поэтому можно говорить об исходных, промежуточных (после первого решения) и итоговых (после второго решения) значениях переменных. Для входных сигналов допустимы только такие последовательности исходных, промежуточных и итоговых значений: . Для других переменных появление последовательности или означает неопределенность во время переходного процесса, т.е. возможность статического риска сбоя.

Для простейшей схемы (рис. 3,а) результаты трехзначного моделирования представлены в табл. 2.

Таблица 2

Значение
Исходное
Промежуточное
Итоговое

 

Динамический риск сбоя иллюстрируют схема и временные диаграммы рис. 4. Сбой выражается в появлении вместо одного перепада на выходе, что имеет место при правильном функционировании, нескольких перепадов. Обнаружение динамических рисков сбоя также выполняют с помощью двукратного решения уравнений модели, но при использовании пятизначного алфавита с множеством значений , где интерпретируется как положительный перепад, — как отрицательный перепад, остальные символы имеют прежний смысл.

В отсутствие сбоев последовательности значений переменных в исходном, промежуточном и итоговом состояниях могут быть такими: . Последовательности или указывают на динамический риск сбоя.

Рис. 4. Динамический риск сбоя

Трехзначный алфавит можно использовать и в асинхронных моделях. Пусть в модели в момент времени входы таковы, что в момент времени происходит переключение выходного сигнала . Но если учитывать разброс задержек, то принимает некоторое случайное значение в диапазоне и, следовательно, в модели в интервале времени от до сигнал должен иметь неопределенное значение . Именно это и достигается с помощью трехзначного асинхронного моделирования.



<== предыдущая лекция | следующая лекция ==>
Моделирование аналоговых устройств на функциональном уровне | Методы логического моделирования


Карта сайта Карта сайта укр


Уроки php mysql Программирование

Онлайн система счисления Калькулятор онлайн обычный Инженерный калькулятор онлайн Замена русских букв на английские для вебмастеров Замена русских букв на английские

Аппаратное и программное обеспечение Графика и компьютерная сфера Интегрированная геоинформационная система Интернет Компьютер Комплектующие компьютера Лекции Методы и средства измерений неэлектрических величин Обслуживание компьютерных и периферийных устройств Операционные системы Параллельное программирование Проектирование электронных средств Периферийные устройства Полезные ресурсы для программистов Программы для программистов Статьи для программистов Cтруктура и организация данных


 


Не нашли то, что искали? Google вам в помощь!

 
 

© life-prog.ru При использовании материалов прямая ссылка на сайт обязательна.

Генерация страницы за: 1.069 сек.