русс | укр

Языки программирования

ПаскальСиАссемблерJavaMatlabPhpHtmlJavaScriptCSSC#DelphiТурбо Пролог

Компьютерные сетиСистемное программное обеспечениеИнформационные технологииПрограммирование

Все о программировании


Linux Unix Алгоритмические языки Аналоговые и гибридные вычислительные устройства Архитектура микроконтроллеров Введение в разработку распределенных информационных систем Введение в численные методы Дискретная математика Информационное обслуживание пользователей Информация и моделирование в управлении производством Компьютерная графика Математическое и компьютерное моделирование Моделирование Нейрокомпьютеры Проектирование программ диагностики компьютерных систем и сетей Проектирование системных программ Системы счисления Теория статистики Теория оптимизации Уроки AutoCAD 3D Уроки базы данных Access Уроки Orcad Цифровые автоматы Шпаргалки по компьютеру Шпаргалки по программированию Экспертные системы Элементы теории информации

В матричной форме эта система запишется


Дата добавления: 2015-07-23; просмотров: 535; Нарушение авторских прав


 
 

 

где - матрица сопротивлений системы контурных уравнений;

- вектор - столбец контурных токов;

 
 

- вектор столбец контурных ЭДС.

Запишем и в системе MathCAD.

 

 

 
 

 

 
 

Тогда исходные контурные токи можно получить:

 

 
 

Получим токи ветвей.

 
 

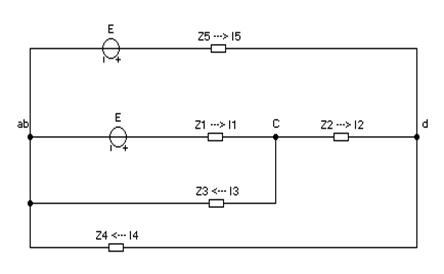
Наконец выполним тот же расчёт методом узловых потенциалов. Непосредственно для исходной цепи, изображенной на рис 1.2, метод узловых потенциалов применять нельзя, т.к. проводимость ветви содержащей источник ЭДС, равно бесконечности. Поэтому сделаем эквивалентное преобразование цепи путём переноса источника в смежные ветви ad и ac. После этого узлы а и b объединятся в один узел аb. После такого преобразования цепь примет вид, показанный на рис.2.1.

 

Рисунок 2.1 - Схема электрической цепи на рис 1.2 после переноса ЭДС.

 

Преобразованная цепь имеет три узла ab, c, d. Положим потенциал одного из узлов, например ab, равным нулю: , тогда для узлов с, d система потенциальных уравнений имеет вид:

 

 

 
 

 

Или в матричной форме:

 
 

 

В системе MathCAD запишем выражения для вычисления элементов матрицы Y и I.

Напомним, что в матрице Y только диагональные элементы имеют знак плюс, а остальные – знак минус. Диагональные элементы имеют следующий смысл: Ycc есть сумма проводимостей ветвей, сходящихся к узлу «с», Ydd – сумма проводимостей ветвей, сходящихся к узлу «d».

 

 
 

 
 

 
 

 
 

 
 

 

Определим токи в ветвях.

 
 



 
 

 

 
 

 

Вывод: Все методы расчёта дали один и тот же результат, следовательно, расчёты верны. Наиболее простым для данной цепи является метод контурных токов.

 



<== предыдущая лекция | следующая лекция ==>
Max(v)- возвращает максимальный элемент | Описание программы - функции и локальной оператор присваивания


Карта сайта Карта сайта укр


Уроки php mysql Программирование

Онлайн система счисления Калькулятор онлайн обычный Инженерный калькулятор онлайн Замена русских букв на английские для вебмастеров Замена русских букв на английские

Аппаратное и программное обеспечение Графика и компьютерная сфера Интегрированная геоинформационная система Интернет Компьютер Комплектующие компьютера Лекции Методы и средства измерений неэлектрических величин Обслуживание компьютерных и периферийных устройств Операционные системы Параллельное программирование Проектирование электронных средств Периферийные устройства Полезные ресурсы для программистов Программы для программистов Статьи для программистов Cтруктура и организация данных


 


Не нашли то, что искали? Google вам в помощь!

 
 

© life-prog.ru При использовании материалов прямая ссылка на сайт обязательна.

Генерация страницы за: 1.035 сек.