русс | укр

Языки программирования

ПаскальСиАссемблерJavaMatlabPhpHtmlJavaScriptCSSC#DelphiТурбо Пролог

Компьютерные сетиСистемное программное обеспечениеИнформационные технологииПрограммирование

Все о программировании


Linux Unix Алгоритмические языки Аналоговые и гибридные вычислительные устройства Архитектура микроконтроллеров Введение в разработку распределенных информационных систем Введение в численные методы Дискретная математика Информационное обслуживание пользователей Информация и моделирование в управлении производством Компьютерная графика Математическое и компьютерное моделирование Моделирование Нейрокомпьютеры Проектирование программ диагностики компьютерных систем и сетей Проектирование системных программ Системы счисления Теория статистики Теория оптимизации Уроки AutoCAD 3D Уроки базы данных Access Уроки Orcad Цифровые автоматы Шпаргалки по компьютеру Шпаргалки по программированию Экспертные системы Элементы теории информации

Работа с комплексными числами


Дата добавления: 2015-07-23; просмотров: 1028; Нарушение авторских прав


Система может производить вычисления, как с действительными, так и с комплексными числами, которые представляются в алгеброической форме:

z:= a+bi,

где a – реальная часть комплексного числа z,

b – мнимая часть,

i – мнимая единица (система допускает записывать так же j).

Между числовым значением мнимой части мнимой части и символом i никакого знака не ставится. Если мнимая часть б задана не числом, а идентификатором, то мнимую часть нужно писать как умноженную на 1i.

Комплексные числа могут быть аргументами и значениями различных функций и операторов. Ниже приводятся операторы для выполнения арифметических действий над комплексными числами.

 

Операторы Набор на клавиатуре Назначение оператора
|z| |z Выражение модуля комплексного z
Z” Вычисление комплексно сопряжённого с z числа

 

Встроенные функции комплексного аргумента:

Re (z) - выделение действительной части z

Im (z) - выделение мнимой части z

arg(z) - вычисление аргумента комплексного числа z.

 

 
 

Пример 1.4: Вычислить эквивалентное сопротивление параллельного включения сопротивлений z1=2+3i и z2=5+10 i.

Рисунок 1.1- Параллельное соединение комплексных сопротивлений

 
 

Пример 1.5. Расчет электрических цепей методом эквивалентных преобразований

 

Цель: изучить правила упрощений электрических цепей с помощью эквивалентных преобразований, а также усвоить простейшие приемы работы с вещественными и комплексными числами системы MathCAD.

 
 

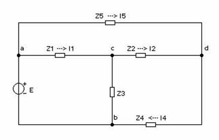
Пусть задана электрическая цепь, изображённая на рис. 1.2.

 

Рисунок 1.2 - Исходная схема электрической цепи.

Требуется методом эквивалентных преобразований найти токи в ветвях при заданных значениях комплексных сопротивлений и ЭДС:



z1=2+3i; z2=4+5i; z3= ;

z4=10i; z5=-8.1i; E=25.2 .

Вначале все комплексные величины, заданные в показательной форме, переведём в алгебраическую форму, в которой MathCAD производит все вычисления (версии MathCAD-2000 и выше эта операция производится автоматически).

 

Зададим все остальные исходные данные

 
 

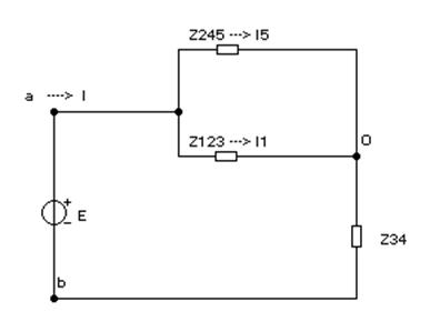
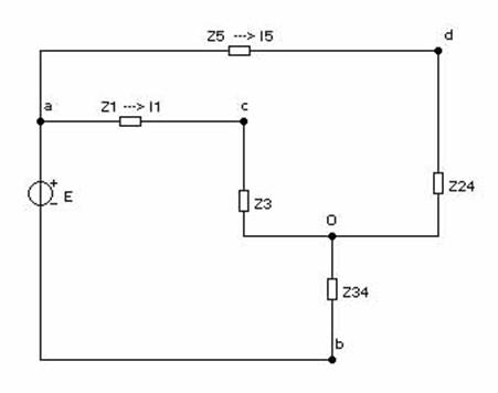
Преобразуем треугольник z2, z3, z4 в эквивалентную звезду, после чего схема приобретает более простой вид (см. рис. 1.3):

Рисунок 1.3 – Схема электрической цепи после преобразования треугольника в звезду

 

Сопротивления лучей звезды вычисляются по формулам:

 

 

 

z5 и z24 соединены последовательно и эквивалентны сопротивления равно их сумме:

 

 

z1 и z23 так же соединены последовательно:

 

 

 
 

После этих преобразований схема упрощается.

Рисунок 1.4 – Схема после упрощения

 

Теперь из схемы на рис. 1.4 видно, что z123 и z245 соединены параллельно, следовательно, их эквивалентное сопротивление равно

 

 

Эквивалентное сопротивление относительно узлов a, b равно сумме сопротивлений z1_5 и z34:

 

Ток в ветви с источником найдём по закону Ома:

 

 

Напряжение между узлами a, o найдём по закону Ома

 

 

Напряжение Uob также находится по закону Ома

 

 

Токи I1 и I5 схемы рис. 1.4 найдём по закону Ома

 

 

Напряжения Udo и Uco также найдём по закону Ома:

 

 

Напряжение между узлами c и d найдём как разность напряжений Uco и Udo

 

Напряжения между узлами c и b , а так же d и b, ищем как суммы

 

 

Теперь, когда известны напряжения между всеми узлами электрической цепи на рис. 1.4 найдём все токи исходной цепи

 

 

Выполним проверку по законам Кирхгофа.

Найдём погрешность по токам

 

 



<== предыдущая лекция | следующая лекция ==>
Обратные гиперболические функции | Векторы и матрицы


Карта сайта Карта сайта укр


Уроки php mysql Программирование

Онлайн система счисления Калькулятор онлайн обычный Инженерный калькулятор онлайн Замена русских букв на английские для вебмастеров Замена русских букв на английские

Аппаратное и программное обеспечение Графика и компьютерная сфера Интегрированная геоинформационная система Интернет Компьютер Комплектующие компьютера Лекции Методы и средства измерений неэлектрических величин Обслуживание компьютерных и периферийных устройств Операционные системы Параллельное программирование Проектирование электронных средств Периферийные устройства Полезные ресурсы для программистов Программы для программистов Статьи для программистов Cтруктура и организация данных


 


Не нашли то, что искали? Google вам в помощь!

 
 

© life-prog.ru При использовании материалов прямая ссылка на сайт обязательна.

Генерация страницы за: 5.564 сек.