русс | укр

Языки программирования

ПаскальСиАссемблерJavaMatlabPhpHtmlJavaScriptCSSC#DelphiТурбо Пролог

Компьютерные сетиСистемное программное обеспечениеИнформационные технологииПрограммирование

Все о программировании


Linux Unix Алгоритмические языки Аналоговые и гибридные вычислительные устройства Архитектура микроконтроллеров Введение в разработку распределенных информационных систем Введение в численные методы Дискретная математика Информационное обслуживание пользователей Информация и моделирование в управлении производством Компьютерная графика Математическое и компьютерное моделирование Моделирование Нейрокомпьютеры Проектирование программ диагностики компьютерных систем и сетей Проектирование системных программ Системы счисления Теория статистики Теория оптимизации Уроки AutoCAD 3D Уроки базы данных Access Уроки Orcad Цифровые автоматы Шпаргалки по компьютеру Шпаргалки по программированию Экспертные системы Элементы теории информации

Состав библиотеки и основные особенности


Дата добавления: 2015-06-12; просмотров: 813; Нарушение авторских прав


Состав библиотеки

Библиотека SimPowerSystems имеет семь основных разделов:

· Electrical Sources - источники электрической энергии

· Connectors - соединители

· Measurements - измерительные и контрольные устройства;

· Elements - электротехнические элементы

· Power Electronics - устройства силовой электроники

· Machines - электрические машины

· Powerlib Extras - дополнительные электротехнические устройства

Используя блоки из этих разделов, пользователь в состоянии за короткое время создать полноценную модель достаточно сложной электротехнической системы.

Основные особенности

Методика создания SPS-модели ни чем не отличается от методики создания модели на основе базовой библиотеки Simulink. Так же как и для обычной Simulink-модели (S-модели), необходимо выполнить расстановку блоков на схеме, задать их параметры, соединить блоки и установить параметры расчета модели в целом. Для SPS-моделей доступен ускоренный режим расчета и все возможности Simulink, включая набор инструментов Simulink Performance Tools, линейный анализ, отладчик и т.д. Однако SPS-модели имеют и некоторые особенности:

1. Входы и выходы SPS-блоков, в отличие от блоков Simulink, не показывают направление передачи сигнала, поскольку фактически являются эквивалентами электрических контактов. Таким образом, электрический ток может через вход или выход блока протекать в двух направлениях: как вовнутрь блока, так и наружу.

2. Соединительные линии между блоками являются, по сути, электрическими проводами, по которым ток может протекать также в двух направлениях. В Simulink-моделях же информационный сигнал распространяется только в одном направлении - от выхода одного блока к входу другого.

3. Simulink-блоки и SimPowerSystems-блоки не могут быть непосредственно соединены друг с другом. Сигнал от S-блока можно передать к SPS-блоку через управляемые источники тока или напряжения, а наоборот - с помощью измерителей тока или напряжения.



4. Несколько линий связи (проводов) могут быть соединены между собой. Для выполнения такого соединения должны использоваться специальные блоки - Connectors (соединители).

5. При расчете схемы содержащей нелинейные блоки следует использовать методы:

· ode15s - многошаговый метод переменного порядка (от 1 до 5), использующий формулы численного дифференцирования,

· ode23tb - неявный метод Рунге-Кутта в начале решения и метод, использующий формулы обратного дифференцирования 2-го порядка в последующем,

которые дают наилучшие результаты по быстродействию

Пример:

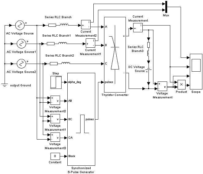
На рис. 1.1 приведена модель трехфазного мостового тиристорного преобразователя работающего на активно-индуктивную нагрузку и противо-ЭДС.

Рис. 1.1

В модели преобразователя использованы как блоки библиотеки SimPowerSystems (источники переменного напряжения, тиристорный мост, система управления, RLC-цепи, измерители тока и напряжения), так и блоки основной библиотеки Simulink (осциллограф, блок ступенчатого сигнала, сумматоры и т.д.). Вычисление мгновенной мощности в нагрузке выполняется путем перемножения сигналов пропорциональных току и напряжению нагрузки, которые формируются с помощью соответствующих измерителей.

На схеме модели показаны изображения резистора и катушки индуктивности в соответствии со стандартом принятым в России. Если не предпринимать специальных мер, то изображения этих элементов будут выглядеть в соответствии со стандартом США. Каким образом можно изменить пиктограммы элементов, описано в разделе советов пользователям.

На рис. 1.2 показаны осциллограммы токов, напряжений и мощности в различных участках схемы. На рисунке хорошо видно, что при переходе преобразователя в инверторный режим мощность в нагрузке меняет знак, хотя направление тока остается прежним.

Рис. 1.2

Скачать пример (converter_6_pulse.zip)

Единицы измерения электрических и неэлектрических величин

При указании параметров элементов могут использоваться абсолютные и относительные единицы. Система абсолютных единиц приведена в таблице 1.1.

Таблица 1.1

Параметр Обозначение Единицы измерения
Time (время) second s(с)
Length (расстояние) meter m(м)
Mass (масса) kilogram kg (кг)
Energy (энергия) joule J (Дж)
Current (ток) ampere A (А)
Voltage (напряжение) volt V (В)
Active power (активная мощность ) watt W (Вт)
Apparent power (полная мощность) volt-ampere VA (ВА)
Reactive power (реактивная мощность) var var (ВАр)
Impedance (полное сопротивление) ohm Ohm (Ом)
Resistance (сопротивление) ohm Ohm (Ом)
Inductance (индуктивность) henry H (Гн)
Capacitance (емкость) farad F (Ф)
Flux linkage (потокосцепление) volt-second V*s(B*c)
Rotation speed (угловая скорость) radians per second rad/s (рад/с)
  revolutions per minute rpm (Об/мин)
Torque (момент) newton-meter N*m(Н*м)
Inertia (момент инерции) kilogram-meter2 kg*m2(кг*м2)
Friction factor (коэффициент трения) newton-meter-second N*m*s(Н*м*с)

В некоторых моделях для задания параметров используются также и относительные единицы (p.u., о.е.). Общая формула для перехода к относительным единицам имеет вид:

,

где Y - значение физической величины (параметра, переменной и т.п.) в исходной системе единиц, например, в системе единиц СИ,

Yб - базисное (базовое) значение физической величины, выраженное в той же системе единиц и принятое в качестве единицы измерения величины Y в системе относительных единиц.

Основными базисными единицами электрических величин, при для разработки моделей в SimPowerSystem выбраны две независимые величины:

· Pб - базисная мощность, равная номинальной активной мощности устройства (Pн),

· Uб - базисное напряжение, равное номинальному действующему значению напряжения питания устройства (Uн).

Все остальные электрические базисные единицы определяются через эти две единицы. Например, базисный электрический ток:

,

базисное сопротивление:

.

Для цепей переменного тока должна задаваться базисная частота , равная, как правило, номинальной частоте питающего напряжения .

Для трансформатора, имеющего несколько обмоток, одна и та же мощность (номинальная мощность трансформатора) будет использоваться для всех обмоток. Однако, в соответствии приведенными выше выражениями, каждая обмотка может иметь разные базисные напряжение, ток и сопротивление.

Для асинхронной электрической машины дополнительно задаются:

- базисная угловая скорость,

- базисный момент.

Вместо момента инерции, при задании параметров машины в относительных единицах, используется инерционная постоянная:

,

где J - момент инерции,

- угловая скорость вращения магнитного поля.

Инерционная постоянная выражается в секундах. Величина инерционной постоянной показывает, какое время вал электрической машины будет вращаться под действием запасенной кинетической энергии во вращающихся частях машины при номинальной нагрузке. Для машин большой мощности значение этой постоянной лежит в пределах 3 - 5 с. Для машин малой мощности эта величина меньше: 0.5 - 0.7 с.

Пример 1:

Параметры трехфазного двухобмоточного трансформатора имеют следующие значения (таблица 1.2):

Таблица 1.2

Параметр Обозначение Значение Единицы измерения
Число фаз m -
Nominal power (номинальная мощность) Pн кВА
Nominal frequency (номинальная частота сети) Гц
Первичная обмотка:
Схема соединения - звезда -
Nominal voltage (номинальное напряжение) U1н кВ
Line-to-line resistance (межфазное сопротивление) R1* 0.01 о.е.
Leakage reactance (Индуктивность рассеяния) L1* 0.02 о.е.
Вторичная обмотка:
Схема соединения - треугольник -
Nominal voltage (номинальное напряжение) U2н В
Line-to-line resistance (межфазное сопротивление) R2* 0.01 о.е.
Leakage reactance (Индуктивность рассеяния) L2* 0.02 о.е.
Magnetizing losses at nominal voltage in % of nominal current (потери на намагничивание при номинальном напряжении в % от номинального тока):
Resistive (активные) I10a %
Inductive (реактивные) I10p %

Выражения для определения базисных единиц и их значения приведены в таблице 1.3.

Таблица 1.3

Параметр Расчетное выражение Значение Единицы измерения
Frequency (частота) Гц
Первичная обмотка:
Power (Мощность) 100*103 ВА
Voltage (Напряжение) B
Current (ток) 6.928 А
Impedance (полное сопротивление) Ом
Resistance (активное сопротивление) Ом
Inductance (Индуктивность) 5.525 Гн
Вторичная обмотка:
Power (Мощность) 100*103 ВА
Voltage (Напряжение) B
Current (ток) 166.7 А
Impedance (полное сопротивление) 3.60 Ом
Resistance (активное сопротивление) 3.60 Ом
Inductance (Индуктивность) 0.009549 Гн

Значения параметров обмоток в абсолютных единицах могут быть определены следующим образом:

· Первичная обмотка:

· Вторичная обмотка:

Для цепи намагничивания значение активных потерь равное 1% и значение реактивных потерь равное 1% означает, что активное сопротивление цепи намагничивания равно 100 о.е. и реактивное сопротивление цепи намагничивания равно 100 о.е. Следовательно, абсолютные значения параметров цепи намагничивания равны:

,

.

 

Пример 2:

Параметры трехфазного четырехполюсного асинхронного двигателя с фазным ротором имеют следующие значения (таблица 1.4):

 

Таблица 1.4

Параметр Обозначение Значение Единицы измерения
Число фаз m -
Число пар полюсов p -
Nominal power (номинальная мощность) Pн ВА
Nominal frequency (номинальная частота сети) Гц
Line-to-line voltage (номинальное линейное напряжение) Uн В
Mutual inductance (взаимоиндуктивность обмоток) Lm 69.31 mГн
Rotor inertia (момент инерции ротора) J 0.089 кг*м2
Параметры статора:
Активное сопротивление Rs 0.435 Ом
Индуктивность Ls 0.002 Гн
Параметры ротора, приведенные к статору:
Активное сопротивление R'r 0.816 Ом
Индуктивность L'r 0.002 Гн

 

Выражения для определения базисных единиц и их значения приведены в таблице 1.5.

 

Таблица 1.5

Параметр Расчетное выражение Значение Единицы измерения
Power (Мощность) ВА
Frequency (частота) Гц
Voltage (Напряжение) 127.0 B
Current (ток) 5.874 А
Impedance (полное сопротивление) 21.62 Ом
Resistance (активное сопротивление) 21.62 Ом
Inductance (Индуктивность) 0.05735 Гн
Speed (скорость) 188.5 рад/с
Torque (Момент) 11.87 H*м

Значения параметров обмоток двигателя и цепи намагничивания могут быть определены следующим образом:

· Сопротивление статора

· Индуктивность статора:

· Сопротивление ротора:

· Индуктивность ротора:

Величина инерционной постоянной равна:

Рассчитанные параметры асинхронной машины заданы "по умолчанию" для модели машины в относительных единицах (блок Asynchronous Machine pu Units).

При наблюдении переменных блоком Scope следует иметь в виду, что блок показывает мгновенные значения переменных. Иными словами, максимальное значение синусоидальной переменной, показываемое осциллографом, будет в больше, чем заданное в параметрах блока действующее значение.

Использование относительных единиц имеет следующие преимущества:

· Облегчается сравнение значений переменных в разных режимах работы. Например, если величина напряжения какого-либо участка электрической цепи равна 1.5 о.е., то это означает, что величина напряжения этого участка в 1.5 раза больше, чем номинальное питающее напряжение.

· Величины полных сопротивлений слабо меняются при изменении мощности и питающего напряжения устройства. Например, для всех трансформаторов в диапазоне мощностей от 3 до 300 кВА реактивное сопротивление рассеяния изменяется в пределах между 0.01 и 0.03 о.е., а сопротивления обмоток изменяются от 0.01 до 0.005 о.е., безотносительно номинального напряжения. В свою очередь, для трансформаторов в диапазоне мощностей от 300 кВА до 300 МВА реактивное сопротивление рассеяния изменяется в пределах между 0.03 и 0.12 о.е., а сопротивления обмоток изменяются от 0.005 до 0.002 о.е. Таким образом, если параметры трансформатора мощностью 10 кВА не известны, не будет большой ошибкой принять среднее значение 0.02 о.е. для реактивности рассеяния и 0.0075 о.е. для обмоточных сопротивлений.

· Вычисления в относительных единицах упрощены. Когда все полные сопротивления энергетической системы вычислены на общей энергетической базе и номинальных напряжениях подсетей, то общее полное сопротивление может быть вычислено простым суммированием полных сопротивлений подсетей без учета коэффициентов трансформации.



<== предыдущая лекция | следующая лекция ==>
механизмы реализации стратегии. ССП. | Electrical Sources - источники электрической энергии


Карта сайта Карта сайта укр


Уроки php mysql Программирование

Онлайн система счисления Калькулятор онлайн обычный Инженерный калькулятор онлайн Замена русских букв на английские для вебмастеров Замена русских букв на английские

Аппаратное и программное обеспечение Графика и компьютерная сфера Интегрированная геоинформационная система Интернет Компьютер Комплектующие компьютера Лекции Методы и средства измерений неэлектрических величин Обслуживание компьютерных и периферийных устройств Операционные системы Параллельное программирование Проектирование электронных средств Периферийные устройства Полезные ресурсы для программистов Программы для программистов Статьи для программистов Cтруктура и организация данных


 


Не нашли то, что искали? Google вам в помощь!

 
 

© life-prog.ru При использовании материалов прямая ссылка на сайт обязательна.

Генерация страницы за: 0.058 сек.