Исследование D-триггера
а) Соберите схему, изображенную на рис. Включите схему. Убедитесь в том, что:
при R=1, S=0 триггер устанавливается в Q=1 независимо от состояния остальных входов;
при R=0, S=1 триггер устанавливается в Q=0 независимо от состояния остальных входов.
б) Установите S=R=1, составьте таблицу состояний для входов D и С.
в) Составьте временные диаграммы работы триггера для всех возможных комбинаций Q, D, C.

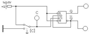
Исследование работы D-триггера в счетном режиме.
f)Соберите схему, изображенную на рис. Подавая на счетный вход С актовые импульсы с помощью ключа [С] и определяя состояние выходов триггера при помощи пробников, составьте и зарисуйте временные диаграммы работы триггера в счетном режиме.
