русс | укр

Языки программирования

ПаскальСиАссемблерJavaMatlabPhpHtmlJavaScriptCSSC#DelphiТурбо Пролог

Компьютерные сетиСистемное программное обеспечениеИнформационные технологииПрограммирование

Все о программировании


Linux Unix Алгоритмические языки Аналоговые и гибридные вычислительные устройства Архитектура микроконтроллеров Введение в разработку распределенных информационных систем Введение в численные методы Дискретная математика Информационное обслуживание пользователей Информация и моделирование в управлении производством Компьютерная графика Математическое и компьютерное моделирование Моделирование Нейрокомпьютеры Проектирование программ диагностики компьютерных систем и сетей Проектирование системных программ Системы счисления Теория статистики Теория оптимизации Уроки AutoCAD 3D Уроки базы данных Access Уроки Orcad Цифровые автоматы Шпаргалки по компьютеру Шпаргалки по программированию Экспертные системы Элементы теории информации

Логические элементы И


Дата добавления: 2014-11-28; просмотров: 1162; Нарушение авторских прав


 

Эти элементы реализуют функцию логического умножения (конъюнкции). Функции являются как минимум двухместными либо многоместными и описываются следующими логическими выражениями:

X = a&b = a Ù b = a·b = ab. (1.6)

Символы конъюнкции & и Ù допускается заменять точкой, либо совсем не ставить. Выходной сигнал элемента И принимает значение лог.1 только в том случае, если все входные сигналы принимают значение лог.1. На рис.1.4 приведены условные графические обозначения и карты Карно для двухвходового (рис.1.4,а и б) и трёхвходового (рис.1.4,в и г) логического элемента И.

 
 

 

Рис.1.4. Условные графические обозначения элементов И: двухвходового (а),

трёхвходового (в), карты Карно логических функций 2И (б) и 3И (г)

 

Как видно из приведённых булевых матриц, конъюнкция равна лог.1 только в единственном случае, когда все аргументы - и первый, и второй, и третий и т.д. - одновременно принимают значение лог.1. Поэтому такие элементы называют схемами совпадения, реже встречается название «конъюнкторы», а описывающие их функции, иногда - функциями И. В сериях ИМС выпускаются различные логические элементы И, например, микросхема К155ЛИ1 содержит 4 элемента 2И (двухвходовых). Отличие заключается в разном числе входов у различных элементов.

Приведёнными на рис.1.4,б и рис.1.4,г матрицами иллюстрируются правила логического умножения, а показанные УГО соответствуют соглашениям положительной логики.

 
 

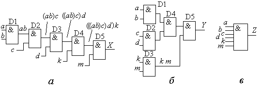
Благодаря справедливым в булевой алгебре переместительному и сочетательному законам, входы логических многовходовых элементов И являются логически равнозначными, а многовходовой логический элемент И можно получить из нескольких двухвходовых элементов И. Так, на рис.1.5 приведе

 
 



ны два варианта построения логического элемента И с шестью входами (6И) на двухвходовых элементах И (2И).

 

Все приведённые на рис.1.5 схемы логически эквивалентны и, в свою очередь, они эквивалентны условному графическому обозначению 6-тивходового логического элемента И (рис.1.5,в). Вместе с тем, схемы описываются различными по форме записи логическими выражениями:

X = ((((a·bcdkm ― схема рис. 1.5,а; (1.7)

Y = ((ab)·(cd))·(km) ― схема рис. 1.5,б; (1.8)

а условному обозначению элемента 6И соответствует следующее выражение:

Z = abcdkm. (1.9)

Хотя в соответствии с упомянутыми законами булевой алгебры от перемены мест сомножителей логическое произведение не меняется и скобки в выражениях логического произведения можно не ставить, тем не менее, выражения (1.7), (1.8) и (1.9) несут информацию о способах построения схем. Таким образом, указанные выражения можно считать «логико-математическими моделями» приведённых схем и в том числе УГО элемента 6И.

Следует заметить, что при описании логических комбинационных устройств с помощью булевых выражений, как правило, абстрагируются от фактора времени. Такое описание соответствует описанию устройств в статике - при установившихся значениях входных сигналов (и переменных). Считается, что изменение входных и выходных сигналов происходят мгновенно, аналогично меняются значения аргументов и значения самих логических функций. В то же самое время реальные элементы имеют конечное время перехода из одного состояния в другое или, как принято говорить, обладают конечным (не равным нулю) временем распространения сигналов от входов к выходу элемента либо устройства. С учётом сказанного, следует отдать предпочтение схеме рис.1.5,б, в которой время распространения сигналов от входов, помеченных аргументами функций, к выходу схемы в среднем меньше. В источнике [5] содержатся сведения о временных логических функциях, которые можно применять для описания схем с временными задержками.

 



<== предыдущая лекция | следующая лекция ==>
Логические элементы НЕ | Логические элементы ИЛИ


Карта сайта Карта сайта укр


Уроки php mysql Программирование

Онлайн система счисления Калькулятор онлайн обычный Инженерный калькулятор онлайн Замена русских букв на английские для вебмастеров Замена русских букв на английские

Аппаратное и программное обеспечение Графика и компьютерная сфера Интегрированная геоинформационная система Интернет Компьютер Комплектующие компьютера Лекции Методы и средства измерений неэлектрических величин Обслуживание компьютерных и периферийных устройств Операционные системы Параллельное программирование Проектирование электронных средств Периферийные устройства Полезные ресурсы для программистов Программы для программистов Статьи для программистов Cтруктура и организация данных


 


Не нашли то, что искали? Google вам в помощь!

 
 

© life-prog.ru При использовании материалов прямая ссылка на сайт обязательна.

Генерация страницы за: 0.984 сек.