Таблица 10.1
| Унитарный код
| Двоичный код
|
| SB1
| SB2
| SB3
| SB4
| SB5
| SB6
| SB7
| SB8
| Q4
| Q3
| Q2
| Q1
|
|
|
|
|
|
|
|
|
|
|
|
|
|
|
|
|
|
|
|
|
|
|
|
|
|
|
|
|
|
|
|
|
|
|
|
|
|
|
|
|
|
|
|
|
|
|
|
|
|
|
|
|
|
|
|
|
|
|
|
|
|
|
|
|
|
|
|
|
|
|
|
|
|
|
|
|
|
|
|
|
|
|
|
|
|
|
|
|
|
|
|
|
|
|
|
|
|
|
|
|
|
|
|
|

Рис. 10.1. Шифратор на диодах

Рис. 10.2. Функциональная схема шифратора

Рис. 10.3. Схема выделения старшей единицы

Рис. 10.4. Упрощенная структура приоритетного шифратора и его обозначение
Таблица10.2
| ВХОД
| ВЫХОД
|
|
|
|
|
|
|
|
|
|
|
|
|
|
|
|
| X
| X
| X
| X
| X
| X
| X
| X
|
|
|
|
|
|
|
|
|
|
|
|
|
|
|
|
|
|
|
|
|
|
| X
| X
| X
| X
| X
| X
| X
|
|
|
|
|
|
|
|
| X
| X
| X
| X
| X
| X
|
|
|
|
|
|
|
|
|
| X
| X
| X
| X
| X
|
|
|
|
|
|
|
|
|
|
| X
| X
| X
| X
|
|
|
|
|
|
|
|
|
|
|
| X
| X
| X
|
|
|
|
|
|
|
|
|
|
|
|
| X
| X
|
|
|
|
|
|
|
|
|
|
|
|
|
| X
|
|
|
|
|
|
|
|
|
|
|
|
|
|
|
|
|
|
|
|
|
|
|
|
|
|
|
|

Рис. 10.5. Шифратор 16:4

Рис. 10.6. Шифратор 10:4

Рис. 10.7. Дешифратор 3-8: а – условное обозначение; б – структура

Рис. 10.8. Разрешение через прямой и инверсный входы одного из разрядов

Рис. 10.9. Разрешение через дополнительные входы элементов И

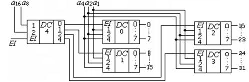
Рис. 10.10. Двухкаскадный дешифратор 5 – 32

Рис. 10.11. Матричный дешифратор

Рис. 10.12. Дешифратор с использованием в первом каскаде разрешающих
входов

Рис. 10.13. Схема дешифратора 155ИД4

Рис. 10.14. Варианты подключения дешифратора 155ИД1