
Рис. 3.1. Реакция инвертирующего логического элемента на изменение входного сигнала

Рис. 3.2. Оценка времени задержки: а – схема цепи, б – переходный процесс

а б
Рис. 3.3. Пример ДТЛ: а – схема, б – проходная характеристика

Рис. 3.4. Элемент ДТЛ с усовершенствованной входной цепью

Рис. 3.5. Элемент ДТЛ с улучшенным выходным каскадом

Рис. 3.6. Шестивходовый элемент И ДТЛ

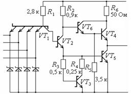
Рис. 3.7. Базовый элемент высокопороговой логики
| Таблица 3.1
|
| Группы микросхем
| Номер
серии
| Время задержки распространения на 1 элемент (нс)
| Потребляемая мощность (мВт)
|
| Универсальная (стандартная)
| 133, К155
|
|
|
| Быстродействующая
| 130, К131
|
|
|
| Микромощная
| 134, КР134
|
|
|
| На транзисторах Шотки
| 530, К531
|
|
|
| На транзисторах Шотки маломощная
| 533, К555
|
|
|
| FAST
| КР1531
|
|
|
| ALS
| КР1533
|
| 1,2
|
| | | | | | | |

Рис. 3.8. Многоэмиттерный транзистор: а – физическая структура;
б – схема замещения

Рис. 3.9. Принципиальная схема базового элемента 155 (133) серии

Рис. 3.10. Передаточная характеристика

Рис. 3.11. Эквивалентная схема микросхемы ТТЛ

а б
Рис. 3.12. Распределение токов во входной цепи элемента И–НЕ:
а – на вход подана логическая 1; б – на вход подан логический 0

Рис. 3.13. Включение резистора на входе микросхемы

Рис. 3.14. Схема базового элемента микромощных серий

Рис. 3.15. Базовый элемент микросхем ТТЛ повышенного быстродействия

Рис. 3.16. Диод Шотки: а – структура диода; б – условное обозначение

а б
Рис. 3.17. Транзистор Шотки: а – структура транзистора; б – условное обозначение

Рис. 3.18. Схема базового элемента ТТЛШ

Рис. 3.19. Схема маломощного базового элемента ТТЛШ

Рис. 3.20. Увеличение числа входов:
а – с помощью нескольких микросхем И; б – микросхем И–НЕ и ИЛИ–НЕ;
в– подключением внешнего диода и резистора

Рис. 3.21. Элемент И–ИЛИ–НЕ с возможностью расширения по ИЛИ:
а – принципиальная схема;
б – условное графическое обозначение схемы с расширением по ИЛИ

Рис. 3.22. Микросхема 155ЛР3

Рис. 3.23. Схема расширителя 155ЛД1

а б в
Рис. 3.24. Исключающее ИЛИ: а – структурная схема;
б – условное графическое обозначение; в – таблица истинности

а б в
Рис. 3.25. Микросхема сумматора по модулю 2: а – условное обозначение;
б – пример применения; в – временная диаграмма

Рис. 3.26. Схема соединения выходов двух микросхем на общую нагрузку

Рис. 3.27 Подключение входов неиспользуемых логических элементов

Рис. 3.28 Подключение свободных входов
Таблица 3.3
| Серии нагружаемых микросхем
| Число входов подключаемых микросхем серий
|
| 155,133
| 130,131
| 134,734
| 530,531
| 533,535
|
| Универсальные
(133,155)
|
|
|
|
|
|
| Быстродействующие 130,131
|
|
|
|
|
|
| Микромощные
134,734
|
|
|
|
|
|
| С транзист. Шотки 530, 531
|
|
|
|
|
|
| Маломощн. Шотки 533,535
|
|
|
|
|
|

Рис. 3.29. Логический элемент с открытым коллектором

а б
Рис. 3.30. Псевдомонтажное И: а – схема соединения; б – условное обозначение

а б
Рис. 3.31. Микросхема с тремя состояниями: а – электрическая схема;
б – условное графическое обозначение

Рис. 3.32. Второй вариант перевода схемы в третье состояние

Рис. 3.33. Вариант схемы с тремя состояниями

Рис. 3.34 Схема мультиплексирования

а б
Рис. 3.35. Функциональная схема двунаправленного шинного усилителя:
а – передача сигнала по одной линии в обоих направлениях; б – при передаче справа налево – выход на другую линию

Рис. 3.36. Включение двунаправленного буфера