русс | укр

Языки программирования

ПаскальСиАссемблерJavaMatlabPhpHtmlJavaScriptCSSC#DelphiТурбо Пролог

Компьютерные сетиСистемное программное обеспечениеИнформационные технологииПрограммирование

Все о программировании


Linux Unix Алгоритмические языки Аналоговые и гибридные вычислительные устройства Архитектура микроконтроллеров Введение в разработку распределенных информационных систем Введение в численные методы Дискретная математика Информационное обслуживание пользователей Информация и моделирование в управлении производством Компьютерная графика Математическое и компьютерное моделирование Моделирование Нейрокомпьютеры Проектирование программ диагностики компьютерных систем и сетей Проектирование системных программ Системы счисления Теория статистики Теория оптимизации Уроки AutoCAD 3D Уроки базы данных Access Уроки Orcad Цифровые автоматы Шпаргалки по компьютеру Шпаргалки по программированию Экспертные системы Элементы теории информации

На покрытие потерь, связанных с нагревом ферромагнитного материала вихревыми токами.


Дата добавления: 2014-04-05; просмотров: 864; Нарушение авторских прав


Для уменьшения потерь на гистерезис (перемагничивание) необходимо применять магнитомягкие материалы (с узкой петлей магнитного гистерезиса).

Для уменьшения потерь от вихревых токов магнитопровод выполняют шихтованным (из тонких изолированных друг от друга пластин). Кроме этого, повышают удельное электрическое сопротивление материала, увеличивая содержание кремния в стали.

Созданы и специальные сплавы, такие как ферриты, которые обладают высоким электрическим сопротивлением, благодаря чему уменьшаются не только магнитные потери, но и электрические, обусловленные вихревыми токами.

Магнитные цепи электротехнических устройств постоянного тока

 

В технике широко используют различные электромагнитные механизмы. Одни из них преобразуют электрическую энергию в механическую (электродвигатели, реле, электроизмерительные механизмы), другие создают магнитные поля с необходимыми характеристиками.

Магнитной цепью называют совокупность магнитопровода, образующего замкнутый путь магнитному потоку, и элементов возбуждающих магнитное поле (обмотки с током, постоянные магниты).

Магнитная цепь предназначена для создания в рабочем объеме электротехнического устройства магнитного поля требуемой интенсивности, конфигурации и направления.

 

 

При анализе магнитных цепей нужно различать путь основного магнитного потока Ф и потокосцепление рассеяния Фd, образованного магнитными линиями вне ферромагнитного материала. Необходимо представлять конфигурацию магнитного поля в рабочем объеме (поля выпучивания).

Классификация магнитных цепей

 

Магнитные цепи могут быть однородными (все участки магнитопровода из одного ферромагнитного материала) и неоднородными (например, с воздушным зазором).

Магнитные цепи бывают разветвленными и неразветвленными, симметричными и несимметричными.



 

Закон Ома для магнитной цепи

Рассмотрим магнитную цепь, образованную обмоткой навитой на магнитопровод в виде кольца (тороида). При протекании тока I по обмотке в магнитопроводе возбуждается магнитное поле, которое все сосредоточено в объеме кольца (поле рассеяния отсутствует). Выбрав контур интегрирования в виде окружности с радиусом R и применяя закон полного тока:

- линейный интеграл от вектора напряженности по замкнутому контуру равен алгебраической сумме токов, охватываемых этим контуромполному току (Iполн). Для практических целей наибольший интерес представляет частный случай, когда контур интегрирования проходит внутри обмотки с числом витков w и током IВ этом случае полный ток , запишем

 

 

Сумму токов - wI через поверхность, ограниченную контуром интегрирования, называют магнитодвижущей силой F,

F = wI.

Если учесть, что угол между векторами Ни dl равен нулю и значение Н в любой точке контура интегрирования одинаково, среднее значение напряженности магнитного поля определится как

.

Из полученного соотношения следует, что напряженность магнитного поля Н не зависит от магнитных свойств магнитопровода, а прямо пропорциональна току в обмотке. Точнее равна МДС обмотки, приходящейся на единицу длины средней силовой линии магнитопровода.

Исходя из соотношений Ф =ВS и В = μa Н получим

 

Ф = μa НS = μa S(I w / l) = I w / ( l / μa S) = F/Rм.

 

Это выражение называют законом Ома для магнитной цепи. При этом величину Rм = l / μa S принято называть магнитным сопротивлением магнитопровода (по аналогии с электрическим сопротивлением).

При анализе магнитных цепей вводят понятие разности магнитных потенциалов между двумя точками магнитной цепи, которая приравнивается к магнитному напряжению Uм ab

Uм ab = Н l ab .

Расчет неразветвленной магнитной цепи постоянного тока

Формула, выражающая закон полного тока магнитной цепи, была получена для кольцевого магнитопровода постоянного поперечного сечения и с равномерно распределенной обмоткой. Эту формулу распространяют и на магнитные цепи, где намагничивающая обмотка сосредоточена на ограниченном участке магнитопровода, а отдельные участки цепи выполнены из различных ферромагнитных и неферромагнитных материалов и имеют различное поперечное сечение.

В приближенных расчетах магнитных цепей принимают, что магнитный поток на всех участках цепи остается одним и тем же, хотя на самом деле в магнитной цепи образуются также потоки рассеяния Фр, которые замыкаются по воздуху, а не следуют по пути магнитопровода.

В расчетах магнитных цепей различают прямую и обратную задачи.

1. Прямая задача

Задано: 1) геометрические размеры магнитной цепи; 2) характеристика B = f(H) (кривая намагничивания) ферромагнитных материалов, из которых выполнена магнитная цепь; 3) магнитный поток Ф, который надо создать в магнитной цепи.

Требуется найти намагничивающую силу обмотки F = IW.

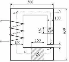
Решение задачи рассматривается применительно к магнитопроводу, представленному на рисунке.

Рис. 10. Магнитная цепь



<== предыдущая лекция | следующая лекция ==>
По механической прочности. | Магнитная цепь разбивается на ряд участков с одинаковым поперечным сечением S, выполненном из однородного материала.


Карта сайта Карта сайта укр


Уроки php mysql Программирование

Онлайн система счисления Калькулятор онлайн обычный Инженерный калькулятор онлайн Замена русских букв на английские для вебмастеров Замена русских букв на английские

Аппаратное и программное обеспечение Графика и компьютерная сфера Интегрированная геоинформационная система Интернет Компьютер Комплектующие компьютера Лекции Методы и средства измерений неэлектрических величин Обслуживание компьютерных и периферийных устройств Операционные системы Параллельное программирование Проектирование электронных средств Периферийные устройства Полезные ресурсы для программистов Программы для программистов Статьи для программистов Cтруктура и организация данных


 


Не нашли то, что искали? Google вам в помощь!

 
 

© life-prog.ru При использовании материалов прямая ссылка на сайт обязательна.

Генерация страницы за: 0.057 сек.