русс | укр

Языки программирования

ПаскальСиАссемблерJavaMatlabPhpHtmlJavaScriptCSSC#DelphiТурбо Пролог

Компьютерные сетиСистемное программное обеспечениеИнформационные технологииПрограммирование

Все о программировании


Linux Unix Алгоритмические языки Аналоговые и гибридные вычислительные устройства Архитектура микроконтроллеров Введение в разработку распределенных информационных систем Введение в численные методы Дискретная математика Информационное обслуживание пользователей Информация и моделирование в управлении производством Компьютерная графика Математическое и компьютерное моделирование Моделирование Нейрокомпьютеры Проектирование программ диагностики компьютерных систем и сетей Проектирование системных программ Системы счисления Теория статистики Теория оптимизации Уроки AutoCAD 3D Уроки базы данных Access Уроки Orcad Цифровые автоматы Шпаргалки по компьютеру Шпаргалки по программированию Экспертные системы Элементы теории информации

Подведение итогов.


Дата добавления: 2015-09-15; просмотров: 2018; Нарушение авторских прав


Организационная часть урока

– проверка наличия учащихся(перекличка);

– проверка готовности учащихся к уроку (конспекты, ручки).

Изложение нового материала

– сообщение темы и цели урока;

– мотивация учащихся к изучению новой темы.

Сегодня у нас третье занятие по теме: «Полупроводниковые приборы. Выпрямители» тема «Схемы выпрямителей».

Знания, полученные на этом занятии, помогут вам в дальнейшем при изучении работы и конструкции электронной техники.

– сообщение новой обучающей информации (конспект);

Закрепление нового материала.

– проведения фронтального опроса для закрепления нового материала;

Вопросы:

1. Дайте определение выпрямителя?

2. Перечислите и охарактеризуйте основные конструктивные элементы выпрямителей?

3. Изобразите схемы выпрямителей и опишите принцип их работы.

 

Подведение итогов.

– анализ деятельности учащихся в процессе урока;

– выставление оценок учащимся;

– выдача домашнего задания.

 

 

Выпрямителем называется устройство, предназначенное для преобразования переменного напряжения в постоянное. Основное назначение выпрямителя заключается в сохранении направления тока в нагрузке при изменении полярности приложенного напряжения.

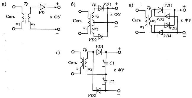
По схеме вентильного блока различают выпрямители с параллельным, последовательным и мостовым включением однофазных выпрямителей. Схемы таких выпрямителей приведены на рисунке 1.

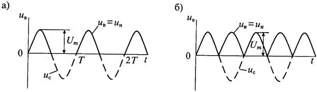
Однофазный однополупериодный выпрямитель, схема которого приведена на рисунок 1 а, является простейшим. Такой выпрямитель пропускает на выход только одну полуволну питающего напряжения, как показано на рис. 2, а. Такие выпрямители находят ограниченное применение в маломощных устройствах, так как они характеризуются плохим использованием трансформатора и сглаживающего фильтра.




Рисунок 1. Схемы выпрямителей, питаемых от однофазной сети: однополупериодный (а), двухфазный двухполупериодный (б), однофазный мостовой (в) и однофазный с последовательным включением (схема удвоения) (г)

 

Двухфазный двухполупериодный выпрямитель, приведенный на рисунок 1 б, представляет собой параллельное соединение двух однофазных выпрямителей, питаемых от двух половин вторичной обмотки w2 и w2. С помощью этих полуобмоток создаются два противофазных питающих выпрямитель напряжения. Форма выходного напряжения такого выпрямителя приведена на рисунке 2, б. Этот выпрямитель характеризуется лучшим использованием трансформатора и фильтра. Его часто называют выпрямителем со средней точкой вторичной обмотки трансформатора.


Рисунок 2. Формы напряжений на входе и выходе выпрямителей, питаемых от однофазной сети, при резистивной нагрузке без фильтра: однополупериодного (а) и двухполупериодного (б)

 

Однофазный мостовой выпрямитель (рисунок 1, в) является двухполупериодным выпрямителем, питаемым от однофазной сети. В отличие от предыдущей схемы его можно использовать для выпрямления напряжения сети и без трансформатора. К его недостаткам относится удвоенное число выпрямительных диодов, однако трансформатор в таком выпрямителе используется наиболее полно, так как нет подмагничивания магнитопровода постоянным током и ток во вторичной обмотке протекает в течение обоих полупериодов. Из-за увеличенного падения напряжения на выпрямительных диодах такие выпрямители редко используются при выпрямлении низких напряжений (меньше 5В).

Однофазный выпрямитель с удвоением напряжения (рисунок 1, г) представляет собой последовательное соединение двух однофазных однополупериодных выпрямителей. В первом полупериоде при положительном напряжении на аноде диода VD1 заряжается конденсатор C1, а во втором полупериоде проводит диод VD2 и конденсатор С2 заряжается напряжением противоположной полярности. Так как эти конденсаторы включены последовательно, то выходное напряжение почти удваивается. Конденсаторы C1 и С2 могут использоваться как элементы фильтра. Трансформатор в этой схеме используется так же полно, как и в мостовой. Эту схему можно получить из мостовой схемы, изображенной на рис.30.2в, если заменить диоды VD3 и VD4 конденсаторами C1 и С2. В связи с этим такой выпрямитель часто называют полумостовым. К достоинствам схемы можно отнести уменьшение вдвое выходного напряжения трансформатора, а к недостаткам - наличие двух конденсаторов C1 и С2.

Схемы трехфазных выпрямителей, получивших наиболее широкое распространение в ИВЭП, приведены на рисуноке 3. Первичные обмотки трансформаторов Тр могут включаться по схеме звезды или треугольника, а вторичные обмотки включены по схеме звезды. На рисунок 3, а приведена схема трехфазного выпрямителя с отводом от нулевой точки 0' вторичных обмоток. На рисунке 4, а приведены временные диаграммы напряжений и токов для этой схемы при резистивной нагрузке без фильтра. Коэффициент пульсаций выпрямленного напряжения составляет Кп = 25%, в то время как для двухполупериодного однофазного выпрямителя он составляет 67%, при этом частота пульсаций в три раза выше частоты питающей сети. Все это значительно облегчает фильтрацию выпрямленного напряжения, а в ряде случаев позволяет вообще обойтись без фильтра.

Рисунок 3. Схема трехфазного выпрямителя с отводом от нулевой точки (а) и мостового трехфазного выпрямителя (б)

К недостаткам такой схемы следует отнести плохое использование трансформатора, который работает с подмагничиванием постоянным током, и повышенное обратное напряжение на выпрямительных диодах.

Мостовая схема трехфазного выпрямителя (схема Ларионова) приведена на рис. 3, б. В этой схеме включены 6 диодов, которые выпрямляют как положительные, так и отрицательные полуволны трехфазного напряжения. При этом в любой произвольный момент времени ток проводят два диода, у которых на аноде наибольшее положительное напряжение, а на катоде - наибольшее отрицательное. Графики токов и напряжений для трехфазной мостовой схемы приведены на рисунке 4, б.

К достоинствам схемы Ларионова относятся: отсутствие подмагничивания сердечника трансформатора постоянным током, вдвое меньшее (по сравнению

Рисунок 4. Формы напряжений и токов в трехфазном выпрямителе с нулевой точкой (а) и в трехфазном мостовом выпрямителе (б)


с предыдущей схемой) обратное напряжение, малый коэффициент пульсаций равный 5,7%) и вдвое увеличенная частота пульсаций fп = 6 fс. Все это позволяет во многих случаях не использовать выходной фильтр.

Для сравнения рассмотренных схем выпрямителей в таблице1 приведены их основные параметры при работе на резистивную нагрузку без фильтра. В этой таблице приняты следующие обозначения основных характеристик n = U1 /U2 = w1 / w2 - коэффициент трансформации, U1 - действующее значение напряжения на первичной обмотке, U2 - действующее значение напряжения на вторичной обмотке, w1 и w2 - число витков первичной и вторичной обмоток соответственно, Uн = nд Uпр + Uв - расчетное значение напряжения на нагрузке. nд - число последовательно включенных диодов, Uв - среднее значение выпрямленного напряжения; Uпр - прямое падение напряжения на диоде, fс - частота питающей сети, Kп = Uпm / Uн - коэффициент пульсаций выпрямленного напряжения, Uпm - амплитуда напряжения с частотой пульсаций на выходе выпрямителя.

 

Таблица 1




<== предыдущая лекция | следующая лекция ==>
 | Тема 3. Середні величини та показники варіації.


Карта сайта Карта сайта укр


Уроки php mysql Программирование

Онлайн система счисления Калькулятор онлайн обычный Инженерный калькулятор онлайн Замена русских букв на английские для вебмастеров Замена русских букв на английские

Аппаратное и программное обеспечение Графика и компьютерная сфера Интегрированная геоинформационная система Интернет Компьютер Комплектующие компьютера Лекции Методы и средства измерений неэлектрических величин Обслуживание компьютерных и периферийных устройств Операционные системы Параллельное программирование Проектирование электронных средств Периферийные устройства Полезные ресурсы для программистов Программы для программистов Статьи для программистов Cтруктура и организация данных


 


Не нашли то, что искали? Google вам в помощь!

 
 

© life-prog.ru При использовании материалов прямая ссылка на сайт обязательна.

Генерация страницы за: 0.567 сек.