русс | укр

Языки программирования

ПаскальСиАссемблерJavaMatlabPhpHtmlJavaScriptCSSC#DelphiТурбо Пролог

Компьютерные сетиСистемное программное обеспечениеИнформационные технологииПрограммирование

Все о программировании


Linux Unix Алгоритмические языки Аналоговые и гибридные вычислительные устройства Архитектура микроконтроллеров Введение в разработку распределенных информационных систем Введение в численные методы Дискретная математика Информационное обслуживание пользователей Информация и моделирование в управлении производством Компьютерная графика Математическое и компьютерное моделирование Моделирование Нейрокомпьютеры Проектирование программ диагностики компьютерных систем и сетей Проектирование системных программ Системы счисления Теория статистики Теория оптимизации Уроки AutoCAD 3D Уроки базы данных Access Уроки Orcad Цифровые автоматы Шпаргалки по компьютеру Шпаргалки по программированию Экспертные системы Элементы теории информации

ЛАБОРАТОРНАЯ РАБОТА №5


Дата добавления: 2015-09-15; просмотров: 3417; Нарушение авторских прав


АППАРАТЫ УПРАВЛЕНИЯ ЭЛЕКТРОПРИВОДА

Цель работы:

Изучить назначение и области применения аппаратов управления.

Изучить принцип действия аппаратов управления.

ПРОГРАММА РАБОТЫ И УКАЗАНИЯ К ЕЕ ВЫПОЛНЕНИЮ

Данная работа выполняется без включения лабораторных стендов. Аппараты изучаются с помощью настоящих методических указаний, макетов, стендов, плакатов.

Теоретические сведения

Различают ручные и автоматические аппараты управления. К аппаратам ручного управления относят рубильники, пакетные выключатели, контроллеры, кнопки управления, автоматические выключатели, тумблеры и т.д.

РУБИЛЬНИК – простейший силовой коммутационный аппарат, предназначенный для нечастого замыкания и размыкания силовых электрических цепей двигателей постоянного и переменного тока напряжением до 500 В и током до 5000А. Различаются по величине коммутирующего тока, количеству полюсов (коммутируемых цепей), виду привода рукоятки и числу ее положений.

Первая буква кода Группа видов элементов 2х и 3х буквенный код Виды элементов
F Разрядники, предохранители,устройства защитные FU Предохранитель плавки
G Генераторы источники питания GB GC GE Батарея аккумуляторов Синхронный компенсатор Возбудитель генератора
H Устройства интегральные и сигнальные HA HG HL HLA HLG HLR HLW HV Прибор звуковой сигналищации Индикатор сигнальный Прибор световой сигнализаци Табло сигнальное Лампа сигнальная с зеленой линзой -с красной линзой -с белой линзой Индикаторы ионные и полупроводниковые
K Реле, контакторы, пускатели KA KH KK KM KT KV Реле токовое -указательное -электротепловое Контактор, магнитный пускатель Реле времени Реле напряжения
P Приборы, измерительное оборудование PA PF PI PK PR PV PW PC PG Амперметр Частотомер Счетчики активной энергии Счетчики реактивной энергии Омметр Вольтметр Ваттметр Счетчик импльсов Осциллограф
R Резисторы RK RS RU RR Терморезистор Шунт измерительный Варистор Реостат
Q Выключатели и разъединители в силовых цепях QF QK QS QR QW QSG Выключатель автоматический Короткозамыкатель Разъединитель Отделитель Выключатели нагрузки Заземляющий разъединитель
S Устройства коммутационные в цепях управления сигнализации и измерительных аппаратов. Примечание: Обозначение применяют для аппаратов, не имеющих контактов в силовых цепях SA SF SB SBC SBT SL SP SR SK Выключатель или переключатель Выключатель автоматический Выключатель кнопочный То же, на включение То же, на отключение Выключатель, срабатывающий от давления - срабатывающий от частоты вращения - срабатывающий от температуры
T Трансформаторы Автотрансформаторы TA TS TV TL Трансформатор тока Электромагнитный стабилизатор Трансформаторы: Напряжения Промежуточный

 



Пакетные выключатели- разновидность рубильников, характеризующая тем, что их контактная система набирается из отдельных пакетов по числу полюсов. Пакет состоит из изолятора, в пазах которого находится неподвижный контакт с винтовыми зажимами для подключения проводов и пружинный подвижный контакт с устройством искрогашения. Промышленность выпускает пакетные пакетные выключатели типа ПВМ, ППМ, ПУ, УП, ОКП, ПВП, предназначеные для коммутации электрических цепей постоянного тока до 220 В и токами до 400 А и переменного тока до 250 А при напряжении до 380 В.

КОНТРОЛЛЕРЫ – многопозиционные электрические аппараты с ручным или ножным приводом для непосредственной коммутации силовых цепей двигателей постоянного и переменного тока с числом позиций до 6.

КНОПКИ УПРАВЛЕНИЯ – аппараты, предназначенные для подачи оператором управляющего воздействия на электропривод. Две, три и более кнопок, смонтированные в одном корпусе, образуют кнопочную станцию. Особенностью кнопок управления является их способность возвращаться в исходное положение после снятия воздействия.

АВТОМАТИЧЕСКИЙ ВЫКЛЮЧАТЕЛЬ – аппарат, служащий для замыкания и размыкания электрической цепи, находящейся под нагрузкой, и для автоматического отключения ее при ненормальных и аварийных режимах – перегрузках, коротких замыканиях, чрезмерном понижение напряжении питания. Автомат может включаться вручную или дистанционно с помощью электромеханического привода.

Параметрами автоматов являются номинальный длительный ток, номинальное напряжение, предельный ток, отключения, установки срабатывания по напряжению и току. Промышленность выпускает автоматы серий А-31ОО, А-3700, АЕ-1000, АВ-2000, «Электрон», АВМ.

АППАРАТЫ РУЧНОГО УПРАВЛЕНИЯ конструктивно проще, дешевле автоматической, достаточно надежная, но не позволяет автоматизировать производство, к тому же допускает «самопуск», то есть при не выключенном аппарате, после появления электроэнергии происходит пуск подключенных к этому аппарату электроустановок.

АППАРАТЫ АВТОМАТИЧЕСКОГО УПРАВЛЕНИЯ приводится в действие от электрических сигналов (команд), подаваемых различными реле, датчиками и командными аппаратами, на которые первоначально может воздействовать оператор. В основе схем управления лежит магнитный пускатель

МАГНИТНЫЕ ПУСКАТЕЛИ состоят из контактора КМ, кнопочной станции с двумя или тремя кнопками SB тепловым реле КК. Контактор предназначен для частых переключений электрической цепи и состоит из контактной, электромагнитной, дугогасительной систем и блок-контактов. Тепловое реле защищает электродвигатель от перегрузок недопустимой продолжительности. Кнопочная станция предназначена для управления включением и отключением двигателя.

В таблице приведены типы магнитных пускателей, их мощности и напряжения, при которых они работают.

Серия Величина пускателя Наибольшая мощность управляемых электродвигателей, кВт, напряжением, В
127 В 220 В 380 В 500 В 600 В
ПМЕ 1.1 2.2 5.5 - -
ПАЕ - -
ПМА - - - - - 5.5 18.5 18.5 7.5 18.5
                     

 

В промышленности самым распространенным электродвигателем является асинхронный двигатель с короткозамкнутым ротором.

Схема управления асинхронным двигателем с короткозамкнутым ротором с использованием нереверсивного магнитного пускателя представлена на рисунке 1 и включает нереверсивный магнитный пускатель состоящим из контактора КМ и двух тепловых реле защиты КК, кнопочной станции с кнопками SB1, SB2, предохранителей FU, автоматического выключателя QF.

 

 

Схема обеспечивает прямой пуск ( без ограничения величины тока и момента) асинхронного двигателя (АД) , отключение его от сети, а также защиту от коротких замыканий ( предохранители FU) и перезагрузки (тепловые реле КК). Для пуска АД замыкают автоматический выключатель QF и нажимают кнопку пуска SB1. Для отключения АД нажимается кнопка остановки SB2, катушка контактора КМ теряет питание и отключает АД от сети.

Рисунок 1

Реверсивная схема управления асинхронным двигателем. Основным элемнтом схемы является реверсивный магнитный пускатель, включающий в себя два линейных контактора КМ1 и КМ2, два тепловых реле защиты КК и кнопочную станцию с кнопками SB1, SB2, SB3 (Рисунок 2). В схеме предусмотрена защитаот перегрузок АД ( реле КК) и короткого замыкания предохранители FU и автоматический выключатель QF. Кроме того, схема управления осуществляет нулевую защиту от исчезновения напряжения сети ( контакторы КМ1, КМ2). Схема обеспечивает прямой пуск и реверс АД, а также торможение противовключением при ручном управлении. Пуск двигателя в условных направлениях «Вперед» или «Назад» осуществляется нажатием соответственно кнопок SB1 или SB2. Это приводит к срабатыванию контактора КМ1 или КМ2 и подключению АД к сети ( при включенном автоматическом выключателе QF).

Рисунок 2

 

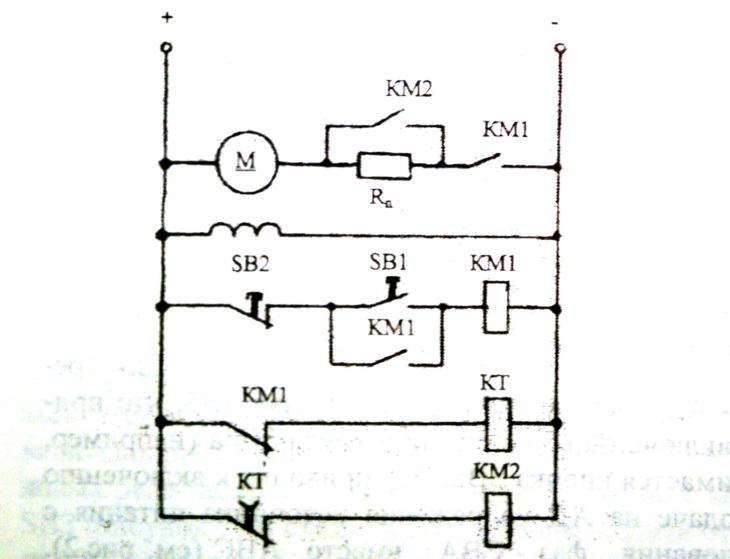
Схема пуска двигателя представлена на рисунке 3

Схема содержит конденсатор КМ1, обеспечивающий подключение ДПТ к сети, кнопок управления SB1(пуск) и SB2(стоп), контактор ускорения КМ2 для включения (закорачивания) пускового реостата (резистора) Rп. В качестве датчика времени в схеме использовано электромагнитное реле времени КТ.

Рисунок 3

При подключении схемы к источнику питания с помощью автоматического выключателя или рубильника ( на рисунке 3 не показано) происходит возбуждение ДПТ и срабатывает реле КТ, размыкая свой контакт в цепи контактора КМ2 и подготавливая двигатель к пуску. Пуск двигателя начинается нажатием кнопки SB1, в результате чего получает питание контактор КМ1, который, своим главным контактом подключает ДПТ к источнику питания. Двигатель начинает разбег с реостатом Rп в цепи якоря. Одновременно замыкающий блок-контакт контактора КМ1 шунтирует кнопку SB1 и она может быть отпущена, а размыкающий блок-контакт КМ1 разрывает цепь питания катушки реле времени КТ замкнется в цепи катушки контактора КМ2, последний включится и своим главным контактом закоротит пусковой реостат Rп в цепи якоря. Дальнейшая работа двигателя продолжается без Rп.

Контрольные вопросы

1. Назовите аппараты ручного управления электроприводом и область их применения?

2. Назовите преимущества недостатки ручной аппаратов управления.

3. Для чего предназначены магнитные пускатели?

4. Объясните принцип действия нереверсивного магнитного пускателя.

5. Какую защиту осуществляет магнитный пускатель и как она работает?

6. Для чего предназначен реверсивный магнитный пускатель?

7. Объясните принцип действия реверсивного магнитного пускателя.

8. Какова особенность пуска двигателей постоянного тока?

9. Объясните схему пуска двигателя тока.



<== предыдущая лекция | следующая лекция ==>
 | Практическая работа 6 Создание страниц c использованием фреймов


Карта сайта Карта сайта укр


Уроки php mysql Программирование

Онлайн система счисления Калькулятор онлайн обычный Инженерный калькулятор онлайн Замена русских букв на английские для вебмастеров Замена русских букв на английские

Аппаратное и программное обеспечение Графика и компьютерная сфера Интегрированная геоинформационная система Интернет Компьютер Комплектующие компьютера Лекции Методы и средства измерений неэлектрических величин Обслуживание компьютерных и периферийных устройств Операционные системы Параллельное программирование Проектирование электронных средств Периферийные устройства Полезные ресурсы для программистов Программы для программистов Статьи для программистов Cтруктура и организация данных


 


Не нашли то, что искали? Google вам в помощь!

 
 

© life-prog.ru При использовании материалов прямая ссылка на сайт обязательна.

Генерация страницы за: 0.035 сек.