русс | укр

Языки программирования

ПаскальСиАссемблерJavaMatlabPhpHtmlJavaScriptCSSC#DelphiТурбо Пролог

Компьютерные сетиСистемное программное обеспечениеИнформационные технологииПрограммирование

Все о программировании


Linux Unix Алгоритмические языки Аналоговые и гибридные вычислительные устройства Архитектура микроконтроллеров Введение в разработку распределенных информационных систем Введение в численные методы Дискретная математика Информационное обслуживание пользователей Информация и моделирование в управлении производством Компьютерная графика Математическое и компьютерное моделирование Моделирование Нейрокомпьютеры Проектирование программ диагностики компьютерных систем и сетей Проектирование системных программ Системы счисления Теория статистики Теория оптимизации Уроки AutoCAD 3D Уроки базы данных Access Уроки Orcad Цифровые автоматы Шпаргалки по компьютеру Шпаргалки по программированию Экспертные системы Элементы теории информации

Условие задания


Дата добавления: 2015-08-31; просмотров: 734; Нарушение авторских прав


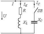
К цепи переменного синусоидального тока с действующим значением напряжения U = 220 B и частотой f = 50 Гц подключена нагрузка с активным сопротивлением R и реактивным индуктивным сопротивлением ХL.

Параллельно зажимам нагрузки, с целью полной компенсации реактивной мощности, выключателем SB подключается конденсатор с сопротивлением ХС (рис.1).

Рис. 1. Принципиальная электрическая схема нагрузки

 

Определить:

1. Ток, потребляемый нагрузкой из сети до и после включения конденсатора.

2. Коэффициенты мощности до и после включения конденсатора.

3. Полную, активную и реактивную мощности, потребляемые нагрузкой из сети до и после включения конденсатора.

4. Емкость конденсатора С, необходимую для полной компенсации реактивной мощности нагрузки.

5. Построить векторную диаграмму электрического состояния цепи с конденсатором.

 



<== предыдущая лекция | следующая лекция ==>
Методические рекомендации к выполнению контрольной работы | Методические рекомендации к выполнению


Карта сайта Карта сайта укр


Уроки php mysql Программирование

Онлайн система счисления Калькулятор онлайн обычный Инженерный калькулятор онлайн Замена русских букв на английские для вебмастеров Замена русских букв на английские

Аппаратное и программное обеспечение Графика и компьютерная сфера Интегрированная геоинформационная система Интернет Компьютер Комплектующие компьютера Лекции Методы и средства измерений неэлектрических величин Обслуживание компьютерных и периферийных устройств Операционные системы Параллельное программирование Проектирование электронных средств Периферийные устройства Полезные ресурсы для программистов Программы для программистов Статьи для программистов Cтруктура и организация данных


 


Не нашли то, что искали? Google вам в помощь!

 
 

© life-prog.ru При использовании материалов прямая ссылка на сайт обязательна.

Генерация страницы за: 0.017 сек.