русс | укр

Языки программирования

ПаскальСиАссемблерJavaMatlabPhpHtmlJavaScriptCSSC#DelphiТурбо Пролог

Компьютерные сетиСистемное программное обеспечениеИнформационные технологииПрограммирование

Все о программировании


Linux Unix Алгоритмические языки Аналоговые и гибридные вычислительные устройства Архитектура микроконтроллеров Введение в разработку распределенных информационных систем Введение в численные методы Дискретная математика Информационное обслуживание пользователей Информация и моделирование в управлении производством Компьютерная графика Математическое и компьютерное моделирование Моделирование Нейрокомпьютеры Проектирование программ диагностики компьютерных систем и сетей Проектирование системных программ Системы счисления Теория статистики Теория оптимизации Уроки AutoCAD 3D Уроки базы данных Access Уроки Orcad Цифровые автоматы Шпаргалки по компьютеру Шпаргалки по программированию Экспертные системы Элементы теории информации

Порядок выполнения работы


Дата добавления: 2015-08-31; просмотров: 1401; Нарушение авторских прав


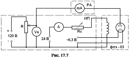
1. Подать напряжение на установку, включив источник ИП.

2. Установить анодное напряжение Ua=50 В по вольтметру ИП.

3. Изменяя ток в соленоиде от минимального (начального) значения до максимального через 0.1 А при постоянном анодном напряжении, снять сбросовую характеристику, то есть зависимость анодного тока Ia от тока в соленоиде Icол. (рис. 17.8). Значения анодного тока Ia, определяемые по прибору РА, и значения тока в соленоиде Icол., определяемые по показаниям амперметра ИП, занести в табл. 17.1.

 

 
 

 


Таблица 17.1

Ua= 50 В Ua= 100 В Ua= 120 В
Icол., А Ia, мА Icол., А Ia, мА Icол., А Ia, мА
           
           
           
           
           
           
           
           

 

4. Повторить пункты 2 и 3 при двух других значениях анодного напряжения (100 В и 120 В). Результаты измерений занести в табл. 17.1.

5. Для каждого значения анодного напряжения построить сбросовую характеристику, откладывая по оси ординат значения анодного тока, а по оси абсцисс - значения тока в соленоиде. Для нахождения критического значения тока в соленоиде Iкр. провести до взаимного пересечения касательную к точке перегиба сбросовой характеристики (на участке до спада) и прямую, соответствующую изменению минимальных значений анодного тока (как показано на рис. 17.8). Занести полученные значения Iкр. в табл. 17.2.



6. Индукция магнитного поля соленоида, длина L которого соизмерима с диаметром D:

, (17.13)

где Гн/м – магнитная постоянная; – число витков соленоида на единицу его длины. Для каждого критического значения тока в соленоиде рассчитать по формуле (17.13) индукцию магнитного поля. Длина соленоида L=167 мм; диаметр намотки D=85 мм; число витков соленоида N=2700.

7. Вычислить удельный заряд электрона e/m по формуле (17.12) для каждого значения критического поля в соленоиде и определить его среднее значение (e/m)ср. Радиус анода ra=1 мм; радиус катода rк=0.1 мм.

8. Вычислить погрешность полученной величины (e/m).

9. Сравнить полученное в эксперименте значение удельного заряда электрона с табличным.

10. Сделать выводы.

Таблица 17.2

Ua, В Iкр., А Bкр., Тл (e/m), Кл/кг (e/m)ср., Кл/кг Δ(e/m), Кл/кг (e/m)табл., Кл/кг
           
     
     

 

Установка № 2 (старая)

 

Приборы и оборудование: ис­точ­ник пи­та­ния, лам­па 6Е5С, соленоид, амперметр, двой­ной ключ, вольт­метр, рео­стат, пе­ре­мен­ное со­про­тив­ле­ние.

 

Рис. 17.9.

При определении удельного заряда электрона на данной установке критическое значение тока соленоида Iкроп­ре­де­ля­ет­ся пу­тем ви­зу­аль­но­го наблюде­ния све­че­ния ин­ди­ка­то­ра 6Е5С при из­ме­няю­щем­ся то­ке че­рез со­ле­но­ид. На рис. 17.9 по­ка­за­но с­хе­ма­ти­че­ское уст­рой­ст­во ин­ди­ка­то­ра 6Е5С, ко­торый со­сто­ит из ка­то­да 1 и эк­ра­на-ано­да 2. Эк­ран-анод вы­пол­нен в ви­де усе­чен­но­го сни­зу ко­ну­са. На внутреннюю по­верх­ность ко­ну­са на­не­се­но ве­ще­ст­во, ко­то­рое све­тит­ся под дей­ст­ви­ем элек­трон­ной бом­бар­ди­ров­ки зе­ле­ным све­том. Ко­гда ток в со­ле­нои­де от­сут­ст­ву­ет, элек­тро­ны дви­жут­ся от ка­то­да к ано­ду по пря­мым ли­ни­ям и све­тит­ся весь эк­ран рав­но­мер­но. С уве­ли­че­ни­ем то­ка в соленои­де уве­ли­чи­ва­ет­ся си­ла Ло­рен­ца, дей­ст­вую­щая на элек­тро­ны, и на эк­ра­не ин­ди­ка­то­ра на­блю­да­ет­ся ис­крив­ле­ние тра­ек­то­рии элек­тро­нов. При дос­ти­же­нии кри­ти­че­ско­го зна­че­ния то­ка в со­ле­нои­де Iкр элек­тро­ны на­чи­на­ют не до­ле­тать до эк­ра­на в его наи­бо­лее уда­лен­ной от ка­то­да час­ти, и эта об­ласть эк­ра­на пре­кра­ща­ет све­тить­ся. Об­ра­зу­ет­ся тем­ная (не­све­тя­щая­ся) ок­руж­ность ме­ж­ду кра­ем эк­ра­на и све­тя­щим­ся по­лем эк­ра­на.

Ин­дук­цию маг­нит­но­го по­ля внут­ри со­ле­нои­да для данной установки мож­но рас­счи­тать по фор­му­ле:

, (17.14)

так как , где I – сила тока в соленоиде, N – число витков соленоида; L – его длина, К – ко­эф­фи­ци­ент, учитывающий отличие поля в короткой ка­туш­ке от по­ля в длин­ной.

Для данной установки rк<<rа, поэтому величина в формуле (17.12). очень мала и ею можно пренебречь. Тогда формула (17.12) примет вид:

. (17.15)

Рис. 17.10

PA2 PA1     PV1
Для вы­пол­не­ния дан­ной ра­бо­ты при­ме­ня­ет­ся схе­ма, ука­зан­ная на рис.17.10 и со­стоя­щая из элек­трон­ной лам­пы 6E5С (1); со­ле­нои­да (L); источника пи­та­ния катода лам­пы напряже­ни­ем ~6.3 B; цепи питания анода напряжением U=350 B; пере­мен­но­го со­про­тивле­ния R2; мил­ли­ам­пер­мет­ра PA1; вольт­мет­ра PV1; це­пи пи­та­ния со­ле­нои­да L, со­стоя­щей из вы­пря­ми­те­ля, = 24 В; пе­ре­мен­но­го со­про­тив­ле­ния R1; клю­ча SA1; ампермет­ра PА2.

  Рис. 17.11

Рас­по­ло­же­ние при­бо­ров на па­нель­ном щит­ке представлено на рис.17.11: 1 – циф­ро­вой при­бор Щ4313 для из­ме­ре­ния напряже­ния Uа; 2 – циф­ро­вой при­бор Щ4313 для из­ме­ре­ния си­лы то­ка Iкр. в це­пи ка­туш­ки; 3 – ка­туш­ка с ин­ди­ка­то­ром 6Е5С; 4 и 5 – рукоятки по­тен­цио­мет­ров для из­ме­не­ния напряжения; 6 – тумб­лер вклю­че­ния ус­та­нов­ки в сеть; 7 – ин­ди­ка­тор вклю­че­ния ус­та­нов­ки в сеть.

Перед началом работы:

– на приборе Щ4313 (1) долж­ны быть на­жа­ты кнопки: "пит", "V", "500", осталь­ные от­жа­ты;

– на приборе Щ4313 (2) долж­ны быть на­жа­ты кноп­ки: "пит", "А", "5", остальные от­жа­ты;

– на потенциометрах рукоятки 4 и 5 долж­ны быть в край­нем ле­вом положении (про­тив ча­со­вой стрел­ки до упо­ра).

По­ря­док вы­пол­не­ния ра­бо­ты.

1. Пе­ред на­ча­лом вы­пол­не­ния раб­оты оз­на­ко­мить­ся с ус­та­нов­кой и проверить пра­виль­ность вклю­че­ния при­бо­ров.

2. Вклю­чить ус­та­нов­ку в сеть тумб­ле­ром 1.

3. Ус­та­но­вить рукояткой 4 анод­ное на­пря­же­ние Ua по за­да­нию преподавателя. Зна­че­ние Uа за­пи­сать в табл.17.3.

4. Из­ме­няя по­во­ро­том руч­ки 5 ток в ка­туш­ке, по­доб­рать та­кой Iкр, при котором зе­ле­ное по­ле ин­ди­ка­то­ра 6Е5С от­ры­ва­ет­ся от края эк­ра­на (пол­но­стью пере­ста­ет ка­сать­ся внеш­ней ок­руж­но­сти). Зна­че­ния Iкр за­пи­сать в таблицу 17.3.

 

Таблица 17.3

Номер опыта Ua, В, Iкр., А (e/m), Кл/кг (e/m)ср., Кл/кг, Δ(e/m), Кл/кг (e/m)табл., Кл/кг
           
     
     
     
     

 

5. Про­из­ве­сти из­ме­ре­ния при дру­гих зна­че­ни­ях на­пря­же­ния, за­дан­ных препо­да­ва­те­лем.

6. Про­из­ве­сти вычисления удельного заряда по фор­му­ле (17.15), где m0 =4p×10-7 Гн/м магнитная по­сто­ян­ная; L=0.1м; ra=0.01м, N = 370; K = 0.85; анод­ное напряжение; критический ток.

7. Рассчитать среднее значение удельного заряда и его погрешность, сравнить с табличным значением.

8. Ре­зуль­та­ты рас­че­тов за­не­сти в таб­ли­цу 17.3.

9. Сде­лать вы­воды.

Кон­троль­ные во­про­сы.

1. На­пи­ши­те фор­му­лу си­лы Ло­рен­ца в векторном и скалярном виде. Как направлена сила Лоренца?

2. Рассмотрите движение электрона в однородном магнитном поле в двух случаях: а) скорость электрона ^ ; б) скорость электрона направлена под углом a к полю (найти радиус траектории, период вращения, шаг винтовой линии).

3. В чем суть метода магнетрона для определения удельного заряда?

4. Вы­ве­ди­те рас­чет­ную фор­му­лу (17.12).

5. Влияет ли на величину Вкр изменение направления тока в соленоиде на противоположное?

6. Нарисуйте траекторию электрона на участке "катод-анод". Укажите векторы сил, действующих на электрон.

 

Используемая литература

[1] § 21.2, 23.1, 23.3;

[2] §§ 14.2, 14.3;.

[3] §§ 2.41, 2.42;

[4] т.2, §§ 43, 72, 74, 75;

[5] §§ 114, 115.

Лабораторная работа 2-18



<== предыдущая лекция | следующая лекция ==>
Экспериментальная часть | Теоретическое введение


Карта сайта Карта сайта укр


Уроки php mysql Программирование

Онлайн система счисления Калькулятор онлайн обычный Инженерный калькулятор онлайн Замена русских букв на английские для вебмастеров Замена русских букв на английские

Аппаратное и программное обеспечение Графика и компьютерная сфера Интегрированная геоинформационная система Интернет Компьютер Комплектующие компьютера Лекции Методы и средства измерений неэлектрических величин Обслуживание компьютерных и периферийных устройств Операционные системы Параллельное программирование Проектирование электронных средств Периферийные устройства Полезные ресурсы для программистов Программы для программистов Статьи для программистов Cтруктура и организация данных


 


Не нашли то, что искали? Google вам в помощь!

 
 

© life-prog.ru При использовании материалов прямая ссылка на сайт обязательна.

Генерация страницы за: 0.124 сек.