русс | укр

Языки программирования

ПаскальСиАссемблерJavaMatlabPhpHtmlJavaScriptCSSC#DelphiТурбо Пролог

Компьютерные сетиСистемное программное обеспечениеИнформационные технологииПрограммирование

Все о программировании


Linux Unix Алгоритмические языки Аналоговые и гибридные вычислительные устройства Архитектура микроконтроллеров Введение в разработку распределенных информационных систем Введение в численные методы Дискретная математика Информационное обслуживание пользователей Информация и моделирование в управлении производством Компьютерная графика Математическое и компьютерное моделирование Моделирование Нейрокомпьютеры Проектирование программ диагностики компьютерных систем и сетей Проектирование системных программ Системы счисления Теория статистики Теория оптимизации Уроки AutoCAD 3D Уроки базы данных Access Уроки Orcad Цифровые автоматы Шпаргалки по компьютеру Шпаргалки по программированию Экспертные системы Элементы теории информации

Экспериментальная установка


Дата добавления: 2015-08-31; просмотров: 788; Нарушение авторских прав



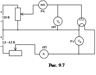
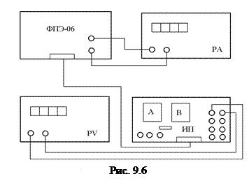
Электрическая схема для проведения опыта представлена на (рис. 9.6 и 9.7). В качестве диода в работе используется радиолампа с вольфрамовым катодом прямого накала. Нагрев катода осуществляется постоянным током. Амперметр и вольтметр в цепи накала служат для определения мощности, расходуемой на нагрев катода, что необходимо для определения температуры.

Амперметр на панели источника питания служит для контроля тока накала IН, максимальное значение которого не должно превышать 2.2 А. Плавная регулировка напряжения накала осуществляется ручкой, расположенной под амперметром. Напряжение накала UН измеряется вольтметром (PV), который подключается к тем клеммам на источнике питания, где указано напряжение 2,5–4,5 В. Вольтметр на панели источника питания измеряет анодное напряжение UА, регулировка которого осуществляется ручкой на панели источника питания, расположенной непосредственно под вольтметром. Для измерения анодного тока IН используется амперметр, который подключается к модулю ФПЭ-06 к клеммам РА. Он должен работать в режиме миллиамперметра, измеряя ток до 20 mA.



<== предыдущая лекция | следующая лекция ==>
Методика измерений | Порядок выполнения работы


Карта сайта Карта сайта укр


Уроки php mysql Программирование

Онлайн система счисления Калькулятор онлайн обычный Инженерный калькулятор онлайн Замена русских букв на английские для вебмастеров Замена русских букв на английские

Аппаратное и программное обеспечение Графика и компьютерная сфера Интегрированная геоинформационная система Интернет Компьютер Комплектующие компьютера Лекции Методы и средства измерений неэлектрических величин Обслуживание компьютерных и периферийных устройств Операционные системы Параллельное программирование Проектирование электронных средств Периферийные устройства Полезные ресурсы для программистов Программы для программистов Статьи для программистов Cтруктура и организация данных


 


Не нашли то, что искали? Google вам в помощь!

 
 

© life-prog.ru При использовании материалов прямая ссылка на сайт обязательна.

Генерация страницы за: 0.868 сек.