русс | укр

Языки программирования

ПаскальСиАссемблерJavaMatlabPhpHtmlJavaScriptCSSC#DelphiТурбо Пролог

Компьютерные сетиСистемное программное обеспечениеИнформационные технологииПрограммирование

Все о программировании


Linux Unix Алгоритмические языки Аналоговые и гибридные вычислительные устройства Архитектура микроконтроллеров Введение в разработку распределенных информационных систем Введение в численные методы Дискретная математика Информационное обслуживание пользователей Информация и моделирование в управлении производством Компьютерная графика Математическое и компьютерное моделирование Моделирование Нейрокомпьютеры Проектирование программ диагностики компьютерных систем и сетей Проектирование системных программ Системы счисления Теория статистики Теория оптимизации Уроки AutoCAD 3D Уроки базы данных Access Уроки Orcad Цифровые автоматы Шпаргалки по компьютеру Шпаргалки по программированию Экспертные системы Элементы теории информации

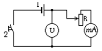
Схема установки и метод измерения


Дата добавления: 2015-08-31; просмотров: 687; Нарушение авторских прав


Рис. 8.1

Ус­та­нов­ка смон­ти­ро­ва­на в ме­тал­ли­че­ском кор­пу­се. Схема ее представлена на рис. 8.1: 1 – ис­точ­ник то­ка; 2 – тумб­лер вклю­че­ния; U – вольт­метр; mA – мил­ли­ам­пер­метр; R – рео­стат. Ме­тод оп­ре­де­ле­ния ЭДС со­сто­ит в из­ме­ре­нии то­ка и на­пря­же­ния в це­пи при раз­лич­ных зна­че­ни­ях со­про­тив­ле­ния на­груз­ки. Ес­ли R1 и R2 – сопротивления на­груз­ки, то этим со­про­тив­ле­ни­ям, как сле­ду­ет из фор­му­лы (8.4), со­от­вет­ст­ву­ют то­ки:

; ;

Ре­шив эту сис­те­му двух урав­не­ний с дву­мя не­из­вест­ны­ми и r относитель­но и по­ла­гая U1 = I1 R1, a U2 = I2 R2 , по­лу­чим фор­му­лу для оп­ре­де­ле­ния ЭДС:

. (8.11)

 



<== предыдущая лекция | следующая лекция ==>
Теоретическое введение | Порядок выполнения работы


Карта сайта Карта сайта укр


Уроки php mysql Программирование

Онлайн система счисления Калькулятор онлайн обычный Инженерный калькулятор онлайн Замена русских букв на английские для вебмастеров Замена русских букв на английские

Аппаратное и программное обеспечение Графика и компьютерная сфера Интегрированная геоинформационная система Интернет Компьютер Комплектующие компьютера Лекции Методы и средства измерений неэлектрических величин Обслуживание компьютерных и периферийных устройств Операционные системы Параллельное программирование Проектирование электронных средств Периферийные устройства Полезные ресурсы для программистов Программы для программистов Статьи для программистов Cтруктура и организация данных


 


Не нашли то, что искали? Google вам в помощь!

 
 

© life-prog.ru При использовании материалов прямая ссылка на сайт обязательна.

Генерация страницы за: 0.027 сек.