русс | укр

Языки программирования

ПаскальСиАссемблерJavaMatlabPhpHtmlJavaScriptCSSC#DelphiТурбо Пролог

Компьютерные сетиСистемное программное обеспечениеИнформационные технологииПрограммирование

Все о программировании


Linux Unix Алгоритмические языки Аналоговые и гибридные вычислительные устройства Архитектура микроконтроллеров Введение в разработку распределенных информационных систем Введение в численные методы Дискретная математика Информационное обслуживание пользователей Информация и моделирование в управлении производством Компьютерная графика Математическое и компьютерное моделирование Моделирование Нейрокомпьютеры Проектирование программ диагностики компьютерных систем и сетей Проектирование системных программ Системы счисления Теория статистики Теория оптимизации Уроки AutoCAD 3D Уроки базы данных Access Уроки Orcad Цифровые автоматы Шпаргалки по компьютеру Шпаргалки по программированию Экспертные системы Элементы теории информации

Схема и описание установки


Дата добавления: 2015-08-31; просмотров: 718; Нарушение авторских прав


В дан­ной ра­бо­те для оп­ре­де­ле­ния ем­ко­сти кон­ден­са­то­ра исполь­зу­ет­ся его спо­соб­ность про­пус­кать пе­ре­мен­ный ток, соз­да­вая при этом оп­ре­де­лен­ное со­про­тив­ле­ние то­ку, свя­зан­ное с ем­ко­стью:

. (3.11)
где w – цик­ли­че­ская час­то­та то­ка, С – ем­кость.

Со­от­но­ше­ние (3.11) по­зво­ля­ет све­сти из­ме­ре­ние ем­ко­сти к из­мере­нию ем­ко­ст­но­го со­про­тив­ле­ния Rc. Мос­ти­ко­вая схе­ма для из­ме­рения со­про­тив­ле­ния ис­поль­зу­ет­ся в дан­ном слу­чае для оп­ре­де­ле­ния ем­ко­сти. При­ме­няя урав­не­ния Кирх­го­фа и ис­поль­зуя ус­ло­вие ра­венства ну­лю то­ка в диа­го­на­ли мос­та Сотти, мож­но по­лу­чить сле­дую­щие со­от­но­ше­ния:

(3.12)
. (3.13)

По­доб­рав та­кое зна­че­ние Сэ, при ко­то­ром ток мик­ро­ам­пер­мет­ра равен нулю, из (3.13) най­дем зна­че­ние не­из­вест­ной ем­ко­сти:

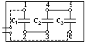
Рис. 3.7

. (3.14)

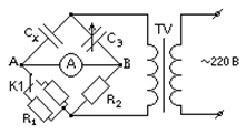
Рис. 3.6  

 

 

Ус­та­нов­ка смонтирована в металлическом корпусе. Схема ее представлена на рис.3.6: Сх– кон­ден­са­тор с не­из­вест­ной ем­ко­стью;Сэ– эта­лон­ная ем­кость (ма­га­зин емкостей ); R1и R2– из­вест­ные со­про­тив­ле­ния:R2=10 кОм; R1 мож­но ме­нять, ус­та­нав­ли­вая 12 кОм или 2 кОм.

Па­нель с на­бо­ром кон­ден­са­то­ров, ем­кость ко­то­рых не­об­хо­ди­мо оп­ре­делить, показана на рис. 3.7. Об­ра­тите вни­ма­ние на вклю­че­ние кон­ден­са­то­ров в схему: С1 – должны быть со­еди­не­ны пе­ре­мыч­кой клем­мы 3 и 6; С2 – клем­мы 1 и 2; 5 и 6; С3 – клеммы 1 и 4.

 



<== предыдущая лекция | следующая лекция ==>
Теоретическое введение | Порядок выполнения работы


Карта сайта Карта сайта укр


Уроки php mysql Программирование

Онлайн система счисления Калькулятор онлайн обычный Инженерный калькулятор онлайн Замена русских букв на английские для вебмастеров Замена русских букв на английские

Аппаратное и программное обеспечение Графика и компьютерная сфера Интегрированная геоинформационная система Интернет Компьютер Комплектующие компьютера Лекции Методы и средства измерений неэлектрических величин Обслуживание компьютерных и периферийных устройств Операционные системы Параллельное программирование Проектирование электронных средств Периферийные устройства Полезные ресурсы для программистов Программы для программистов Статьи для программистов Cтруктура и организация данных


 


Не нашли то, что искали? Google вам в помощь!

 
 

© life-prog.ru При использовании материалов прямая ссылка на сайт обязательна.

Генерация страницы за: 0.051 сек.