русс | укр

Языки программирования

ПаскальСиАссемблерJavaMatlabPhpHtmlJavaScriptCSSC#DelphiТурбо Пролог

Компьютерные сетиСистемное программное обеспечениеИнформационные технологииПрограммирование

Все о программировании


Linux Unix Алгоритмические языки Аналоговые и гибридные вычислительные устройства Архитектура микроконтроллеров Введение в разработку распределенных информационных систем Введение в численные методы Дискретная математика Информационное обслуживание пользователей Информация и моделирование в управлении производством Компьютерная графика Математическое и компьютерное моделирование Моделирование Нейрокомпьютеры Проектирование программ диагностики компьютерных систем и сетей Проектирование системных программ Системы счисления Теория статистики Теория оптимизации Уроки AutoCAD 3D Уроки базы данных Access Уроки Orcad Цифровые автоматы Шпаргалки по компьютеру Шпаргалки по программированию Экспертные системы Элементы теории информации

Схема и описание установки


Дата добавления: 2015-08-31; просмотров: 756; Нарушение авторских прав


Функциональная схема лабораторной установки представлена на рис.2.6, где: ФПЭ-02 – модуль “Сегнетоэлектрики”; PV – цифровой вольтметр; PO – осциллограф; ИП – источник питания.

 

 
 

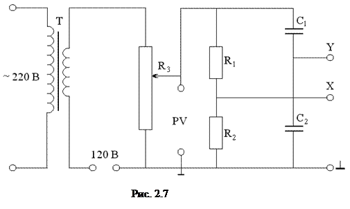
Схема, изображенная на рис. 2.7, собрана в модуле ФПЭ-02. На передней панели модуля имеются:

1. ручка "рег U" потенциометра R3;

2. гнезда "PV" – для подключения вольтметра;

3. гнезда "РО" для подключения осциллографа.

От источника питания на схему поступают напряжение сети ~220 В, 50 Гц.

Напряжение, снимаемое со второй цепи понижающего трансформатора Т (220/100), через потенциометр R3 подается на делитель напряжения, состоящий из сопротивлений R1 и R2. Параллельно делителю R1 и R2 включены последовательно два конденсатора, образующие емкостной делитель: исследуемый керамический сегнетоэлектрический конденсатор С1 и эталонный конденсатор С2. Вольтметр PV обеспечивает измерение величины напряжения, подаваемого на делители R1, R2 и С1, С2. R1=4.7 кОм; R2=20 кОм.

 
 

Осциллограф РО служит для наблюдения и изучения поляризации сегнетоэлектрического конденсатора С1 при подаче на него переменного гармонического напряжения.

 



<== предыдущая лекция | следующая лекция ==>
Так как объемная плотность энергии электрического поля | Методика измерений


Карта сайта Карта сайта укр


Уроки php mysql Программирование

Онлайн система счисления Калькулятор онлайн обычный Инженерный калькулятор онлайн Замена русских букв на английские для вебмастеров Замена русских букв на английские

Аппаратное и программное обеспечение Графика и компьютерная сфера Интегрированная геоинформационная система Интернет Компьютер Комплектующие компьютера Лекции Методы и средства измерений неэлектрических величин Обслуживание компьютерных и периферийных устройств Операционные системы Параллельное программирование Проектирование электронных средств Периферийные устройства Полезные ресурсы для программистов Программы для программистов Статьи для программистов Cтруктура и организация данных


 


Не нашли то, что искали? Google вам в помощь!

 
 

© life-prog.ru При использовании материалов прямая ссылка на сайт обязательна.

Генерация страницы за: 0.041 сек.