русс | укр

Языки программирования

ПаскальСиАссемблерJavaMatlabPhpHtmlJavaScriptCSSC#DelphiТурбо Пролог

Компьютерные сетиСистемное программное обеспечениеИнформационные технологииПрограммирование

Все о программировании


Linux Unix Алгоритмические языки Аналоговые и гибридные вычислительные устройства Архитектура микроконтроллеров Введение в разработку распределенных информационных систем Введение в численные методы Дискретная математика Информационное обслуживание пользователей Информация и моделирование в управлении производством Компьютерная графика Математическое и компьютерное моделирование Моделирование Нейрокомпьютеры Проектирование программ диагностики компьютерных систем и сетей Проектирование системных программ Системы счисления Теория статистики Теория оптимизации Уроки AutoCAD 3D Уроки базы данных Access Уроки Orcad Цифровые автоматы Шпаргалки по компьютеру Шпаргалки по программированию Экспертные системы Элементы теории информации

Схема и описание установки


Дата добавления: 2015-08-31; просмотров: 707; Нарушение авторских прав


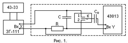
Диэлектрическую проницаемость твердых диэлектриков можно определить, сравнивая сопротивление плоского конденсатора переменному току с эталонным сопротивлением. Принципиальная схема установки представлена на рис. 1.2.

Рис. 1.2

 

Здесь ЗГ-111 – ге­не­ра­тор зву­ко­вых ко­ле­ба­ний, 4Э­013 – элек­трон­ный ос­цил­ло­граф; 43-33 – час­то­то­мер элек­трон­но-с­чет­ный; С – пло­ский кон­ден­са­тор; R – эта­лон­ное со­про­тив­ле­ние, рав­ное 50 кОм; К – ком­му­та­тор; С0 – кон­ден­са­тор с элек­тро­ем­ко­стью, эк­ви­ва­лент­ной вход­ной ем­ко­сти ос­цил­ло­гра­фа.

Пе­ре­мен­ный ток от ге­не­ра­то­ра зву­ко­вых ко­ле­ба­ний по­сту­па­ет в цепь по­сле­до­ва­тель­но со­еди­нен­ных эта­лон­но­го со­про­тив­ле­ния R и плос­ко­го кон­ден­са­то­ра С, ме­ж­ду пла­сти­на­ми ко­то­ро­го по­ме­ща­ет­ся об­ра­зец из ди­элек­три­ка. Ме­няя час­то­ту пе­ре­мен­но­го то­ка, до­би­ва­ют­ся ра­вен­ст­ва па­де­ний на­пря­же­ния на эталонном со­про­тив­ле­нии R (правая линия на экране осциллографа) и на параллельно соединенных кон­ден­са­то­рах (левая линия). При равенстве сигналов, поступающих на экран осциллографа, R=Rc, то есть:

. (1.8)

Учитывая, что и для относительной диэлектрической проницаемости из (1.8) получим:

. (1.9)



<== предыдущая лекция | следующая лекция ==>
Теоретическое введение | Порядок выполнения работы


Карта сайта Карта сайта укр


Уроки php mysql Программирование

Онлайн система счисления Калькулятор онлайн обычный Инженерный калькулятор онлайн Замена русских букв на английские для вебмастеров Замена русских букв на английские

Аппаратное и программное обеспечение Графика и компьютерная сфера Интегрированная геоинформационная система Интернет Компьютер Комплектующие компьютера Лекции Методы и средства измерений неэлектрических величин Обслуживание компьютерных и периферийных устройств Операционные системы Параллельное программирование Проектирование электронных средств Периферийные устройства Полезные ресурсы для программистов Программы для программистов Статьи для программистов Cтруктура и организация данных


 


Не нашли то, что искали? Google вам в помощь!

 
 

© life-prog.ru При использовании материалов прямая ссылка на сайт обязательна.

Генерация страницы за: 0.017 сек.