русс | укр

Языки программирования

ПаскальСиАссемблерJavaMatlabPhpHtmlJavaScriptCSSC#DelphiТурбо Пролог

Компьютерные сетиСистемное программное обеспечениеИнформационные технологииПрограммирование

Все о программировании


Linux Unix Алгоритмические языки Аналоговые и гибридные вычислительные устройства Архитектура микроконтроллеров Введение в разработку распределенных информационных систем Введение в численные методы Дискретная математика Информационное обслуживание пользователей Информация и моделирование в управлении производством Компьютерная графика Математическое и компьютерное моделирование Моделирование Нейрокомпьютеры Проектирование программ диагностики компьютерных систем и сетей Проектирование системных программ Системы счисления Теория статистики Теория оптимизации Уроки AutoCAD 3D Уроки базы данных Access Уроки Orcad Цифровые автоматы Шпаргалки по компьютеру Шпаргалки по программированию Экспертные системы Элементы теории информации

Трехфазные трансформаторы


Дата добавления: 2015-08-31; просмотров: 1112; Нарушение авторских прав


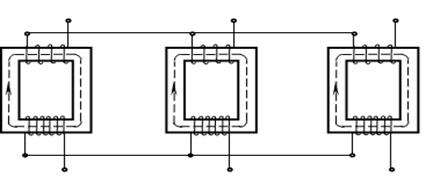
В промышленных установках средней и большой мощности используют выпрямительные схемы, питающиеся от сети трехфазного переменного тока. Для питания этих схем применяют трехфазные трансформаторы. Трехфазные трансформаторы бывают групповые (рис. 3.4), в которых трансформатор выполнен из трех однофазных и каждый из трансфор­маторов группы работает как обычный однофазный, и трехстержневые (рис. 3.5).

Первичные и вторичные обмотки соединяют звездой (Y) или тре­угольником (Δ). При этом схемы соединения обозначают дробью, указывая в числителе схему соединения обмоток высшего, а в знамена­теле – обмоток низшего напря­жения, например Y/Y . В групповом трехфазном трансформаторе магнитная система симме­тричная, что дает возможность получить симметрич­ное трехфазное на­пряжение с вторичных обмоток при питании первичных об­моток от трехфазной сети, фазовые напряжения которой относительно друг друга сдвинуты на 120 градусов.

При исследовании работы группового трехфазного трансформатора можно каждый из трех трансформаторов рассматривать отдельно. По­этому получен­ные ранее уравнения для однофазного трансформатора, его векторные диа­граммы и схемы замещения можно полностью ис­пользовать при рассмотрении процессов в каждой фазе группового трехфазного трансформатора.

 

 

 
 
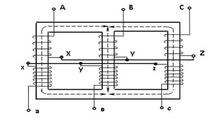
Рисунок 3.4 – Схема трехфазного трансформатора  

 

 


В трехстержневом трансформаторе геометрическая сумма маг­нитных пото­ков в отдельных стержнях в любой момент времени равна нулю. В связи с этим отпадает надобность в специальных участках магнитопровода, необходимых лишь для создания замкнутой магнитной цепи каждой фазы. Магнитный поток любой из фаз может замыкаться через стержни, на которых расположены об­мотки двух остальных фаз. В этом преимущество такого трансформатора, так как масса магнитопровода уменьшается. Однако имеется не­достаток, со­стоящий в том, что магнитные сопротивления средней и крайних фаз отличаются из-за различного пути для магнитного потока в этих фазах.



В трехстержневом трехфазном трансформаторе все шесть обмоток разме­щены на общем сердечнике, поэтому при составлении уравнений следует учи­тывать взаимное влияние обмоток. При определенных усло­виях уравнения для каждой фазы данного трансформатора сводят к уравнениям однофазного трансформатора. Поэтому все зависимости, полученные ранее, могут быть применимы при расчете каждой фазы трехфазного трансформатора.

Коэффициент трансформации в таком трансформаторе определяют как от­ношение линейных напряжений, поэтому он зависит не только от числа витков фазных обмоток, но и от схемы их соединения.

 

 
 
Рисунок 3.5 – Схема трехстержневого трехфазного трансформатора

 




<== предыдущая лекция | следующая лекция ==>
Коэффициент полезного действия трансформатора | Автотрансформаторы


Карта сайта Карта сайта укр


Уроки php mysql Программирование

Онлайн система счисления Калькулятор онлайн обычный Инженерный калькулятор онлайн Замена русских букв на английские для вебмастеров Замена русских букв на английские

Аппаратное и программное обеспечение Графика и компьютерная сфера Интегрированная геоинформационная система Интернет Компьютер Комплектующие компьютера Лекции Методы и средства измерений неэлектрических величин Обслуживание компьютерных и периферийных устройств Операционные системы Параллельное программирование Проектирование электронных средств Периферийные устройства Полезные ресурсы для программистов Программы для программистов Статьи для программистов Cтруктура и организация данных


 


Не нашли то, что искали? Google вам в помощь!

 
 

© life-prog.ru При использовании материалов прямая ссылка на сайт обязательна.

Генерация страницы за: 0.621 сек.