русс | укр

Языки программирования

ПаскальСиАссемблерJavaMatlabPhpHtmlJavaScriptCSSC#DelphiТурбо Пролог

Компьютерные сетиСистемное программное обеспечениеИнформационные технологииПрограммирование

Все о программировании


Linux Unix Алгоритмические языки Аналоговые и гибридные вычислительные устройства Архитектура микроконтроллеров Введение в разработку распределенных информационных систем Введение в численные методы Дискретная математика Информационное обслуживание пользователей Информация и моделирование в управлении производством Компьютерная графика Математическое и компьютерное моделирование Моделирование Нейрокомпьютеры Проектирование программ диагностики компьютерных систем и сетей Проектирование системных программ Системы счисления Теория статистики Теория оптимизации Уроки AutoCAD 3D Уроки базы данных Access Уроки Orcad Цифровые автоматы Шпаргалки по компьютеру Шпаргалки по программированию Экспертные системы Элементы теории информации

Использование АИР со встречными диодами и удвоением частоты в системах управления электротехнологических установок.


Дата добавления: 2015-08-14; просмотров: 829; Нарушение авторских прав


Схемы АИР приведенных групп нашли широкое применение в различных ЭТУ и наиболее перспективны для реализации мощных источников питания среднечастотного диапазона [1, 4-18]. Это связано с рядом важных их преимуществ и характеристик, таких как простота запирания и относительно большое схемное время восстановления тиристоров tacc; синусоидальная форма тока через тиристоры, а значит, относительно небольшая крутизна нарастания тока di/dt через них; стабилизация напряжения на силовых вентилях и других элементах АИР при изменении величины и характера нагрузки в широких пределах, вплоть до короткого замыкания (КЗ) нагрузки; возможность реализации как частотного, так и фазового регулирования выходного напряжения Uвых (мощности Pвых) без применения дополнительных силовых устройств; возможность повышения (умножения) Uвых при Uвх =const, а также получение симметричного Uвых относительно «земли» при питании АИР от трехфазной промышленной сети 50 Гц через мостовой выпрямитель.

Однако для АИР с встречными диодами характерны также высокая крутизна нарастания пряного напряжения du/dt на тиристорах и наличие коммутационных перенапряжений на вентилях большой амплитуды и крутизны нарастания, возникающих в моменты выключения, то есть обрыва обратного тока диодов (Uт1), и при включении очередных противофазных тиристоров (Uт1), Это приводит, если не принять мер, к снижению надежности АИР из-за высокой вероятности самопроизвольного включения тиристоров, пробоя и выхода их из строя [6, 9, 17]. В [1] авторы выделили наиболее эффективные методы и средства повышения надежности АИР для ответственных, не терпящих перерыва электротехнологических процессов. Было отмечено обязательное введение резервирования, но при условии принятия дополнительных (комплексных) мер, позволяющих получить высокую вероятность безотказной работы как основного АИР, так и резервного. Таким образом, для рассматриваемых случаев применения АИР резервирование является необходимый, но недостаточный.



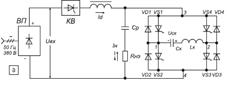
а) Схема АИР с открытыми входом и встречными диодами.

На рис. la приведена базовая схема мостового АИР с открытый входом, удвоением частоты и встречными диодами, питание которого осуществляется от трехфазной промышленной сети 50 Гц, напряжением Un - 380 В через мостовой выпрямитель ВП и тиристорно-конденсаторный выключатель KB, при этом Umn =510-520В. Нагрузка, обычно представляющая собой колебательный нагрузочный контур с эквивалентным активный сопротивлением Rн, включена в цель раздели­тельного конденсатора, при этом Ср>> Ск. Включение встречных диодов параллельно тиристорам в схемах АИР с открытым и закрытым входами позволило решить весьма важные вопросы по повышению устойчивости их работы как за счет относительного увеличения и получения схемного времени восстановления тиристоров tвсс = Т0/2 ~ const, где Т0период собственных колебаний контура СкLк, так и ограничения прямого напряжения на них на определенном, относительно низком уровне, при изменениях нагрузки от максимального допустимого уровня до КЗ. При этом возникают, как было показано выше, задачи, связанные с необходимостью ограничения и равномерного распределения крутизны нарастания du2/dt прямого напряжения и коммутационных перенапряжений на тиристорах, возникающих в моменты обрыва обратного тока встречных диодов и включения противофазных тиристоров. Это особенно важно при последовательном соединении тиристоров (диодов) в высоковольтных, мощных АИР [1, 9, 17]. С точки зрения устойчивости и надежности работы АИР наиболее «опасны» перенапряжения, возникающие в моменты обрыва обратного тока (Iоб) встречных диодов, которые имеют высокую амплитуду (Um1) и крутизну нарастания, являются прямыми и прикладываются к запираемому тиристору как раз в момент окончания tвсс. Величина Um1зависит от крутизны спада diоб/dt, которая, в свою очередь, увеличивается со снижением нагрузки и максимальна при КЗ нагрузки. Кроме того, Uml зависит от величины Lк времени выключения tвык и его составляющих — восстановления обратного сопротивления tво и tсп— быстрого спада обратного тока встречных диодов. При расчете демпфирующих RС-цепей? а также коммутационных потерь в [19, 20] показано, что tво, tcn в достаточно широком диапазоне связаны со временем выключения tBык линейной зависимостью, и поэтому могут быть использованы следующие соотношения tво=0,15 tвык, tcn=0,04 tвык

 



<== предыдущая лекция | следующая лекция ==>
Основные схемы АИР со встроенными диодами и удвоением частоты, временные диаграммы работы, расчет основных параметров и характеристик. | Силовые интеллектуальные приборы (СИП), структура, классификация, особенности и защитные функции СИП.


Карта сайта Карта сайта укр


Уроки php mysql Программирование

Онлайн система счисления Калькулятор онлайн обычный Инженерный калькулятор онлайн Замена русских букв на английские для вебмастеров Замена русских букв на английские

Аппаратное и программное обеспечение Графика и компьютерная сфера Интегрированная геоинформационная система Интернет Компьютер Комплектующие компьютера Лекции Методы и средства измерений неэлектрических величин Обслуживание компьютерных и периферийных устройств Операционные системы Параллельное программирование Проектирование электронных средств Периферийные устройства Полезные ресурсы для программистов Программы для программистов Статьи для программистов Cтруктура и организация данных


 


Не нашли то, что искали? Google вам в помощь!

 
 

© life-prog.ru При использовании материалов прямая ссылка на сайт обязательна.

Генерация страницы за: 0.366 сек.