
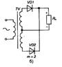
Рис. 2 Однофазная двухполупериодная схема выпрямления со средней точкой (а) и диаграмма напряжений и токов на элементах схемы (б)
Эта схема может работать на любой вид нагрузки. Находит широкое применение для получения низких выходных напряжений при высоких токах нагрузки. Схема применяется на выходные мощности, менее нескольких сотен ватт. Основные преимущества схемы следующие: частота пульсации выше, чем в однополупериодной схеме, возможность использования вентилей с общим катодом и общим анодом, возможность применения общего радиатора без изоляции вентилей, отсутствие вынужденного намагничивания. Высокий КПД. Недостатками схемы являются: худшее использование трансформатора по сравнению с мостовой схемой и схемой удвоения напряжения, высокое обратное напряжение.