русс | укр

Языки программирования

ПаскальСиАссемблерJavaMatlabPhpHtmlJavaScriptCSSC#DelphiТурбо Пролог

Компьютерные сетиСистемное программное обеспечениеИнформационные технологииПрограммирование

Все о программировании


Linux Unix Алгоритмические языки Аналоговые и гибридные вычислительные устройства Архитектура микроконтроллеров Введение в разработку распределенных информационных систем Введение в численные методы Дискретная математика Информационное обслуживание пользователей Информация и моделирование в управлении производством Компьютерная графика Математическое и компьютерное моделирование Моделирование Нейрокомпьютеры Проектирование программ диагностики компьютерных систем и сетей Проектирование системных программ Системы счисления Теория статистики Теория оптимизации Уроки AutoCAD 3D Уроки базы данных Access Уроки Orcad Цифровые автоматы Шпаргалки по компьютеру Шпаргалки по программированию Экспертные системы Элементы теории информации

Рабочее проектирование


Дата добавления: 2015-08-06; просмотров: 1710; Нарушение авторских прав


На стадии рабочего проектирования основным видом выполняемых работ является оформление проектных решений в виде чертежей, спецификаций к ним и эксплуатационной документации на объект.

Современные средства вычислительной техники позволяют полностью автоматизировать оформление чертежей и спецификаций, и в определенной степени — формирование эксплуатационной документации.

Если система автоматизации проектирования выполняет выпуск не только рабочего проекта, но и проектирование технологии, тогда целесообразно не изготавливать чертежи и спецификации в традиционном виде, а передавать проектировщикам-технологам информацию на машинных носителях в виде базы данных о проектируемом объекте.

Контрольные вопросы и упражнения

  1. В чем сущность системного подхода к автоматизированному проектированию технологического процесса?
  2. Какие пункты включает в себя задание на проектирование?
  3. Опишите стадии разработки сложных технических систем.
  4. Что называется внешним проектированием?
  5. Что называется внутренним проектированием?
  6. Что включает в себя руководящая информация?
  7. Какие данные включаются в справочную информацию?
Лекция4: Системы автоматизированного проектирования (САПР) РЭС  
     
4.1. Определение, назначение, цель По определению, САПР — это организационно-техническая система, состоящая из совокупности комплекса средств автоматизации проектирования и коллектива специалистов подразделений проектной организации, выполняющая автоматизированное проектирование объекта, которое является результатом деятельности проектной организации Разомкнутая схема функционирования САПР представлена на рис. 4.1. Рис. 4.1. Схема функционирования САПР; КСА — комплекс технических средств Проектировщики, как следует из определения, относятся к САПР. Это утверждение вполне правомерно, т. к. САПР — это система автоматизированного, а не автоматического проектирования. Это значит, что часть операций проектирования всегда будет выполняться человеком. При этом в более совершенных системах доля работ, выполняемых человеком, будет меньше, но содержание этих работ будет более творческим, а роль человека в большинстве случаев — более ответственной. То, что проектируют, называют объектом проектирования. А объектом автоматизации проектирования являются работы, действия человека, которые он выполняет в процессе проектирования. Человек может проектировать дом, машину, технологический процесс, промышленное изделие. Такие же объекты призвана проектировать САПР. При этом разделяют САПР изделия (САПР И) и САПР технологических процессов (САПР ТП). Следовательно, объекты проектирования не являются объектами автоматизации проектирования. В производственной практике объектом автоматизации проектирования является вся совокупность действий проектировщиков, разрабатывающих изделие или технологический процесс, или то и другое, и оформляющих результаты разработок в виде конструкторской, технологической и эксплуатационной документаций. Разделив весь процесс проектирования на этапы и операции, можно описать их с помощью определенных математических методов и определить инструментальные средства для их автоматизации. Затем необходимо рассмотреть выделенные проектные операции и средства автоматизации в комплексе и найти способы сопряжения их в единую систему, отвечающую поставленным целям. При проектировании сложного объекта различные проектные операции многократно повторяются. Это связано с тем, что проектирование представляет собой закономерно развивающийся процесс. Начинается он с выработки общей концепции проектируемого объекта, на ее основе - эскизного проекта. Далее приближенные решения (прикидки) эскизного проекта уточняются на всех последующих стадиях проектирования. В целом такой процесс можно представить в виде спирали. На нижнем витке спирали находится концепция проектируемого объекта, на верхнем — окончательные данные о спроектированном объекте. На каждом витке спирали выполняют, с точки зрения технологии обработки информации, идентичные операции, но в увеличивающем объеме. Следовательно, инструментальные средства автоматизации повторяющихся операций могут быть одни и те же. Для всех этапов проектирования изделий и технологии их изготовления можно выделить следующие основные виды типовых операций обработки информации:
  • поиск и выбор из всевозможных источников нужной информации;
  • анализ выбранной информации;
  • выполнение расчетов;
  • принятие проектных решений;
  • оформление проектных решений в виде, удобном для дальнейшего использования (на последующих стадиях проектирования, при изготовлении или эксплуатации изделия).
Автоматизация перечисленных операций обработки информации и процессов управления использованием информации на всех стадиях проектирования составляет сущность функционирования современных САПР. Первой особенностью САПР является возможность комплексного решения общей задачи проектирования, установления тесной связи между частными задачами, т. е. возможность интенсивного обмена информацией и взаимодействие не только отдельных процедур, но и этапов проектирования. Например, применительно к техническому (конструкторскому) этапу проектирования САПР РЭС позволяет решать задачи компоновки, размещения и трассировки в тесной взаимосвязи, которая должна быть заложена в технических и программных средствах системы. Вторым отличием САПР РЭС является интерактивный режим проектирования, при котором осуществляется непрерывный процесс диалога "человек-машина". Сколь ни сложны и изощренны формальные методы проектирования, сколь ни велика мощность вычислительных средств, невозможно создать сложную аппаратуру без творческого участия человека. Системы автоматизации проектирования по своему замыслу должны не заменять конструктора, а выступать мощным инструментом его творческой деятельности. Третья особенность САПР РЭС заключается в возможности имитационного моделирования радиоэлектронных систем в условиях работы, близких к реальным. Имитационное моделирование дает возможность предвидеть реакцию проектируемого объекта на самые различные возмущения, позволяет конструктору "видеть" плоды своего труда в действии без макетирования. Ценность этой особенности САПР заключается в том, что в большинстве случаев крайне трудно сформулировать системный критерий эффективности РЭС. Эффективность связана с большим числом требований различного характера и зависит от большого числа параметров РЭС и внешних факторов. Поэтому в сложных задачах проектирования практически невозможно формализовать процедуру поиска оптимального по критерию комплексной эффективности решения. Имитационное моделирование позволяет провести испытания различных вариантов решения и выбрать лучший, причем сделать это быстро и учесть всевозможные факторы и возмущения. Четвертая особенность заключается в значительном усложнении программного и информационного обеспечения проектирования. Речь идет не только о количественном, объемном увеличении, но и об идеологическом усложнении, которое связано с необходимостью создания языков общения проектировщика и ЭВМ, развитых банков данных, программ информационного обмена между составными частями системы, программ проектирования. В результате проектирования создаются новые, более совершенные РЭС, отличающиеся от своих аналогов и прототипов более высокой эффективностью за счет использования новых физических явлений и принципов функционирования, более совершенной элементной базы и структуры, улучшенных конструкций и прогрессивных технологических процессов. 4.2. Принципы создания систем автоматизированного проектирования конструкции и технологии При создании САПР руководствуются следующими общесистемными принципами:
  1. Принцип включения состоит в том, что требования к созданию, функционированию и развитию САПР определяются со стороны более сложной системы, включающей в себя САПР в качестве подсистемы. Такой сложной системой может быть, например, комплексная система АСНИ — САПР — АСУТП предприятия, САПР отрасли и т. п.
  2. Принцип системного единства предусматривает обеспечение целостности САПР за счет связи между ее подсистемами и функционирования подсистемы управления САПР.
  3. Принцип комплексноститребует связности проектирования отдельных элементов и всего объекта в целом на всех стадиях проектирования.
  4. Принцип информационного единства предопределяет информационную согласованность отдельных подсистем и компонентов САПР. Это означает, что в средствах обеспечения компонентов САПР должны использоваться единые термины, символы, условные обозначения, проблемно-ориентированные языки программирования и способы представления информации, которые обычно устанавливаются соответствующими нормативными документами. Принцип информационного единства предусматривает, в частности, размещение всех файлов, используемых многократно при проектировании различных объектов, в банках данных. За счет информационного единства результаты решения одной задачи в САПР без какой-либо перекомпоновки или переработки полученных массивов данных могут быть использованы в качестве исходной информации для других задач проектирования.
  5. Принцип совместимости состоит в том, что языки, коды, информационные и технические характеристики структурных связей между подсистемами и компонентами САПР должны быть согласованы так, чтобы обеспечить совместное функционирование всех подсистем и сохранить открытую структуру САПР в целом. Так, введение каких-либо новых технических или программных средств в САПР не должно приводить к каким-либо изменениям уже эксплуатируемых средств.
  6. Принцип инвариантностипредусматривает, что подсистемы и компоненты САПР должны быть по возможности универсальными или типовыми, т. е. инвариантными к проектируемым объектам и отраслевой специфике. Применительно ко всем компонентам САПР это, конечно, невозможно. Однако многие компоненты, например программы оптимизации, обработки массивов данных и другие, могут быть сделаны одинаковыми для разных технических объектов.
  7. Принцип развития требует, чтобы в САПР предусматривалось наращивание и совершенствование компонентов и связей между ними. При модернизации подсистемы САПР допускается частичная замена компонентов, входящих в подсистему, с изданием соответствующей документации.
Приведенные общесистемные принципы являются чрезвычайно важными на этапе разработки САПР. Контроль над их соблюдением обычно осуществляет специальная служба САПР предприятия. Сущность процесса проектирования РЭС заключается в разработке конструкций и технологических процессов производства новых радиоэлектронных средств, которые должны с минимальными затратами и максимальной эффективностью выполнять предписанные им функции в требуемых условиях. В результате проектирования создаются новые, более совершенные РЭС, отличающиеся от своих аналогов и прототипов более высокой эффективностью за счет использования новых физических явлений и принципов. on_load_lecture()
 
 
 
Лекция 5: Технические средства САПР и их развитие  
 
5.1. Требования, предъявляемые к техническому обеспечению Используемые в САПР технические средства должны обеспечивать:
  • выполнение всех необходимых проектных процедур, для которых имеется соответствующее программное обеспечение;
  • взаимодействие между проектировщиками и ЭВМ, поддержку интерактивного режима работы;
  • взаимодействие между членами коллектива, работающими над общим проектом.
Первое из этих требований выполняется при наличии в САПР вычислительных машин и систем с достаточными производительностью и емкостью памяти. Второе требование относится к пользовательскому интерфейсу и выполняется за счет включения в САПР удобных средств ввода/вывода данных и, прежде всего, устройств обмена графической информацией. Третье требование обусловливает объединение аппаратных средств САПР в вычислительную сеть. В результате общая структура ТО САПР представляет собой сеть узлов, связанных между собой средой передачи данных. Узлами (станциями данных) являются рабочие места проектировщиков, часто называемые автоматизированными рабочими местами (АРМ), или рабочими станциями (WS — Workstation); ими могут быть также большие ЭВМ (мейнфреймы), отдельные периферийные и измерительные устройства. Именно в АРМ должны существовать средства для интерфейса проектировщика с ЭВМ. Что касается вычислительной мощности, то она может быть распределена между различными узлами вычислительной сети. Среда передачи данных представлена каналами передачи данных, состоящими из линий связи и коммутационного оборудования. В каждом узле можно выделить оконечное оборудование данных (ООД), выполняющее определенную работу по проектированию, и аппаратуру окончания канала данных (АКД), предназначенную для связи ООД со средой передачи данных. Например, в качестве ООД можно рассматривать персональный компьютер, а в качестве АКД — вставляемую в компьютер сетевую плату. Канал передачи данных — средство двустороннего обмена данными, включающее в себя АКД и линию связи. Линией связи называют часть физической среды, используемую для распространения сигналов в определенном направлении; примерами линий связи могут служить коаксиальный кабель, витая пара проводов, волоконно-оптическая линия связи (ВОЛС). Близким является понятие канала (канала связи), под которым понимают средство односторонней передачи данных. Примером канала связи может быть полоса частот, выделенная одному передатчику при радиосвязи. Рис. 5.1. Структура технического обеспечения САПР В некоторой линии можно образовать несколько каналов связи, по каждому из которых передается своя информация. При этом говорят, что линия разделяется между несколькими каналами. 5.2. Типы сетей Существуют два метода разделения линии передачи данных: временное мультиплексирование (иначе — разделение по времени, или TDM — Time Division Method), при котором каждому каналу выделяется некоторый квант времени, и частотное разделение (FDM — Frequency Division Method), при котором каналу выделяется некоторая полоса частот. В САПР небольших проектных организаций, насчитывающих не более единиц-десятков компьютеров, которые размещены на малых расстояниях один от другого (например, в одной или нескольких соседних комнатах), объединяющая компьютеры сеть является локальной. Локальная вычислительная сеть (ЛВС), или LAN (Local Area Network), имеет линию связи, к которой подключаются все узлы сети. При этом топология соединений узлов (рис. 5.2) может быть шинная (bus), кольцевая (ring), звездная (star). Протяженность линии и число подключаемых узлов в ЛВС ограничены. Рис. 5.2. Варианты топологии локальных вычислительных сетей: а — шинная; б — кольцевая; в — звездная В более крупных по масштабам проектных организациях в сеть включены десятки-сотни и более компьютеров, относящихся к разным проектным и управленческим подразделениям и размещенных в помещениях одного или нескольких зданий. Такую сеть называют корпоративной. В ее структуре можно выделить ряд ЛВС, называемых подсетями, и средства связи ЛВС между собой. В эти средства входят коммутационные серверы (блоки взаимодействия подсетей). Если коммутационные серверы объединены отделенными от ЛВС подразделений каналами передачи данных, то они образуют новую подсеть, называемую опорной (или транспортной), а вся сеть оказывается иерархической структуры. Если здания проектной организации удалены друг от друга на значительные расстояния (вплоть до их расположения в разных городах), то корпоративная сеть по своим масштабам становится территориальной сетью (WAN — Wide Area Network). В территориальной сети различают магистральные каналы передачи данных (магистральную сеть), имеющие значительную протяженность, и каналы передачи данных, связывающие ЛВС (или совокупность ЛВС отдельного здания или кампуса) с магистральной сетью и называемые абонентской линией или соединением "последней мили". Обычно создание выделенной магистральной сети, т. е. сети, обслуживающей единственную организацию, обходится для этой организации слишком дорого. Поэтому чаще прибегают к услугам провайдера, т. е. фирмы, предоставляющей телекоммуникационные услуги многим пользователям. В этом случае внутри корпоративной сети связь на значительных расстояниях осуществляется через магистральную сеть общего пользования. В качестве такой сети можно использовать, например, городскую или междугородную телефонную сеть или территориальные сети передачи данных. Наиболее распространенной формой доступа к этим сетям в настоящее время является обращение к глобальной вычислительной сети Internet. Для многих корпоративных сетей возможность выхода в Internet является желательной не только для обеспечения взаимосвязи удаленных сотрудников собственной организации, но и для получения других информационных услуг. Развитие виртуальных предприятий, работающих на основе CALS-технологий, с необходимостью подразумевает информационные обмены через территориальные сети, как правило, через Internet. Нужно, однако, отметить, что использование сетей общего пользования существенно усложняет задачу обеспечения информационной безопасности. Структура ТО САПР для крупной организации представлена на рис. 5.3. Здесь показана типичная структура крупных корпоративных сетей САПР, называемая архитектурой клиент-сервер. В сетях "клиент-сервер" выделяется один или несколько узлов, называемых серверами, которые выполняют в сети управляющие или общие для многих пользователей проектные функции, а остальные узлы (рабочие места) являются терминальными — их называют клиентами, в них работают пользователи. В общем случае сервером называют совокупность программных средств, ориентированных на выполнение определенных функций. Но если эти средства сосредоточены на конкретном узле вычислительной сети, то тогда понятие "сервер" относится именно к узлу сети. Сети "клиент-сервер" различают по характеру распределения функций между серверами, — другими словами, их классифицируют по типам серверов. Различают файл-серверы для хранения файлов, разделяемых многими пользователями, серверы баз данных АС, серверы приложений для решения конкретных прикладных задач, коммутационные серверы (называемые также блоками взаимодействия сетей или серверами доступа) для взаимосвязи сетей и подсетей, специализированные серверы для выполнения определенных телекоммуникационных услуг, например серверы электронной почты. Рис. 5.3. Структура корпоративной сети САПР В случае специализации серверов по определенным приложениям сеть называют сетью распределенных вычислений. Если сервер приложений обслуживает пользователей одной ЛВС, то такой сервер называют локальным. Но поскольку в САПР имеются приложения и базы данных, разделяемые пользователями разных подразделений и, следовательно, клиентами разных ЛВС, то соответствующие серверы относят к группе корпоративных, подключаемых обычно к опорной сети (см. рис. 5.3). Наряду с архитектурой "клиент-сервер" применяют одноранговые сети, в которых любой узел в зависимости от решаемой задачи может выполнять функции как сервера, так и клиента. Организация взаимодействия в таких сетях при числе узлов более нескольких десятков становится довольно сложной, поэтому одноранговые сети нашли преимущественное распространение в небольших по масштабам САПР. В соответствии со способами коммутации различают сети с коммутацией каналов и коммутацией пакетов. В первом случае при обмене данными между узлами А и В сети создается физическое соединение между А и В, которое во время сеанса связи используется только этими абонентами. Примером сети с коммутацией каналов может служить телефонная сеть. Здесь передача информации происходит быстро, но каналы связи используются неэффективно, так как при обмене данными возможны длительные паузы и канал "простаивает". При коммутации пакетов физического соединения, которое в каждый момент сеанса связи соединяло бы абонентов А и В, не создается. Сообщения разделяются на порции, называемые пакетами, которые передаются в разветвленной сети от А к В или обратно через промежуточные узлы с возможной буферизацией (временным запоминанием) в них. Таким образом, любая линия может разделяться многими сообщениями, попеременно пропуская при этом пакеты разных сообщений с максимальным заполнением упомянутых пауз. on_load_lecture() Вы можете поддержать наш проект и автора курса? set_video_reclama();
 
 
 
   
5.3. Эталонная модель взаимосвязи открытых систем Для удобства модернизации сложные информационные системы делают максимально открытыми, т. е. приспособленными для внесения изменений в некоторую часть системы при сохранении неизменными остальных частей. В отношении вычислительных сетей реализация концепции открытости привела к появлению эталонной модели взаимосвязи открытых систем (ЭМВОС), предложенной Международной организацией стандартизации (ISO — International Standard Organization). В этой модели дано описание общих принципов, правил, соглашений, обеспечивающих взаимодействие информационных систем и называемых протоколами. Информационную сеть в ЭМВОС рассматривают как совокупность функций (протоколов), которые подразделяют на группы, называемые уровнями. Именно разделение на уровни позволяет вносить изменения в средства реализации одного уровня без перестройки средств других уровней, что значительно упрощает и удешевляет модернизацию средств по мере развития техники. Различают семь уровней ЭМВОС. На физическом (physical) уровне осуществляется представление информации в виде электрических или оптических сигналов, преобразование формы сигналов, выбор параметров физических сред передачи данных, организуется передача информации через физические среды. На канальном (link) уровне выполняется обмен данными между соседними узлами сети, т. е. узлами, непосредственно связанными физическими соединениями без других промежуточных узлов. Отметим, что пакеты канального уровня обычно называют кадрами. На сетевом (network) уровне происходит формирование пакетов по правилам тех промежуточных сетей, через которые проходит исходный пакет, и маршрутизация пакетов, т. е. определение и реализация маршрутов, по которым передаются пакеты. Другими словами, маршрутизация сводится к образованию логических каналов. Логическим каналом называют виртуальное соединение двух или более объектов сетевого уровня, при котором возможен обмен данными между этими объектами. Понятию логического канала не обязательно соответствует физическое соединение линий передачи данных между связываемыми пунктами. Это понятие введено для абстрагирования от физической реализации соединения. Еще одной важной функцией сетевого уровня после маршрутизации является контроль нагрузки на сеть с целью предотвращения перегрузок, отрицательно влияющих на работу сети. На транспортном (transport) уровне обеспечивается связь между оконечными пунктами (в отличие от предыдущего сетевого уровня, на котором обеспечивается передача данных через промежуточные компоненты сети). К функциям транспортного уровня относятся мультиплексирование и демультиплексирование (сборка/разборка сообщений на пакеты в конечных пунктах), обнаружение и устранение ошибок в переданных данных, задание требуемого уровня услуг (например, заказанных скорости и надежности передачи). На сеансовом (session) уровне определяются тип связи (дуплекс или полудуплекс), начало и окончание заданий, последовательность и режим обмена запросами и ответами взаимодействующих партнеров. На представительном (presentation) уровне реализуются функции представления данных (кодирование, форматирование, структурирование). Например, на этом уровне выделенные для передачи данные преобразуются из одного кода в другой, в частности, с целью шифрования. На прикладном (application) уровне определяются и оформляются в сообщения те данные, которые подлежат передаче по сети. В конкретных случаях может возникать потребность в реализации лишь части названных функций, тогда, соответственно, сеть будет содержать лишь часть уровней. Так, в простых (неразветвленных) ЛВС отпадает необходимость в средствах сетевого и транспортного уровней. Одновременно сложность функций канального уровня делает целесообразным его разделение в ЛВС на два подуровня:
  • управление доступом к каналу (MAC — Medium Access Control);
  • управление логическим каналом (LLC — Logical Link Control). К подуровню LJLC, в отличие от подуровня MAC, относится часть функций канального уровня, независящих от особенностей передающей среды.
Передача данных через разветвленные сети происходит при использовании инкапсуляции/декапсуляции порций данных. Так, сообщение, пришедшее на транспортный уровень, делится на сегменты, которые получают заголовки и передаются на сетевой уровень. Сегментом обычно называют пакет транспортного уровня. Сетевой уровень организует передачу данных через промежуточные сети. Для этого сегмент может быть разделен на части (пакеты), если сеть не поддерживает передачу сегментов целиком. Пакет снабжается своим сетевым заголовком (т. е. происходит инкапсуляция сегмента в пакет сетевого уровня). При передаче между узлами промежуточной ЛВС требуется инкапсуляция пакетов в кадры с возможной разбивкой пакета. Приемник декапсулирует сегменты и восстанавливает исходное сообщение. 5.4. Состав технического обеспечения САПР Техническом обеспечении (ТО) САПР включает в себя вычислительный комплекс (ВК) на базе высокопроизводительной вычислительной техники с большим объемом оперативной и внешней памяти, широким набором периферийных устройств для обеспечения диалогового режима работы, выпуска текстовой и чертежной документации и создания полноценных баз данных [27, 2020, 17, 30, 74]. Целесообразно создавать комплексные САПР на основе двухуровневой иерархической структуры с ЭВМ средней и большой производительности на верхнем уровне и сетью терминальных станций на нижнем уровне. Выбор типового ВК для верхнего уровня производится в зависимости от сложности объекта проектирования, который определяют согласно государственным стандартам по числу составных частей. Для верхнего уровня САПР предусмотрен выпуск различных модификаций ВК с едиными версиями операционных систем (ОС). В состав типовых ВК должны входить ОС для обработки графической информации, специальные графические процессоры, графические периферийные устройства. За десятилетия своего развития технические средства САПР прошли несколько этапов, в значительной степени связанных со сменой поколений ЭВМ и совершенствованием периферийных устройств. Из-за сложности решаемых задач развитие САПР привело к созданию мощных децентрализованных систем ЭВМ, объединенных локальными вычислительными (ЛВС) и сложными распределенными виртуальными сетями. К настоящему времени сложился устойчиво растущий рынок сбыта аппаратных и программных средств в области САПР, который выработал собственные требования к базовым ЭВМ, периферийным устройствам и ЛВС. В качестве эталонных базовых ЭВМ, находящихся непосредственно на столах проектировщиков РЭС, выступают в течение уже длительного времени АРМ, рабочие станции (РС), связанные ЛВС между собой и другими ЭВМ. Особенности архитектуры и технических характеристик РС с точки зрения их применения в качестве базовых вычислительных систем в области САПР РЭС наиболее ясно проявляются при сравнении с ПК.
  1. Вычислительным ядром большинства РС является RISC-процессор, т.е. процессор с сокращенным набором команд и повышенным быстродействием — большинство его команд выполняется за один период тактового генератора частоты, синхронизирующего работу такого микропроцессора (МП). Большинство ПК имеет в качестве вычислительного ядра МП со сложным набором команд (CISC-процессор), у которого каждая команда выполняется в несколько тактов генератора частоты. При этом сравнительно более низкая производительность ПК компенсируется более простым программным обеспечением и совместимостью с более ранними моделями ПК.
  2. Все современные PC имеют большой объем оперативного запоминающего устройства (ОЗУ) и работают под управлением сложных многозадачных операционных систем с соответствующими аппаратными средствами поддержки. Большая часть ПК имеет несколько меньший объем ОЗУ и работает под управлением более простых однозадачных ОС типа MS-DOS, хотя и имеет средства аппаратной поддержки многозадачности ОС. Эта особенность PC обусловлена сложностью задач и иерархичностью пакетов САПР.
  3. Наличие в PC мощных графических процессоров с поддержкой высокоскоростной и высококачественной графики с разрешением не менее 1000x1000 и цветовой палитрой до 1,5 млн цветовых оттенков. В большинстве ПК используется менее высококачественная графика стандарта VGA, SVGA. Эта особенность PC обусловлена тем, что большинство задач САПР требует высококачественного графического ввода/вывода информации.
  4. В базовый комплект PC обязательно встраивается аппаратура высокоскоростной связи со стандартной ЛВС — сетевой адаптер. В базовом комплекте ПК обычно не предусмотрено наличие сетевого адаптера. Такая особенность PC обусловлена тем, что PC не может работать эффективно в автономном режиме, без взаимодействия с другими PC и типами ЭВМ через ЛВС. ПК спроектирован как автономное устройство, поэтому даже при объединении ПК в локальную сеть большинство операций с информацией ПК проводит автономно. Структурная схема типичной РС с подключенными к ней периферийными устройствами показана на рис. 5.4.
Рис. 5.4. Архитектура рабочей станции Базовый набор компонентов PC составляют:
    • системная плата, содержащая RISC-процессор с аппаратно реализованным сопроцессором арифметики с плавающей точкой (САПТ), оперативное и постоянное запоминающие устройства (ОЗУ и ПЗУ) и, как правило, графический адаптер с подключенным к нему монитором;
    • платы сопряжения с периферийными устройствами, образующие подсистему ввода/вывода с клавиатурой, манипулятором типа "мышь", иногда с автоматическим сканером, графопостроителем или лазерной печатью;
    • платы сопряжения с внешними запоминающими устройствами (ВЗУ), плата сетевого адаптера
  1. Основой системной платы является базовый МП, осуществляющий арифметические и логические операции, а также управление PC. На одном кристалле современного RISC-МП расположен целочисленный процессор, часто сопроцессор арифметики с плавающей точкой, а иногда и графический процессор обработки изображений (от сотен тысяч до миллионов транзисторов на одном кристалле). В некоторых недорогих вариантах базовых ЭВМ САПР на основе ПК используются МП со сложным набором команд.
PC и ПК являются нижним уровнем технических средств САПР, непосредственно доступным проектировщикам РЭС с помощью САПР. Часть задач в САПР требует более высокой производительности, что достигается использованием ЭВМ других классов и их комплексированием вместе с PC и ПК на базе ЛВС. Контрольные вопросы и упражнения
  1. Какие требования предъявляются к техническому обеспечению САПР?
  2. Как представляется среда передачи данных?
  3. Что представляет собой канал передачи данных?
  4. Назовите методы разделения линии передачи данных.
  5. Назовите варианты топологии локальных вычислительных сетей.
  6. Что называется сервером?
  7. Назовите разновидности серверов.
  8. Как осуществляется передача информации в сетях с коммутацией каналов и коммутацией пакетов?
  9. Что представляет собой эталонная модель взаимосвязи открытых систем (ЭМВОС)?
  10. Расскажите об уровнях ЭМВОС.
  11. Что называют локальной вычислительной сетью (ЛВС)?
  12. Что представляет собой рабочая станция (РС)?
  13. Чем отличается РС от персонального компьютера?
  14. Что входит в архитектуру РС?
 
Лекция 6: Технические средства САПР и их развитие (продолжение)  
 
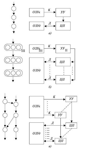
6.1. Высокопроизводительные технические средства САПР и их комплексирование Рабочие станции (PC) и персональные компьютеры (ПК) имеют традиционную архитектуру, ориентированную на последовательные вычисления, т.е. одним потоком команд они обрабатывают один поток данных. Такая организация вычислений была предложена фон-Нейманом и названа его именем. Усложнение решаемых задач и вычислительных алгоритмов САПР привело к внедрению в эту область более высокопроизводительных ЭВМ, организация вычислений в которых основана на множественности потоков команд, обрабатывающих множество потоков данных. Архитектура этих ЭВМ называется параллельной — "не фон-неймановской". По множественности/одиночности потоков команд и данных ЭВМ можно разделить на четыре класса, но на практике используются ЭВМ трех классов. На рис. 6.1 показаны упрощенные структурные схемы трех классов ЭВМ, включающие в себя следующие блоки: ОЗУ команд (ОЗУк), ОЗУ данных (ОЗУд), устройство управления (УУ), центральный процессор (ЦП), а также потоки команд (К) и потоки данных (Д) [7, 16]. ЭВМ класса ОКОД — это традиционные "фон-неймановские" машины с одиночным потоком команд и одиночным потоком данных. К ним относятся PC и ПК. ОКМД ЭВМ — это параллельные компьютеры с одиночным потоком команд и множественными потоками данных. МКМД ЭВМ — это многопроцессорные ЭВМ с множественными потоками команд и множественными потоками данных. На рис. 6.1а, б, в показаны также соответствующие трем классам ЭВМ алгоритмы организации вычислений. Стрелками в них обозначены потоки команд и данных, кружками — выполняемые операторы. В случае ОКОД ЭВМ используется обычный последовательный алгоритм вычислений. Для организации вычислений в ЭВМ класса ОКМД применяется последовательно-групповой алгоритм. В этом случае группе выполняемых операторов соответствуют операции над векторными и матричными данными. ОКМД ЭВМ реализуются в виде векторных и матричных ЭВМ. Поскольку производительность таких машин велика, их называют суперЭВМ. Матричная супер-ЭВМ представляет собой матрицу одинаковых процессорных элементов с собственными локальными ОЗУ, причем каждый из процессоров матрицы выполняет в каждый момент времени одну и ту же команду над разными элементами векторных (матричных) данных. Недостаток матричных ЭВМ — ограниченное количество процессорных элементов в матрице ограничивает производительность ЭВМ: чем длиннее векторы обрабатываемых данных, тем ниже выигрыш в производительности такой матричной супер-ЭВМ перед обычной ОКОД ЭВМ, называемой скалярной машиной. От этого недостатка свободны векторные супер-ЭВМ класса ОКМД. В отличие от матричной, векторная супер-ЭВМ имеет один процессор, но его аппаратура разбита на отдельные секции. При этом каждая секция обрабатывает элемент векторных данных за один и тот же такт времени своей логической подфункцией, на которые разбивается общая логическая функция, описывающая работу векторного процессора. Элементы векторов передаются от секции к секции с каждым новым тактом времени, формируя таким образом непрерывный конвейер обработки векторов. Секции конвейера называют его ступенями. Такие векторные конвейерные супер-ЭВМ оказываются тем более производительнее по сравнению со скалярными, чем длиннее обрабатываемые векторы. Существенный недостаток векторных супер-ЭВМ — резкое снижение производительности при нарушении непрерывного потока данных, поступающих на вход конвейера. Поскольку алгоритм организации вычислений для ОКМД ЭВМ имеет специальный вид — последовательно-групповой. ЭВМ этого класса называют специализированными, так как они достигают своей пиковой производительности лишь на определенного класса задачах. В области САПР такие супер-ЭВМ успешно применяются для формирования реалистичных трехмерных графических изображений и решения ряда задач конструкторского проектирования сложных изделий, где требуется обработка векторов и матриц. Рис. 6.1. Классификация параллельных ЭВМ: а) ЭВМ класса ОКМД; алгоритм последовательно-групповой, в) ЭВМ класса МКМД; алгоритм параллельный, слабосвязанный Супер-ЭВМ класса МКМД называют суперскалярными высокопараллельными многопроцессорными системами. Поскольку эти ЭВМ реализуют алгоритм вычислений со слабосвязанными множественными потоками команд и данных общего вида, они являются универсальными и обеспечивают выигрыш в производительности по сравнению со скалярными на большинстве задач, решаемых в области САПР. Супер-ЭВМ этого класса имеют множество процессоров, причем каждый из процессоров обрабатывает свои данные под управлением своего потока команд. Наиболее сложной проблемой для таких супер-ЭВМ является синхронизация обмена данными между задачами, запущенными на нескольких процессорах, и синхронизация ожидания одних запущенных задач (процессов) другими. Аппаратная связь между процессорами МКМД ЭВМ осуществляется тремя способами:
  • использование общей шины, соединяющей несколько процессоров;
  • использование общего многопортового ОЗУ, доступного для всех МП;
  • использование микросхем коммутации перекрестных связей, осуществляющих переключения информационных связей МП между собой по принципу "каждый с каждым".
При наличии общей шины, соединяющей несколько МП, возникают конфликты между МП за право монопольного обмена по шине, что снижает эффективность такой ЭВМ. Этот недостаток привел к тому, что в настоящее время такой вид связи между МП почти не применяется. Использование общего многопортового ОЗУ предъявляет очень жесткие требования к устройству управления ОЗУ и к надежности самой памяти. Несмотря на этот недостаток, МКМД супер-ЭВМ с общей многопортовой памятью довольно широко используются в САПР. Наиболее перспективны многопроцессорные комплексы, в которых отдельные МП соединяются друг с другом с помощью коммутаторов перекрестных связей на основе быстро развивающихся КМОП-переключателей. Поскольку в параллельных ЭВМ трудно теоретически оценить производительность для решения различного класса задач, их производительность оценивается экспериментально с использованием текстовых пакетов и выражается в миллионах операций с плавающей точкой в секунду — Мфлопс. Параллельные супер-ЭВМ — это уникальные дорогие компьютеры, поэтому они являются ЭВМ коллективного пользования, работающими под управлением ОС с разделением времени. Они оснащены высокоскоростными адаптерами связи с региональными и глобальными вычислительными сетями и связаны с PC разработчиков РЭС с помощью САПР через сетевые каналы связи. Промежуточным уровнем технических средств САПР между супер-ЭВМ и PC, ПК выступает ЭВМ среднего класса- компьютеры коллективного пользования с ОС разделения времени и выполняют функции обслуживания внутренних ЛВС фирм и выхода на глобальные и региональные сети при необходимости ведения расчетов на супер-ЭВМ. В последнее время в связи с использованием САПР средними и мелкими фирмами падает спрос на эти дорогостоящие промежуточные ЭВМ на рынке технических средств САПР. В качестве промежуточных звеньев для предоставления сетевых соединений выступают различного рода PC-серверы. PC-сервер — это PC с расширенным (по объему или номенклатуре) набором периферийных устройств. В качестве одной из задач в ОС такой станции запускается процесс-сервер-программа, обслуживающая пользователей других PС через сеть, предоставляя им периферию данной PC либо сетевое соединение через региональную сеть с супер-ЭВМ. В соответствии с этим различают файл-серверы (PC с дополнительными ВЗУ), серверы сетевой связи (PC с расширенным набором сетевых адаптеров данной ЛВС с другими — ЭВМ-шлюз), вычислительные серверы (PC с повышенной производительностью) и т. д. Все эти PC, ПК и ЭВМ других классов объединяются (комплексируются) для эффективного использования области САПР вычислительными сетями. Преимущества такого комплексирования заключаются в расширении функциональных возможностей САПР (каждый пользователь в том или ином подразделении имеет доступ к базам данных и программным средствам в других территориально удаленных подразделениях), в оптимизации распределения нагрузки между различными ЭВМ, в коллективном использовании дорогостоящей графической периферии, в повышении надежности функционирования технических средств САПР. Существует следующая классификация вычислительных сетей:
  • по топологии связей: радиальные (звездообразные), магистральные, кольцевые, радиально-кольцевые, древовидные, полные (многосвязные);
  • по составу ЭВМ: однородные и неоднородные;
  • по способу передачи данных: сети с коммутацией каналов, сообщений или пакетов;
  • по способу управления: централизованные (с централизованным управлением) и децентрализованные;
  • по удаленности узлов: локальные (в пределах здания, ряда зданий), региональные (охватывающие регион, область) и глобальные (охватывающие страны и континенты).
6.2. Режимы работы технических средств САПР Состав технических средств базовых конфигураций САПР различных уровней в значительной степени определяется характером проектных задач. Существует взаимосвязь между классом решаемых задач и режимом использования ЭВМ. Рассмотрим задачи, решаемые в САПР, с целью выделения характеристик, определяющих выбор различных режимов работы ЭВМ. По характеру вычислительного процесса решаемые задачи можно разделить на две основные группы: задачи, решаемые без участия пользователя, и задачи, в процессе решения которых необходимо участие пользователя. По сложности вычисления задачи бывают:
  • первой группы: задачи, на решение которых требуется более нескольких минут; задачи, время счета которых измеряется секундами;
  • второй группы: время взаимодействия с пользователем соизмеримо с временем счета задачи; время решения велико по сравнению со временем диалога.
По объему информации задачи, решаемые в САПР, можно разделить на монопольно использующие основную память ЭВМ и частично использующие основную память ЭВМ. Исходя из этой классификации решаемых задач САПР можно выделить следующие необходимые режимы работы технических средств:
  • однопрограммный режим, при котором решаемой задаче доступны все ресурсы ЭВМ;
  • мультипрограммный режим с фиксированным количеством задач;при таком режиме ОП ЭВМ делится на фиксированное число разделов, которые определены для выполнения одной задачи в каждом; некоторые внешние устройства (ВУ) могут быть назначены для использования несколькими задачами;
  • мультипрограммный режим с переменным числом задач, все ресурсы ЭВМ общие.
Режим работы технических средств можно классифицировать по удалению проектировщика от основного компонента технических средств:
  • местный режим, при котором пользователь работает непосредственно у ЭВМ;
  • дистанционный режим, при котором часть периферийного оборудования связана с процессором канала связи.
Режим работы технических средств можно классифицировать по степени участия пользователя в процессе решения задач:
  • пакетный режим, когда пользователь составляет задание на выполнение программы, которое в составе пакета заданий запускается для обработки на ЭВМ. Обработка задач производится по очереди. После решения пользователю требуется проанализировать результаты обработки своего задания и подготовить новый вариант, что замедляет отладку и увеличивает время получения окончательных результатов;
  • режим разделения времени (РРВ), при котором каждой решаемой задаче поочередно выделяется определенный квант времени работы процессора. Пользователь во время сеанса работы за абонентским пунктом, используя средства системы разделения времени (СРВ), может составить, протранслировать, отредактировать программу и приступить к ее выполнению, непосредственно контролируя происходящий процесс. Степень готовности программы зависит от подготовленности пользователя к работе с СРВ.
От выбора правильного режима использования технических средств САПР зависит эффективность эксплуатации технических средств. Поэтому при создании конкретной САПР определенного уровня необходимо провести четкий анализ решаемых задач. Пакетный режим обработки информации предпочтительнее для задач с большим временем счета и задач, не требующих вмешательства в процесс решения пользователя. Режим разделения времени удобнее для задач, время счета у которых соизмеримо со временем отклика пользователя на запрос ЭВМ, а также когда необходимо вмешательство пользователя в процесс решения.
 
 
Лекция7. Технические средства САПР и их развитие (окончание)  
7.1. Периферийное оборудование САПР Помимо PC, ПК и других ЭВМ для организации САПР РЭС требуется дорогостоящее периферийное оборудование. Периферийное оборудование ЭВМ — это совокупность технических и программных средств, обеспечивающих взаимодействие ЭВМ с пользователем и внешней средой, а также хранение, подготовку и преобразование информации к виду, удобному для ввода/вывода. Периферийное оборудование подразделяется на две группы: локальное, устанавливаемое рядом и подключаемое непосредственно к ЭВМ, и удаленное (терминальное). По выполняемым функциям и локальное, и терминальное оборудование включают в себя средства хранения, телеобработки и ввода/вывода информации. Средства взаимного общения с пользователем должны осуществлять представление и ввод информации в основном в графической форме. В настоящее время существуют различные методы ввода и регистрации графической информации: высвечивание точек и линий на экране монитора, нанесение точек, вычерчивание линий и символов изображения на бумаге (в том числе специальной), изменение цвета бумаги путем химической (термической) реакции, электризация поверхности фотополупроводника, проецирование изображения с помощью луча лазера и другие. Каждый метод и устройства, реализующие его, имеют свои достоинства и недостатки. Основными критериями для их сравнения являются:
  • качество изображения;
  • скорость формирования изображения;
  • стоимость оборудования и его эксплуатации;
  • особенности программного обеспечения.
По программному обслуживанию периферийные устройства САПР делятся на два класса: растровые и координатные (векторные). В растровых устройствах выводится мозаичный рисунок из отдельных точек — пикселей, или ПЭЛов (от англ. picture element), по типу телевизионной развертки. При этом осуществляется последовательный перебор элементов мозаики и выделение пикселей, составляющих изображение. Время вывода изображения постоянно, не зависит от сложности рисунка и определяется только числом элементов мозаики (пикселей) и скоростью их перебора. При векторном способе осуществляется последовательное вычерчивание линий, составляющих изображение. Время ввода/вывода изображения пропорционально суммарной длине линий (в том числе с учетом "невидимых" линий). Для сложных изображений время вывода может быть достаточно велико. В современных САПР широкое применение находят оба типа устройств. Все периферийные устройства делятся на три основные группы:
  • средства ввода/вывода с машинных носителей;
  • средства ввода/вывода с документов;
  • средства непосредственного взаимодействия с ЭВМ.
Первая группа средств включает в себя накопители на магнитных дисках или накопители на магнитных лентах (стримеры), представляющие собой обычные ВЗУ. Средства ввода/вывода с документов имеют свою специфику для ввода/вывода текста и графической информации. К ним относятся различные печатающие устройства (принтеры), графопостроители, планшеты, сканеры. Средства непосредственного взаимодействия с ЭВМ включают в себя устройства отображения алфавитно-цифровой и графической информации (дисплеи, проекционные системы), акустические устройства ввода/вывода информации, устройства связи с реальными объектами (датчики, исполнительные устройства), а также средства ручного ввода информации: алфавитно-цифровую клавиатуру, различные планшеты и манипуляторы (электронная "мышь", управляющие ручки — джойстики, управляющий шар — трекбол). Наиболее распространенным электронным средством отображения информации является дисплей. Большинство современных дисплеев PC и ПК строится на основе платы графического адаптера (графического процессора) и монитора. Требования к качеству графического изображения в задачах САПР весьма велики, поэтому обычные графические адаптеры ПК стандарта VGA (640x480 точек разрешения, 256 цветов и ниже) не подходят для визуализации изображений. Существует несколько видов изображений в пакетах САПР:
  • высококачественные черно-белые двухмерные изображения (чертежи, эскизы);
  • цветные или полутоновые двумерные изображения (топология БИС, печатных плат);
  • каркасные трехмерные проекции конструкторских чертежей, эскизов и т. д. с удалением и без удаления невидимых линий;
  • проекции трехмерных изображений с закрашиванием поверхностей;
  • проекции реалистичных трехмерных изображений с учетом отражательных характеристик поверхностей объектов и формированием светотеней.
Наиболее простые черно-белые изображения и каркасные трехмерные изображения могут строиться векторными методами. Остальные виды изображений требуют растровой цветной (полутоновой) графики с высоким разрешением и богатой цветовой палитрой. Для изображений среднего качества могут быть использованы графические адаптеры мощных ПК типа SVGA с разрешением не менее 1024x768 точек, 256 цветов и адаптеры наиболее недорогих PC, например семейства SUN с разрешением 1152x900, 256 цветов. Для визуализации реалистичных трехмерных изображений, конструкций сложных объектов и многослойных топологий БИС требуются более высокие быстродействие и разрешение графических адаптеров. Такие графические адаптеры называют графическими процессорами, a PC с графическим процессором и цветным монитором повышенного разрешения и размера по диагонали (19 дюймов и выше) — графической рабочей станцией. Так, в графической PC фирмы IBM PS-730 используется плата графического процессора, обеспечивающая разрешение 1280x1024 точки с более чем 4 млрд оттенков цветов. Быстродействие такой графической станции при визуализации изображений — 990 тыс. трехмерных графических преобразований в секунду, что эквивалентно воспроизведению 120 тыс. трехмерных треугольников с закрашиванием в секунду. В связи с высокими требованиями к качеству изображений в области САПР доминируют цветные и полутоновые мониторы на электроннолучевых трубках с повышенными разрешением, строчной и кадровой развертками. Ведутся интенсивные разработки высококачественных мониторов на жидких кристаллах. Следует отметить быстрое развитие лазерных проекционных систем визуализации изображений на больших плоских экранах с повышенным разрешением до 1024x1024 точек. В этом случае развертка луча лазера производится зеркальными механическими отклоняющими системами либо электронными системами на базе акустооптических дефлекторов. Устройства графического вывода (печатающие устройства — принтеры, плоттеры, графопостроители) занимают ведущее место среди номенклатуры периферийных устройств на рынке технических средств САПР (более 2/3 от всей оконечной аппаратуры). Сложилось разделение устройств вывода на печатающие устройства и графопостроители, однако границы их использования для вывода текста и графики в последнее время все более размываются. Печатающие устройства по порядку вывода делятся на:
  • посимвольные, в которых вывод алфавитно-цифровой информации осуществляется последовательно символ за символом за один цикл печати;
  • построчные, которые формируют и выводят за один цикл печати всю строку;
  • постраничные, которые формируют и выводят целиком страницу за один цикл печати.
По физическому принципу различают печатающие устройства ударного и безударного действия. В первом случае изображение получают в результате удара по носителю записи специальным органом — молоточком, стержнем или иглой. В устройствах безударного действия изображение выводится в результате физико-химического, электрического и другого воздействия на оконечный носитель записи (бумагу) или некоторый промежуточный носитель (специальную пленку, различные барабаны, пластины). Наиболее популярны среди принтеров ударного действия матричные печатающие устройства, в которых изображения (знаки) формируются специальной головкой, содержащей стержни — иглы, возбуждаемые электромагнитным или пьезоэлектрическим приводом. В простых моделях головок — 9-12 игл, в более сложных — 18-24. Сложные модели обеспечивают достаточно высокое качество печати, но низкое быстродействие. К недостатку печатающих устройств ударного действия относится также наличие большого количества механических элементов, работающих при высоких динамических нагрузках, и связанные с этим ограниченный ресурс, повышенный уровень шума и ненадежность. Печатающие устройства безударного действия относятся к матричным устройствам. Изображение формируется из отдельных точек с четкостью от 3 до 32 точек на 1 мм. В большинстве из них применяется одинаковый принцип: формирование скрытого электрического или магнитного изображения на промежуточном носителе, далее происходит его визуализация и перенос на бумагу. Среди безударных печатающих устройств наиболее популярны термопечати, струйные устройства и лазерные печати. Термопечатающие устройства используют термопечатные головки (терморезисторы) и копировальные пленки (5-10 мкм) с легкоплавким красящим слоем. Локальный нагрев пленки у красителя приводит к переносу отпечатка на бумагу. В таких устройствах достигаются высокая четкость (6-12 точек на 1 мм), высокая контрастность, легко реализуется многоцветность изображения. Струйные печатающие устройства относятся к посимвольным матричным устройствам. Существует два типа таких печатей: с непрерывной капельной струей и импульсные (ждущие). В первых заряженные капельки красителя летят мимо отклоняющей системы и формируют символы (графику) на бумаге. Скорость такой печати — до 300 см2/мин при разрешении 20 точек на 1 мм. В ждущих принтерах капли вылетают лишь тогда, когда необходимо сформировать символ. В них используются многосопловые (до 9-12 сопл и более) струйные головки, обеспечивающие плотность записи 4-12 точек на 1 мм. Возбуждение капсул-инъекторов осуществляется пьезоэлементом или нагревом микрорезистора. Наибольшую популярность в настоящее время имеет лазерная печать, обеспечивающая очень высокую скорость печати (до 10 страниц в минуту) при высокой четкости — до 32-40 точек на 1 мм. В таких устройствах изображение регистрируется электрографическим способом. Лазер создает скрытое изображение на барабане, а его визуализация осуществляется специальным порошком — тонером с тепловым закреплением на бумаге. При этом луч лазера по одной координате разворачивается механически с помощью зеркальной многогранной призмы, а по другой координате — электронным способом с помощью акустооптического дефлектора. Управляет работой лазерной печати мощная микро-ЭВМ, формируя страницы вывода, получаемые от PC или ПК. К недостаткам лазерной печати следует отнести ее относительно высокую стоимость и сложность формирования цветных изображений. Лазерные принтеры обычно используются коллективно несколькими пользователями через ЛВС. Лидером в производстве лазерных печатей является фирма Hewlett-Packard. Параметры одного из относительно недорогих лазерных принтеров HP LaserJet IIP:
  • номинальная скорость печати — 4 стр./мин;
  • емкость лотка для подачи бумаги — 50 листов;
  • емкость приемного лотка — 20, 50 листов;
  • минимальная емкость буферной памяти — 512 Кб;
  • максимальная емкость буферной памяти—4,5 Мб;
  • интерфейсы с ЭВМ — последовательный и параллельный;
  • ресурс кассеты с тонером — 3500 страниц;
  • масса — 10 кг.
Графопостроители подразделяются на два основных типа: растровые и векторные (координатные). Растровые устройства по своей конструкции близки к принтерам безударного действия и используют электрохимический, электротермический и другие принципы работы. Пишущий узел в них представляет собой гребенку электродов, образующую растр во всю ширину бумаги. Специальная бумага перемещается в одну сторону ведущим барабаном; при подаче напряжения на те или иные электроды и общий электрод проходит химическая или термическая реакция и возникает отпечаток на бумаге. Разрешающая способность таких устройств — 4-8 точек на 1 мм. Достоинство растровых устройств — высокая скорость работы, не зависящая от сложности изображения; недостаток — сложность конструкции системы управления напряжением на электродах гребенки. Векторные (координатные) графопостроители относятся к электромеханическим устройствам и выполняются в двух видах: планшетном и рулонном. В планшетном графопостроителе бумага фиксируется, а пишущий узел закреплен на каретке, установленной, в свою очередь, на движущейся планке. Тем самым каретка может перемещаться в любую точку планшета. Используется векторный способ управления графопостроителем путем подачи аналоговых или дискретных (шаговых) сигналов, пропорциональных изменениям координат при перемещении пишущего узла. Для вывода сложных кривых применяется линейная, линейно-круговая или параболическая интерполяция с помощью специальной управляющей микро-ЭВМ, входящей в состав графопостроителя. В рулонном графопостроителе планка неподвижна, а барабан или валик перемещает бумагу. Рулонный графопостроитель более автоматизирован в работе, чем планшетный, однако для него нельзя использовать произвольные листы, бланки и т. п. Основное назначение устройств ввода графической информации заключается в преобразовании аналоговых объектов изображения в дискретную форму представления в ЭВМ. Устройства ввода включают в себя как средства ввода информации с документов, так и органы ручного ввода при непосредственном взаимодействии с ЭВМ. При вводе осуществляются две основные операции: поиск, выделение (считывание) изображения и кодирование информации. По степени автоматизации операции считывания изображения устройства ввода разделяются на полуавтоматические и автоматические. В первых поиск элементов осуществляется вручную, а кодирование информации — автоматически; во вторых устройствах и считывание, и кодирование информации производятся автоматически с помощью ЭВМ. Для управления маркером на дисплее и ввода команд используются ручные манипуляторы: электронная "мышь", управляющая ручка — джойстик, управляющий шар — трекбол. Во всех манипуляторах враще- ние сферы передается на движки потенциометров — валюаторов. Тем самым изменяются сигналы, соответствующие текущим координатам. Такие устройства относятся к дисплейным указателям, так же как алфавитно-цифровая и функциональная клавиатура, световое перо, сенсорный экран. Среди полуавтоматических устройств ввода изображений наиболее популярны полуавтоматические сканеры, в которых чувствительный элемент считывания изображения перемещается по элементам изображения рукой человека. Автоматические устройства ввода изображений выполняют считывание информации без участия человека. Существует два типа автоматических устройств ввода: следящие — аналог векторных устройств вывода — и сканирующие (растровые). Следящие устройства ввода выполняют слежение за линией и устанавливаются либо на графопостроитель, либо на специальную координатную систему. Возможности следящей системы ограничены сложностью рисунка, числом пересечений, типом линий. В сканирующих устройствах (сканерах) осуществляется растровое представление вводимого документа, выполняется распознавание образов, символов, знаков; далее изображение может быть графически отредактировано на дисплее и выведено на растровое устройство вывода. В автоматических и полуавтоматических сканерах в качестве чувствительного элемента используется однокоординатная линейка фотоприемников или линейка приемников на основе приборов с зарядовой связью (ПЗС). По другой координате перемещение линейки осуществляется вручную или автоматически с помощью шагового двигателя. Поверхность считываемого изображения освещается светодиодами, что улучшает равномерность засветки и качество считываемого изображения. Сканеры на основе таких систем позволяют получать четкость картинки до нескольких десятков точек на 1 мм. Для быстрого ввода в ЭВМ изображений, сравнимых по четкости с телевизионным, применяются автоматические сканеры на основе телевизионных камер с приемной ПЗС-матрицей и высококачественной широкоугольной оптикой. К средствам непосредственного взаимодействия с ЭВМ относятся и акустические системы ввода/вывода информации. Средства акустического ввода подразделяются на устройства ввода изолированной и дискретной речи (отдельные команды) и устройства ввода слитной речи. Средства акустического вывода делятся на устройства синтеза звуков, устройства синтеза речи по правилам синтеза и по образцам. Синтез по правилам ведет к созданию искусственной речи; синтез по образцам заключается в кодировании естественной речи для последующего воспроизведения (так называемые компилятивные синтезаторы). Технические средства САПР динамично развиваются в сторону максимально быстрой реакции на любую команду человека и организации ввода/вывода любой информации в виде, естественном для специалиста проблемной области, в которой функционирует конкретная САПР. on_load_lecture()
 
 
 
   
7.2. Машинная графика в САПР РЭС Машинная графика — это совокупность технических, математических и программных средств и приемов, позволяющих осуществить ввод и вывод из ЭВМ графической информации без ручного преобразования информации в числовую или графическую форму. Графическое изображение позволяет сконцентрировать в одном небольшом фрагменте информацию, содержащуюся в нескольких сотнях строк цифрового материала. Поэтому развитие средств машинной графики, соответствующего аппаратного и математического обеспечения, систем ввода и вывода, создание банков и баз данных графической информации имеют решающее значение при разработке современных САПР РЭС. Приведем основные понятия и определения машинной графики. Область машинной графики включает в себя решение следующих трех основных задач:
  • ввод графической информации в ЭВМ;
  • выполнение графических преобразований, поиск и хранение графических данных;
  • вывод графической информации (отображение, документирование).
В машинной графике, как и при решении любых задач на ЭВМ, существует два направления: режим пакетной обработки и интерактивная машинная графика. При пакетной обработке графической информации система машинной графики обеспечивает выдачу графической информации на экран дисплея без участия пользователя. Эту выдачу обеспечивают графопостроитель, устройство микрофильмирования и другие устройства, которые позволяют получать графические документы. Интерактивная машинная графика позволяет использовать средства вычислительной техники для организации оперативного, в основном диалогового взаимодействия пользователя с ЭВМ. В этой системе применяются графические дисплеи, оснащенные "мышью", световым пером, функциональной клавиатурой, кодирующим планшетом и другими устройствами обратной связи разработчика с ЭВМ, позволяющими ему в диалоге изменять графическое изображение, выводимое на экран дисплея. Графическая система — это система программных и технических средств, автоматизирующая решение графических и геометрических задач. Графические системы делятся на системы общего назначения и специализированные графические системы

<== предыдущая лекция | следующая лекция ==>
Этап НИР | Прикладные программы конструкторского проектирования РЭС


Карта сайта Карта сайта укр


Уроки php mysql Программирование

Онлайн система счисления Калькулятор онлайн обычный Инженерный калькулятор онлайн Замена русских букв на английские для вебмастеров Замена русских букв на английские

Аппаратное и программное обеспечение Графика и компьютерная сфера Интегрированная геоинформационная система Интернет Компьютер Комплектующие компьютера Лекции Методы и средства измерений неэлектрических величин Обслуживание компьютерных и периферийных устройств Операционные системы Параллельное программирование Проектирование электронных средств Периферийные устройства Полезные ресурсы для программистов Программы для программистов Статьи для программистов Cтруктура и организация данных


 


Не нашли то, что искали? Google вам в помощь!

 
 

© life-prog.ru При использовании материалов прямая ссылка на сайт обязательна.

Генерация страницы за: 0.891 сек.