русс | укр

Языки программирования

ПаскальСиАссемблерJavaMatlabPhpHtmlJavaScriptCSSC#DelphiТурбо Пролог

Компьютерные сетиСистемное программное обеспечениеИнформационные технологииПрограммирование

Все о программировании


Linux Unix Алгоритмические языки Аналоговые и гибридные вычислительные устройства Архитектура микроконтроллеров Введение в разработку распределенных информационных систем Введение в численные методы Дискретная математика Информационное обслуживание пользователей Информация и моделирование в управлении производством Компьютерная графика Математическое и компьютерное моделирование Моделирование Нейрокомпьютеры Проектирование программ диагностики компьютерных систем и сетей Проектирование системных программ Системы счисления Теория статистики Теория оптимизации Уроки AutoCAD 3D Уроки базы данных Access Уроки Orcad Цифровые автоматы Шпаргалки по компьютеру Шпаргалки по программированию Экспертные системы Элементы теории информации

Лабораторная работа № 4


Дата добавления: 2015-07-23; просмотров: 1649; Нарушение авторских прав


ИССЛЕДОВАНИЕ СТАБИЛИЗАТОРА
ПОСТОЯННОГО НАПРЯЖЕНИЯ

Цели работы:

1. Исследование схем стабилизаторов постоянного напряжения с непрерывным регулированием.

2. Исследование основных характеристик стабилизатора: коэффициента стабилизации и выходного сопротивления – в зависимости от коэффициента усиления в цепи обратной связи. Исследование температурной нестабильности выходного напряжения стабилизатора.

3. Изучение схем защиты стабилизатора от перегрузки по току.

4. Приобретение навыков экспериментального определения параметров стабилизатора.

Краткие теоретические сведения

Стабилизатором называется устройство, включаемое между питающей сетью и нагрузкой и обеспечивающее автоматическое поддержание с определенной точностью напряжения на нагрузке Uн (стабилизатор напряжения) или тока в нагрузке Iн (стабилизатор тока) при воздействии различных дестабилизирующих факторов.

Основными параметрами стабилизатора напряжения являются:

- частный коэффициент стабилизации по входному напряжению (часто называемый коэффициентом стабилизации), определяемый как отношение относительной нестабильности входного напряжения (Uвх) к относительной нестабильности напряжения на нагрузке при постоянном сопротивлении нагрузки (Rн) и отсутствии других дестабилизирующих факторов

 

KU = (DUвх /Uвх)/(DUн/Uн); (1)

 

- выходное сопротивление Rвых, определяющее наклон внешней характеристики стабилизатора:

Rвых = - DUн/DIн (Rн = var); (2)

- коэффициент полезного действия h = Pн/Pвх, где Pн = UнIн - мощность, поступающая из стабилизатора в нагрузку, Pвх = Uвх Iвх - мощность на входе стабилизатора.

По принципу построения схем стабилизаторы делятся на два больших класса - параметрические и компенсационные. Отличие компенсационных в том, что в них есть цепь обратной связи.

В самом общем виде любой стабилизатор напряжения (как параметрический, так и компенсационный) может рассматриваться как делитель напряжения, составленный из сопротивления нагрузки и сопротивления, входящего в состав стабилизатора и включенного последовательно с ней (рис. 1). Стабилизатор в этом смысле представляет собой некое балластное сопротивление Rб, включенное между входными и выходными зажимами. В качестве такого сопротивления может выступать резистор, транзистор (или другой электронный прибор), катушка индуктивности (в стабилизаторах, работающих в цепи переменного тока). В некоторых схемах стабилизаторов параллельно выходным зажимам могут включаться другие устройства (транзисторы, стабилитроны), но элемент Rб присутствует всегда.



При подобном рассмотрении напряжение на нагрузке определяется как разность входного напряжения и падения напряжения на Rб:

Uн = Uвх - Iвх Rб. (3)

Чтобы выходное напряжение оставалось примерно постоянным (в пределах, определяемых стабилизирующими свойствами), необходимо, чтобы при изменении Uвх соответствующим образом изменялось падение напряжения на сопротивлении Rб. И наоборот, при изменении сопротивления нагрузки (тока в цепи нагрузки) падение напряжения на Rб должно оставаться примерно постоянным. Очевидно, что такое положение можно обеспечить всего лишь двумя способами (см. выражение (3)): изменяя либо само сопротивление Rб, либо ток, проходящий через него.

Первым способом строятся компенсационные стабилизаторы с после-довательным (относительно нагрузки) включением регулирующего элемента, сопротивление которого изменяется соответствующим образом при изменении выходного напряжения. Вторым способом - компенсационные стабилизаторы с параллельным (по отношению к нагрузке) включением регулирующего элемента и стабилизаторы параметрические, в которых параллельно нагрузке включается нелинейный двухполюсник. В этом случае ток регулирующего элемента или нелинейного двухполюсника (в параметрическом стабилизаторе) должен сильно изменяться с изменением выходного напряжения. Замыкаясь через сопротивление Rб, этот ток и создает дополнительное падение напряжения в случае изменения входного напряжения. При изменении сопротивления нагрузки ток этого элемента компенсирует изменение тока в цепи нагрузки, обеспечивая тем самым малое изменение тока, текущего через сопротивление Rб.


Подобное представление работы стабилизатора наглядно демонстрирует и основной недостаток стабилизаторов с непрерывным регулированием. Выходное напряжение здесь не может быть больше входного при самом минимальном его значении, т. е. эффект стабилизации достигается за счет того, что весь излишек входного напряжения выше минимального падает на балластном элементе Rб. Учитывая, что по Rб протекает весь входной ток стабилизатора, мощность, которая в нем рассеивается, будет большой. Поэтому коэффициент полезного действия стабилизаторов с непрерывным регулированием невысок, и тем ниже, чем в больших пределах возможно изменение входного напряжения. Изменение сопротивления нагрузки в схеме с последовательным включением регулирующего элемента на коэффициент полезного действия не влияет. Напротив, в стабилизаторах с параллельным включением регулирующего элемента и в параметрических стабилизаторах коэффициент полезного действия уменьшается при снижении нагрузки (в энергетическом смысле), достигая нуля на холостом ходу.

Функциональная схема компенсационного стабилизатора напряжения с последовательным включением регулирующего элемента приведена на рис. 2. В состав стабилизатора входят: РЭ - регулирующий элемент, реализующий функции сопротивления Rб, УПТ - усилитель постоянного тока, СС - схема сравнения, ИЭН - источник эталонного напряжения (Eэт). Выходное напряжение стабилизатора поступает на схему сравнения (как правило, через делитель напряжения с коэффициентом передачи b), где в результате сравнения с эталонным напряжением вырабатывается сигнал ошибки e = Eэт – bUн, который усиливается в УПТ и воздействует на регулирующий элемент таким образом, чтобы свести к минимуму отклонение выходного напряжения (вне зависимости от причины, вызвавшей это изменение).

Изменение входного напряжения на величину DUвх при таком представлении схемы стабилизатора распределится между регулирующим элементом DUР.Э и нагрузкой DUн:

DUвх = DUн + DUР.Э = (1 + bK1K2)DUн. (4)

В этом выражении учтено, что DUР.Э = bK1K2DUн – изменение падения напряжения на регулирующем элементе, фактически, является выходным напряжением цепи обратной связи и определяется поэтому изменением напряжения на нагрузке и коэффициентами передачи по напряжению делителя в цепи схемы сравнения (b), усилителя постоянного тока (K1) и самого регулирующего элемента (K2).

Подставив соотношение (4) в (2), получим выражение для коэффициента стабилизации по входному напряжению:

KU = (1+bK1K2)(Uн/Uвх). (5)

В качестве дестабилизирующего фактора может выступать изменение сопротивления нагрузки. В этом случае усилительные свойства регулирующего элемента удобнее характеризовать не коэффициентом усиления K2, а проводимостью передачи, т. е. крутизной передаточной характеристики S2. При таком представлении изменение выходного напряжения DUн приведет к изменению тока регулирующего элемента: DIР.Э = -DUнbK1S2 (знак “минус” указывает на то, что обратная связь отрицательная, т. е. при увеличении выходного напряжения ток регулирующего элемента уменьшается). Учитывая, что токи регулирующего элемента и нагрузки при последовательном их включении равны, т. е. DIР.Э = DIн, получим, исходя из соотношения (2), выражение для выходного сопротивления стабилизатора:

Rвых = -DUн/DIн = 1/bK1S2 . (6)

Из выражений (5) и (6) вытекает, что для повышения коэффициента стабилизации и снижения выходного сопротивления необходимо увеличивать коэффициенты усиления УПТ и регулирующего элемента. Вот почему в современных транзисторных стабилизаторах, особенно в интегральном исполнении, в качестве коллекторной нагрузки УПТ часто используется нелинейный транзисторный двухполюсник - стабилизатор тока (см. рис. 7), позволяющий получить большое динамическое сопротивление нагрузки Rэкв для приращения коллекторного тока, обеспечивая тем самым высокий коэффициент усиления K1SRэкв и ослабление дестабилизирующего влияния напряжения DUвх. Но отсюда не следует делать вывод о возможности достижения очень больших значений KU или низких Rвых только за счет увеличения K1 и K2 (S2), так как при анализе не учитывалось воздействие дестабилизирующих факторов на параметры элементов схемы.

 
 

Для учета этих эффектов необходимо рассмотреть стабилизатор как систему автоматического регулирования (рис. 3). При таком представлении входное напряжение стабилизатора Uвх присутствует в неявном виде как источник электропитания регулирующего элемента, а напряжение на выходе Uн формируется как разность напряжений эталонного источника Eэт и обратной связи bUн, усиленная в K1 и K2 раз усилителем постоянного тока и регулирущим элементом, рассматриваемым здесь как усилительный каскад:

Uн = (Eэт - bUн)K1K2.

Отсюда получаем выражение для выходного напряжения:

Uн = EэтK1K2/(1 + bK1K2).

Для стабилизаторов с достаточно высоким коэффициентом стабилизации справедливо соотношение bK1K2 >> 1, с учетом которого последнее выражение приобретает вид

Uн @ Eэт/b. (7)

Отсюда вытекает, что стабилизатор (как система авторегулирования) отслеживает возможное изменение эталонного напряжения. Причем, чем больше произведение bK1K2, тем это отслеживание точнее. Именно поэтому при проектировании стабилизаторов с высокими стабилизирующими свойствами необходимо самое пристальное внимание уделять цепям эталонного источника. Никакие усложнения схемы не смогут обеспечить стабильность напряжения на нагрузке при изменении Eэт. Эталонный источник защищают от различных дестабилизирующих факторов, в частности, его не размещают в тепловом поле элементов схемы, на которых выделяется большая мощность, изменяющаяся во времени. К таким элементам в первую очередь относится балластный элемент Rб (регулирующий элемент).

 
 

На равных правах с Eэт в соотношение (7) входит коэффициент передачи цепи обратной связи b. Поэтому при проектировании этой цепи (как правило, реализуемой в виде резистивного делителя) нужно учитывать все сказанное об источнике эталонного напряжения. Резисторы, составляющие делитель напряжения, выбирают одного типа, с одинаковыми температурными коэффициентами сопротивления.

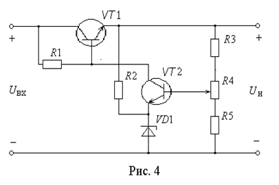
Принципиальная схема одного из вариантов компенсационного стабилизатора, реализующего функциональную схему, изображенную на рис. 2, приведена на рис. 4. В роли регулирующего элемента выступает транзистор VT1; источником эталонного напряжения служит параметрический стабилизатор на стабилитроне VD1 и резисторе R2. Усилитель постоянного тока построен на транзисторе VT2, входная цепь которого выполняет функции схемы сравнения. Эмиттер транзистора подключен к источнику эталонного напряжения, а на его базу через резистивный делитель R3, R4, R5 (с коэффициентом передачи b) поступает сигнал, пропорциональный напряжению на нагрузке.

Сопоставления элементов принципиальной и функциональной схем, в принципе, достаточно для объяснения работы устройства. Но уяснить детали, зачастую очень важные, можно, только анализируя принципиальную схему. Примером такого анализа может служить рассмотрение процесса установления выходного параметра при различных дестабилизирующих воздействиях.

Так, например, при увеличении напряжения на входе стабилизатора и конечном значении коэффициента стабилизации начнет увеличиваться (см. рис. 1 и выражение (3)) напряжение на выходе (на нагрузке), что приведет (делитель R3, R4, R5) к увеличению напряжения на базе транзистора VT2. Учитывая, что потенциал эмиттера транзистора VT2, к которому подключен источник эталонного напряжения Eэт, не изменяется, падение напряжения база - эмиттер транзистора VT2 возрастет, что приведет к увеличению коллекторного тока этого транзистора.

Ток базы регулирующего транзистора (VT1) Iб определяется как разность тока, протекающего через резистор R1, и коллекторного тока VT2. Если учесть, что ток через резистор R1 изменяется меньше, чем ток Iк2, ток базы VT1 будет уменьшаться при увеличении коллекторного тока VT2. А это эквивалентно тому, что транзистор VT1 начнет запираться, т. е. будет увеличиваться RVT1 - статическое сопротивление транзистора VT1 на участке коллектор – эмиттер. Увеличение этого сопротивления, т. е. сопротивления Rб на схеме, изображенной на рис. 1, приводит, как это следует из выражения (3), к уменьшению напряжения на нагрузке, которое и компенсирует его первоначальное увеличение.

Рассмотренный процесс удобно иллюстрировать приведенной ниже условной записью:

 

Uвх ­ Þ Uн ­ Þ Uб2­ ö

ýÞ Uб.э2­ Þ Iк2­ ö

Uэ2 = const ø ýÞ Iб1¯ Þ RVT1­ Þ Uн¯

IR1 @ const ø

 

Аналогично можно рассуждать при воздействии других дестабилизирующих факторов. Например, при уменьшении сопротивления нагрузки (Rн) процесс будет развиваться следующим образом:

 

Rн¯ Þ Uн ¯ Þ Uб2¯ ö

ýÞ Uб.э2¯ ÞIк2¯ ö

Uэ2 = const ø ýÞ Iб1­ Þ RVT1¯ Þ Uн­

IR1 @ const ø

 

Изменение температуры также может служить причиной изменения выходного напряжения стабилизатора. О влиянии температуры через воздействие на источник эталонного напряжения и делитель в цепи обратной связи (R3, R4, R5) говорилось ранее. Температурная чувствительность других элементов схемы также является причиной нестабильности выходного напряжения. Например, увеличение температуры корпуса транзистора VT2 (TVT2) приводит к возрастанию его коллекторного тока и в итоге к снижению выходного напряжения:

 

TVT2­ ÞI к2­ ö

ýÞ I б1¯ Þ RVT1­ Þ Uн¯

IR1 @ const ø

 

 
 

Поэтому в стабилизаторах в качестве схемы сравнения и усилителя стремятся использовать дифференциальные УПТ (см. далее схему на рис. 7). На один вход дифференциального УПТ поступает напряжение Eэт, а на другой – напряжение обратной связи βUн с выхода резистивного делителя. Если нагрев транзисторов обоих каналов дифференциального УПТ будет одинаков, то изменение температуры будет восприниматься усилителем как синфазное воздействие, в результате чего изменение выходного напряжения будет существенно меньше.

В состав компенсационых стабилизаторов обычно включаются схемы защиты, срабатывающие при выходе условий эксплуатации за допустимые границы. Наиболее распространены схемы защиты от перегрузки по выходному току. По характеру защитного действия такие схемы подразделяются на два типа. В одних схемах при достижении определенного порога происходит резкое отключение нагрузки или всего стабилизатора, в других - стабилизатор напряжения переводится в режим стабилизации тока, когда нагрузка не отключается, но напряжение на ней снижается по мере уменьшения ее сопротивления. Здесь используется тот факт, что функциональная схема компенсационного стабилизатора тока (рис. 5) подобна схеме стабилизатора напряжения. Единственное, но принципиальное отличие заключается в том, что сигнал, поступающий на схему сравнения, пропорционален не напряжению на выходе, а выходному току. В качестве датчика тока используется резистор Rд.т, включенный последовательно с нагрузкой (в верхнем или нижнем проводнике).

При изменении выходного тока на величину DIн на схему сравнения поступит сигнал DIн Rд.т, который, будучи усиленным в УПТ и регулирующем элементе в K1 и K2 раз, образует изменение падения напряжения на регулирующем элементе

DUРЭ = DIн Rд.т K1K2 . (8)

При постоянстве входного напряжения очевидно соотношение

DUн = -DUРЭ.

Выходное сопротивление стабилизатора при этом

Rвых = -DUн /DIн = Rд.т K1K2.

Увеличение коэффициентов усиления элементов стабилизатора (K1, K2) приводит к росту выходного сопротивления. Дальнейшее увеличение Rвых может быть достигнуто при комбинированной обратной связи, когда на схему сравнения подают два сигнала: один пропорциональный току в нагрузке DIнRд.т, другой – напряжению на нагрузке DUнbт. Приращение напряжения на регулирующем элементе при этом определится соотношением DUРЭ = = (DIнRд.т + DUнbт)K1K2. Полагая, как прежде, DUн = -DUРЭ, получим выражение для выходного сопротивления стабилизатора:

Rвых = Rд.тK1K2/(1 + bтK1K2).

Если коэффициенту bт присвоить отрицательный знак (т. е. обратную связь по напряжению сделать не отрицательной, а положительной), Rвых будет возрастать, стремясь к бесконечности при bтK1K2 = -1. Как отмечалось ранее, переход в режим стабилизации тока используется как способ защиты стабилизатора напряжения от перегрузки при уменьшении нагрузочного сопротивления ниже допустимого значения. В этом случае введение дополнительной связи по напряжению при bтK1K2 < -1 приводит даже к снижению тока через нагрузку при уменьшении ее сопротивления, так что ток короткого замыкания может быть сделан существенно меньше рабочего тока. Изменение вида нагрузочной характеристики такого стабилизатора при увеличении глубины обратной связи по напряжению в цепи стабилизации тока иллюстрируется графиками на рис. 6.

Значение тока короткого замыкания (которое не зависит от bт) может быть найдено из соотношения (8), где DUРЭ нужно при коротком замыкании приравнять к Uвх:

Iк.з = Uвх/Rд.тK1K2.

Если обратная связь по току используется в стабилизаторе напряжения как элемент защиты, то она носит пороговый характер, т. е. при значении тока нагрузки Iн меньше допустимого значения обратная связь по току не действует и стабилизатор сохраняет низкое выходное сопротивление.

Описание лабораторного стенда

Лабораторный стенд состоит из исследуемого устройства, универсального мультиметра и встроенного блока питания.

Схема исследуемого стабилизатора приведена на рис. 7. В качестве регулирующего элемента используется транзистор VT5. Вместе с транзистором VT4 они образуют так называемый составной транзистор, использование которого обеспечивает увеличение коэффициента усиления регулирующего элемента K2 и уменьшение требуемого значения выходного тока УПТ. В роли УПТ и схемы сравнения выступает дифференциальный усилительный каскад на транзисторах VT2 и VT3. Нагрузкой усилителя может быть линейный резистор R3 или нелинейный двухполюсник с большим динамическим сопротивлением (генератор стабильного тока) на транзисторе VT1 (переключатель S1 в положении 2). На один из входов дифференциального усилителя (база транзистора VT2) подключен источник эталонного напряжения (стабилитрон VD3 и резистор R4). На другой вход усилителя через резистивный делитель (R11, R12, R13) поступает напряжение обратной связи, пропорциональное выходному напряжению Uо.с = βUн.

В лабораторном макете предусмотрена возможность построения стабилизатора без УПТ. В этом случае переключателем S2 база транзистора VT4 подключается не к коллекторной цепи транзистора VT3, а к стабилитрону VD4. При этом резистор или генератор стабильного тока (в зависимости от положения переключателя S1) выполняют функции балластного резистора параметрического стабилизатора на стабилитроне VD3, а составной транзистор (VT4, VT5) с сопротивлением нагрузки представляет собой эмиттерный повторитель. Вместе с тем, такую схему можно трактовать и как простейший


 

 

 


вариант компенсационного стабилизатора, когда регулирующий транзистор одновременно выполняет функции и схемы сравнения (к базе VT4 подключен источник эталонного напряжения, а к эмиттеру VT5 – выходное напряжение).

В стабилизаторе установлена защита от перегрузки по току. Последовательно с нагрузкой включен резистор R9 или R9 параллельно с R10 (в зависимости от положения переключателя S4 ), который выполняет функции датчика тока Rд.т (см. схему на рис. 5). Когда ток нагрузки создает на этом резисторе падение напряжения, превышающее напряжение отпирания транзистора VT6 (при замыкающем положении переключателя S3 "Вкл" – кнопка S3 подсвечивается), этот транзистор отпирается. Увеличение коллекторного тока транзистора VT6 приводит к уменьшению тока базы транзистора VT4 и, как следствие, к увеличению сопротивления регулирующего транзистора VT5. Следствием этого будет резкое уменьшение выходного напряжения – стабилизатор переходит в режим стабилизации тока. Коммутация резисторов R9, R10 (R9 = 3 Ом, R10 = 3 Ом) изменяет значение тока нагрузки, при котором происходит срабатывание схемы защиты. Размыкание ключа S3 (кнопка S3 не подсвечивается) вводит в цепь “база – эмиттер” транзистора VT6 падение напряжения на резисторе R7, которое пропорционально выходному напряжению – βтUн. Это дополнительное напряжение увеличивает порог срабатывания защиты и наклон внешней характеристики в режиме стабилизации тока (см. выражение (9) и графики на рис. 6).

Для исследования явления температурного дрейфа входного напряжения при изменении температуры элементов схемы в макете предусмотрена возможность независимого нагрева корпусов транзисторов VT2 и VT3.

Все переключения в схеме осуществляются встроенными коммутаторами (переключателями), расположенными на лицевой панели стенда. Состояние коммутаторов визуализируется светодиодными индикаторами. Кроме того, на лицевой панели расположены потенциометры, позволяющие регулировать уровень входного напряжения стабилизатора, ток токостабилизирующего двухполюсника и коэффициент передачи в цепи обратной связи компенсационного стабилизатора.

Наименования измеряемых мультиметром величин и их значения выводятся на жидкокристаллический дисплей, расположенный в правом верхнем углу передней панели. Под дисплеем расположены кнопки управления выводимой информацией. Для удобства работы в верхней строке дисплея при установке номера пункта программы работы (по данному руководству) выводится значение параметра, изменяемого в данном пункте работы. Ниже зоны управления дисплеем расположена зона индикации режима работы стабилизатора.

 



<== предыдущая лекция | следующая лекция ==>
ТЕОРЕТИЧЕСКИЕ (ЗАЧЕТНЫЕ) ВОПРОСЫ ДЛЯ ВЫПОЛНЕНИЯ КОНТРОЛЬНОЙ РАБОТЫ ПО ДИСЦИПЛИНЕ «САНАЦИЯ И БАНКРОТСТВО ПРЕДПРИЯТИЙ» | Программа выполнения работы


Карта сайта Карта сайта укр


Уроки php mysql Программирование

Онлайн система счисления Калькулятор онлайн обычный Инженерный калькулятор онлайн Замена русских букв на английские для вебмастеров Замена русских букв на английские

Аппаратное и программное обеспечение Графика и компьютерная сфера Интегрированная геоинформационная система Интернет Компьютер Комплектующие компьютера Лекции Методы и средства измерений неэлектрических величин Обслуживание компьютерных и периферийных устройств Операционные системы Параллельное программирование Проектирование электронных средств Периферийные устройства Полезные ресурсы для программистов Программы для программистов Статьи для программистов Cтруктура и организация данных


 


Не нашли то, что искали? Google вам в помощь!

 
 

© life-prog.ru При использовании материалов прямая ссылка на сайт обязательна.

Генерация страницы за: 2.366 сек.