русс | укр

Языки программирования

ПаскальСиАссемблерJavaMatlabPhpHtmlJavaScriptCSSC#DelphiТурбо Пролог

Компьютерные сетиСистемное программное обеспечениеИнформационные технологииПрограммирование

Все о программировании


Linux Unix Алгоритмические языки Аналоговые и гибридные вычислительные устройства Архитектура микроконтроллеров Введение в разработку распределенных информационных систем Введение в численные методы Дискретная математика Информационное обслуживание пользователей Информация и моделирование в управлении производством Компьютерная графика Математическое и компьютерное моделирование Моделирование Нейрокомпьютеры Проектирование программ диагностики компьютерных систем и сетей Проектирование системных программ Системы счисления Теория статистики Теория оптимизации Уроки AutoCAD 3D Уроки базы данных Access Уроки Orcad Цифровые автоматы Шпаргалки по компьютеру Шпаргалки по программированию Экспертные системы Элементы теории информации

ИНСТРУКЦИЯ ПО ВЫПОЛНЕНИЮ РАБОТЫ


Дата добавления: 2015-07-23; просмотров: 867; Нарушение авторских прав


1.Изучение схем и измерение их параметров и характеристик производится с помощью программы Electronics Workbench. Дополнительная информация приводится в справочном файле к работе.

2. Выполнение заданий:

Задание 1.Измерить значения UПР и IПР диода, таблица 1 (L5_d_01.ewb, L5_d_02.ewb).

Таблица 1

Обратить внимание на настройку мультиметра с помощью кнопок на его лицевой панели: тип измеряемой величины (напряжение или ток), род тока (постоянный или переменный). UПР IПР,мА
772.1 92.33

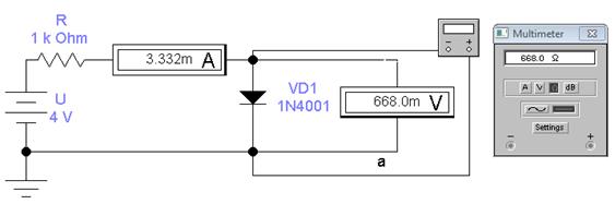
Задание 2.Определить прямую ветвь ВАХ диода 1N4001 методом амперметра – вольтметра (L5_d_03.ewb, схема a). Для этого изменять напряжение питания, результаты занести в таблицу 2.

Измерение прямой ветви ВАХ Таблица 2

Напряжение питания, (B) Напряжение на диоде, UПР(mB) Ток через диод, IПР(mA)
0.4 399.5 0.000473
0.8 603.8 0.196
1.2 631.4 0.568
1.6 644.9 0.955
653.8 1.346
677.2 3.323
689.4 5.311
697.8 7.302

Задание 3.Определить обратную ветвь ВАХ для диода методом амперметра – вольтметра (L5_d_03.ewb, схема b), результаты занести в таблицу 3.

Измерение обратной ветви ВАХ Таблица 3

Напряжение питания, U(B) Напряжение на диоде, UОБР(mB) Ток через диод, IОБР(mA)
4.995 5.000
9.99 10.00
14.98 15.00

Задание 4.Вычислить по экспериментальной характеристике (табл.2) прямое сопротивление диода RПР, принапряжении питания 4В. Вычислить по экспериментальной характеристике (табл.3) обратное сопротивление диода RОБР, принапряжении питания 15В. Результаты занести в табл.4. Диод является нелинейным элементом, поэтому сопротивления диода по постоянному току в разных точках ВАХ имеют неодинаковые значения.



Результаты расчетов сопротивлений диода Таблица 4
Прямое сопротивление диода RПР, Ом Обратное сопротивление диода RОБР, Ом
668.0 13.99

Задание 5.Определить подробно начальную часть ВАХ диода с помощью осциллографа, цена деления по U: 200 мВ; по I: 100 мА (L5_d_04.ewb). Используя данные таблиц 2, 3, дорисовать ВАХ для больших значений U, I. Масштаб величин прямой и обратной ветвей выбрать разным.

Задание 6.Рассмотретьсхемы включения диода, объяснить, почему напряжение питания и нагрузки не совпадают при открытом и закрытом диодах (L5_d_05.ewb, ..., L5_d_07.ewb).

Задание 7.Рассмотреть примеры использования светодиода и светодиодных индикаторов (файлы L5_ld_01.ewb, ..., L5_ld_02.ewb).



<== предыдущая лекция | следующая лекция ==>
УЧЕБНО-МЕТОДИЧЕСКИЕ УКАЗАНИЯ | 


Карта сайта Карта сайта укр


Уроки php mysql Программирование

Онлайн система счисления Калькулятор онлайн обычный Инженерный калькулятор онлайн Замена русских букв на английские для вебмастеров Замена русских букв на английские

Аппаратное и программное обеспечение Графика и компьютерная сфера Интегрированная геоинформационная система Интернет Компьютер Комплектующие компьютера Лекции Методы и средства измерений неэлектрических величин Обслуживание компьютерных и периферийных устройств Операционные системы Параллельное программирование Проектирование электронных средств Периферийные устройства Полезные ресурсы для программистов Программы для программистов Статьи для программистов Cтруктура и организация данных


 


Не нашли то, что искали? Google вам в помощь!

 
 

© life-prog.ru При использовании материалов прямая ссылка на сайт обязательна.

Генерация страницы за: 3.58 сек.