русс | укр

Языки программирования

ПаскальСиАссемблерJavaMatlabPhpHtmlJavaScriptCSSC#DelphiТурбо Пролог

Компьютерные сетиСистемное программное обеспечениеИнформационные технологииПрограммирование

Все о программировании


Linux Unix Алгоритмические языки Аналоговые и гибридные вычислительные устройства Архитектура микроконтроллеров Введение в разработку распределенных информационных систем Введение в численные методы Дискретная математика Информационное обслуживание пользователей Информация и моделирование в управлении производством Компьютерная графика Математическое и компьютерное моделирование Моделирование Нейрокомпьютеры Проектирование программ диагностики компьютерных систем и сетей Проектирование системных программ Системы счисления Теория статистики Теория оптимизации Уроки AutoCAD 3D Уроки базы данных Access Уроки Orcad Цифровые автоматы Шпаргалки по компьютеру Шпаргалки по программированию Экспертные системы Элементы теории информации

Программирование в программе-функции


Дата добавления: 2015-07-23; просмотров: 463; Нарушение авторских прав


Рассмотрим сначала программирование линейных алгоритмов. Напомним, чтопод линейным алгоритмом понимается вычислительный процесс, в котором необходимые операции выполняются строго последовательно. Операторы, реализующие этот алгоритм в теле программы - функции также размещаются последовательно и выполняются все, начиная с первого оператора и кончая последним.

 
 

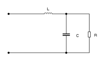
Пример 3.2. Составить программу-функцию вычисления комплексного сопротивления двухполюсника, показного на рис. 2.5.

Рисунок 3.4 - Двухполюсник

 
 

 
 

Z(314)=30.936-21.145i .

 



<== предыдущая лекция | следующая лекция ==>
Описание программы - функции и локальной оператор присваивания | Программирование в программе-функции разветвляющихся алгоритмов


Карта сайта Карта сайта укр


Уроки php mysql Программирование

Онлайн система счисления Калькулятор онлайн обычный Инженерный калькулятор онлайн Замена русских букв на английские для вебмастеров Замена русских букв на английские

Аппаратное и программное обеспечение Графика и компьютерная сфера Интегрированная геоинформационная система Интернет Компьютер Комплектующие компьютера Лекции Методы и средства измерений неэлектрических величин Обслуживание компьютерных и периферийных устройств Операционные системы Параллельное программирование Проектирование электронных средств Периферийные устройства Полезные ресурсы для программистов Программы для программистов Статьи для программистов Cтруктура и организация данных


 


Не нашли то, что искали? Google вам в помощь!

 
 

© life-prog.ru При использовании материалов прямая ссылка на сайт обязательна.

Генерация страницы за: 0.752 сек.