русс | укр

Языки программирования

ПаскальСиАссемблерJavaMatlabPhpHtmlJavaScriptCSSC#DelphiТурбо Пролог

Компьютерные сетиСистемное программное обеспечениеИнформационные технологииПрограммирование

Все о программировании


Linux Unix Алгоритмические языки Аналоговые и гибридные вычислительные устройства Архитектура микроконтроллеров Введение в разработку распределенных информационных систем Введение в численные методы Дискретная математика Информационное обслуживание пользователей Информация и моделирование в управлении производством Компьютерная графика Математическое и компьютерное моделирование Моделирование Нейрокомпьютеры Проектирование программ диагностики компьютерных систем и сетей Проектирование системных программ Системы счисления Теория статистики Теория оптимизации Уроки AutoCAD 3D Уроки базы данных Access Уроки Orcad Цифровые автоматы Шпаргалки по компьютеру Шпаргалки по программированию Экспертные системы Элементы теории информации

ОБЩИЕ СВЕДЕНИЯ


Дата добавления: 2015-07-04; просмотров: 813; Нарушение авторских прав


 

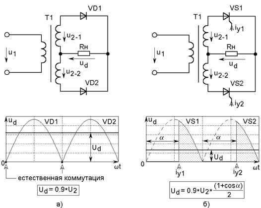
Управляемый выпрямитель - это статическое устройство, которое осуществляет преобразование переменного напряжения в постоянное и позволяет регулировать средневыпрямленные значения тока и напряжения в нагрузке. Управляемый выпрямитель можно получить из неуправляемого, заменив в нем диоды тиристорами, как это показано на примере однофазной нулевой схемы (рис. 1.1). В неуправляемом выпрямителе в любой момент времени открыт диод с наибольшим потенциалом анода. Переключение диодов происходит в точках естественной коммутации, в которых потенциалы анодов становятся одинаковыми (рис. 1.1а). Средневыпрямленное напряжение U­­d определяется действующим значением вторичного напряжения трансформатора U2 = U2-1 = U2-2 .

Необходимым условием отпирания тиристора, как и диода, является высокий потенциал анода, но, в отличие от диода, тиристор открывается лишь в момент прохождения импульса тока через его управляющий электрод (рис. 1.1б). Изменяя фазу импульса a, которая отсчитывается от точки естественной коммутации, можно изменять длительность открытого состояния тиристора, а следовательно, и средневыпрямленные значения тока и напряжения в нагрузке. Такое управление называют импульсно-фазовым. К системам импульсно-фазового управления (СИФУ) предъявляются следующие основные требования:

- мощность импульсов тока управления должна быть достаточной для надежного отпирания тиристоров (0,2...20 Вт для выпрямителей средней и большой мощности);

- импульсы тока управления должны иметь высокую крутизну фронта и малую длительность, в течение которой анодный ток успевает достичь значения, превышающего ток удержания;

- фазы импульсов тока управления, подаваемых на тиристоры, должны быть симметричными (одинаковыми) относительно точек естественной коммутации и регулироваться во всем диапазоне, определяемом схемой выпрямления и типом нагрузки (для рассматриваемой схемы при активной нагрузке - 0...1800);



- необходимо обеспечить быстродействие, помехоустойчивость и надежность, которые исключали бы сбой импульсов и самопроизвольное изменение их фазы.

Наибольшее распространение на практике получили синхронные СИФУ, в которых фаза импульсов a связана с моментом прохождения сетевым напряжением нуля. При этом начало отсчета фазы может либо совпадать с этим моментом, либо быть сдвинутым относительно него на постоянную величину. Структурные схемы синхронных систем управления показаны на рис. 1.2.

 

 

 

Рис. 1.1. Однофазные нулевые схемы выпрямления

(а - нерегулируемая, б -регулируемая)\

 

 

 

Рис. 1.2. Структурные схемы синхронных СИФУ

(а - одноканальная, б - многоканальная)

В одноканальной СИФУ формирование управляющих импульсов осуществляется одним каналом управления, общим для всех тиристоров. В многоканальной СИФУ количество каналов равно числу тиристоров, и каждый из них имеет собственные ФСУ и формирователь импульсов (рис.1.2б). Симметрия импульсов обеспечивается сдвигом начала отсчета их фазы на постоянный угол. Например, в рассматриваемой однофазной нулевой схеме сдвиг для тиристоров VS1 и VS2 составляет, соответственно, 0О и 180О. Отсчет фазового угла a осуществляется в процессе сравнения постоянного уровня напряжения управления UУПР с текущим значением напряжения синхронизации. В момент, когда их разница, называемая фазонесущим напряжением uФН, становится равной нулю, на выходе формирователя появляется импульс тока. Для изменения фазы импульсов используют вертикальный, горизонтальный и тангенциальный способы управления. При вертикальном способе регулируют уровень постоянного управляющего напряжения UУПР, поэтому фазонесущий сигнал перемещается по оси ординат, чем и достигают изменения фазы формируемых импульсов (рис. 1.3).

При горизонтальном способе управляющее напряжение равно нулю, а фазу синхронизирующего напряжения регулируют с помощью статического фазовращателя. В результате фазонесущий сигнал перемещается вдоль оси абсцисс, соответственно изменяется и фаза формируемых импульсов (рис. 1.4). При тангенциальном способе управления для регулирования фазы импульсов тока изменяют наклон рабочего участка фазонесущего сигнала. При этом бывает удобно использовать синхронизирующее напряжение треугольной или пилообразной формы (рис. 1.5).

 

 

Рисунок 1.3 - Вертикальный способ изменения фазы импульсов

 

 

 

Рисунок 1.4 - Горизонтальный способ изменения фазы импульсов

 

 

 

Рисунок 1.5 - Тангенциальный способ регулирования фазы импульсов

 

 

2 ОПИСАНИЕ ЛАБОРАТОРНОЙ УСТАНОВКИ

 

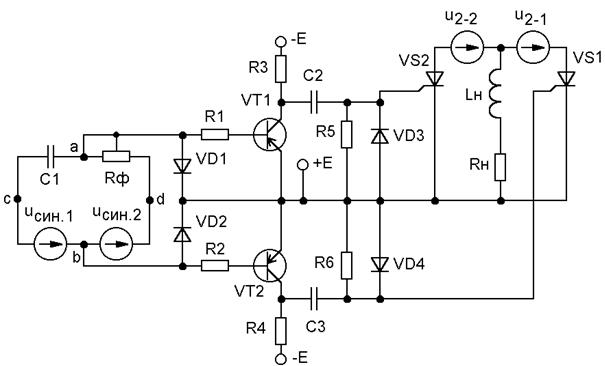
В лабораторной работе используется стенд ЭС16, содержащий выпрямитель на тиристорах и систему импульсно-фазового управления. Принципиальная электрическая схема стенда приведена на рисунке 1.

Выпрямитель собран на тиристорах VS1 и VS2 по однофазной двухполупериодной схеме с нулевым выводом. Катоды тиристоров объединены в общую точку, а аноды присоединены к концам вторичных обмоток трансформатора, которые на схеме представлены источниками напряжения u2-1 и u2-2. В качестве нагрузки используются резистор RН и катушка LН, включенные между нулевым выводом трансформатора и катодами тиристоров.

Система импульсно-фазового управления тиристорами - одноканальная с горизонтальным способом изменения фазы импульсов. Она включает в себя фазосдвигающее устройство и два усилителя-формирователя импульсов.

Фазосдвигающее устройство представляет собой статический мостовой фазовращатель, образованный двумя вторичными обмотками трансформатора с синхронизирующими напряжениями uСИН.1 и uСИН.2, и цепью RФ С1. Фазонесущее напряжение снимается с диагонали ab. В ФСУ одновременно осуществляется распределение импульсов. На рисунке 2 построена круговая диаграмма фазонесущего напряжения uФН, действующего в диагонали моста ab, при изменении сопротивления резистора RФ от 0 до ¥. Как видно, фаза напряжения uФН может изменяться в пределах от 0О до 180О. При включении нагрузки в диагональ моста этот диапазон несколько сужается. На рисунке 2 также показаны волновые диаграммы фазонесущего напряжения при изменении RФ.

 

Рисунок 1 - Принципиальная схема управляемого выпрямителя

 

 

Рисунок 2 - Регулирование фазы с помощью статического фазовращателя

 

 

Усилители-формирователи управляющих импульсов тока содержат ключевые каскады на транзисторах VT1 и VT2, дифференцирующие цепи R5 C2 и R6 C3, диодные ограничители VD1...VD4. На рисунке 3 приведены диаграммы токов и напряжений СИФУ и схемы выпрямления при работе на чисто активную нагрузку в установившемся режиме. В начальный момент времени, когда wt = 0, фазонесущее напряжение uФН < 0. Транзистор VT2 находится в режиме отсечки, т.к. в цепи его базы отсутствует ток iб2. Разность потенциалов между коллектором и эмиттером uКЭ2 приблизительно равна Е, что обеспечивает заряд конденсатора С3 по цепи: +Е, R6, С3, R4, -Е. При этом его левая обкладка получает отрицательный потенциал, а правая - положительный. В цепи базы VT1 протекает ток iб1, поэтому он находится в режиме насыщения, когда разность потенциалов между его коллектором и эмиттером uКЭ1 близка к нулю. Конденсатор С2 разряжен, т.к. его левая обкладка через открытый транзистор VT1 оказывается соединенной с нижним по схеме выводом резистора R5. Тиристоры VS1 и VS2 закрыты. Когда фазонесущее напряжение uФН переходит через ноль из области отрицательных значений в положительные, на базе VT2 относительно эмиттера появляется отрицательный потенциал. В результате начинает протекать ток базы iб2, и транзистор VT2 переходит из режима отсечки в насыщение. Напряжение uкэ2 скачком повышается от » -E до нуля, и отрицательная обкладка конденсатора С3 через открытый транзистор VT2 оказывается соединенной с верхним по схеме выводом резистора R6 и с катодами тиристоров. Положительная обкладка С3 соединена с нижним выводом R6 и с управляющим электродом тиристора VS1. В процессе разряда С3 через управляющий переход тиристора протекает импульс тока iу1. Т.к. потенциал u2-1, действующий на аноде тиристора относительно нулевого вывода, в это время проходит положительную полуволну, то VS1 откроется и будет пропускать ток через нагрузку.

 

 

Рисунок 3 - Диаграммы токов и напряжений регулируемого выпрямителя

 

В это же время на базе транзистора VT1 относительно эмиттера начинает действовать положительный потенциал, величина которого ограничивается падением напряжения на открытом диоде VD1. Протекание тока iб1 в цепи базы прекращается, и транзистор переходит из насыщения в режим отсечки. Конденсатор С2 заряжается по цепи: +E, R5, C2, R3. При этом его левая обкладка получает отрицательный потенциал, а правая - положительный. На резисторе R5 появляется отрицательный импульс напряжения, который “срезается” диодом VD3. Таким образом в конце этого цикла работа конденсатор С2 окажется заряженным до величины, близкой Е, а конденсатор С3 будет разряжен до нуля.

Когда фазонесущее напряжение uФН перейдет через ноль из области положительных значений в отрицательные, на базе VT1 относительно эмиттера появится отрицательный потенциал, а на базе VT2 - положительный. В цепи базы VT1 появится ток iб1, и транзистор перейдет в насыщение. В результате разряда С2 в цепи управления тиристора VS2 появится импульс тока iу2. Т.к. теперь потенциал u2-2, действующий на аноде тиристора, проходит положительную полуволну, то VS2 откроется, пропуская ток через нагрузку.

Одновременно на базе транзистора VT2 относительно эмиттера начинает действовать положительный потенциал, величина которого ограничивается падением напряжения на открытом диоде VD2. Протекание тока iб2 в цепи базы прекращается, и транзистор переходит из насыщения в режим отсечки, обеспечивая заряд конденсатора С3. Отрицательный импульс напряжения, который появляется на резисторе R6, “срезается” диодом VD4. В конце этого цикла работа конденсатор С3 окажется заряженным до величины, близкой Е, а конденсатор С2 будет разряжен до нуля, т.е. схема вернется в исходное состояние, которое она имела при wt = 0.

Для измерений тока и напряжения на нагрузке используются приборы, установленные на стенде ЭС16. Наблюдение формы кривых напряжений и токов в СИФУ и на выходе выпрямителя осуществляют с помощью осциллографа С2-118А.

 



<== предыдущая лекция | следующая лекция ==>
Макрос АutoЕхеc | ПОРЯДОК ВЫПОЛНЕНИЯ РАБОТЫ


Карта сайта Карта сайта укр


Уроки php mysql Программирование

Онлайн система счисления Калькулятор онлайн обычный Инженерный калькулятор онлайн Замена русских букв на английские для вебмастеров Замена русских букв на английские

Аппаратное и программное обеспечение Графика и компьютерная сфера Интегрированная геоинформационная система Интернет Компьютер Комплектующие компьютера Лекции Методы и средства измерений неэлектрических величин Обслуживание компьютерных и периферийных устройств Операционные системы Параллельное программирование Проектирование электронных средств Периферийные устройства Полезные ресурсы для программистов Программы для программистов Статьи для программистов Cтруктура и организация данных


 


Не нашли то, что искали? Google вам в помощь!

 
 

© life-prog.ru При использовании материалов прямая ссылка на сайт обязательна.

Генерация страницы за: 0.147 сек.