русс | укр

Языки программирования

ПаскальСиАссемблерJavaMatlabPhpHtmlJavaScriptCSSC#DelphiТурбо Пролог

Компьютерные сетиСистемное программное обеспечениеИнформационные технологииПрограммирование

Все о программировании


Linux Unix Алгоритмические языки Аналоговые и гибридные вычислительные устройства Архитектура микроконтроллеров Введение в разработку распределенных информационных систем Введение в численные методы Дискретная математика Информационное обслуживание пользователей Информация и моделирование в управлении производством Компьютерная графика Математическое и компьютерное моделирование Моделирование Нейрокомпьютеры Проектирование программ диагностики компьютерных систем и сетей Проектирование системных программ Системы счисления Теория статистики Теория оптимизации Уроки AutoCAD 3D Уроки базы данных Access Уроки Orcad Цифровые автоматы Шпаргалки по компьютеру Шпаргалки по программированию Экспертные системы Элементы теории информации

Elements - электротехнические элементы


Дата добавления: 2015-06-12; просмотров: 1143; Нарушение авторских прав


Series RLC Branch Последовательная RLC-цепь

Пиктограмма:

Назначение:

Моделирует последовательное включение резистора, индуктивности и конденсатора.

Окно задания параметров:

Параметры блока:

Resistance R (Ohms):

[Сопротивление (Ом)]. Величина активного сопротивления. Для исключения резистора из цепи значение сопротивления нужно задать равным нулю. В этом случае на пиктограмме блока резистор отображаться не будет.

Inductance L (H):

[Индуктивность (Гн)]. Величина индуктивности. Для исключения индуктивности из цепи ее величину нужно задать равным нулю. В этом случае на пиктограмме блока индуктивность отображаться не будет.

Capacitance C (F):

[Емкость (Ф)]. Величина емкости. Для исключения конденсатора из цепи значение емкости нужно задать равной inf (бесконечность). В этом случае конденсатор на пиктограмме блока показан не будет.

Measurements:

[Измеряемые переменные]. Параметр позволяет выбрать, передаваемые в блок Multimeter, переменные, которые затем можно увидеть с помощью блока Scope. Значения параметра выбираются из списка:

 None - нет переменных для отображения,

 Branch voltage Voltage - напряжение на зажимах цепи,

 Branch current - ток цепи,

 Branch voltage and current - напряжение и ток цепи.

Отображаемым сигналам в блоке Multimeter присваиваются метки:

 Ib - ток цепи,

 Ub - напряжение цепи.

Пример:

На рис. 1.19 показана схема с использованием последовательного колебательного контура. На схеме источник переменного напряжения амплитудой 100 В и частотой 50 Гц подключается к цепи с параметрами: R = 0.1 Ом, L = 0.001 Гн и C = 0.001 Ф.

Рис. 1.19

Скачать пример (Series_RLC_Branch_1.zip)

Parallel RLC Branch Параллельная RLC-цепь

Пиктограмма:



Назначение:

Моделирует параллельное включение резистора, индуктивности и конденсатора.

Окно задания параметров:

Параметры блока:

Resistance R (Ohms):

[Сопротивление (Ом)]. Величина активного сопротивления. Для исключения резистора из цепи значение сопротивления нужно задать равным inf (бесконечность). В этом случае на пиктограмме блока резистор отображаться не будет.

Inductance L (H):

[Индуктивность (Гн)]. Величина индуктивности. Для исключения индуктивности из цепи ее величину нужно задать равной inf (бесконечность). В этом случае на пиктограмме блока индуктивность отображаться не будет.

Capacitance C (F):

[Емкость (Ф)]. Величина емкости. Для исключения конденсатора из цепи значение емкости нужно задать равной нулю. В этом случае конденсатор на пиктограмме блока показан не будет.

Measurements:

[Измеряемые переменные]. Параметр позволяет выбрать, передаваемые в блок Multimeter, переменные, которые затем можно увидеть с помощью блока Scope. Значения параметра выбираются из списка:

 None - нет переменных для отображения,

 Branch voltage Voltage - напряжение на зажимах цепи,

 Branch current - ток цепи,

 Branch voltage and current - напряжение и ток цепи.

Отображаемым сигналам в блоке Multimeter присваиваются метки:

 Ib - ток цепи,

 Ub - напряжение цепи.

Пример:

На рис. 1.20 показана схема с использованием ппараллельного колебательного контура. На схеме источник переменного напряжения амплитудой 100 В и частотой 50 Гц подключается к цепи с параметрами: R = 0.1 Ом, L = 0.1*10-3 Гн и C = 0.01*10-3 Ф.

Рис. 1.20

Скачать пример (Parallel_RLC_Branch_1.zip)

Series RLC Load Последовательная RLC-нагрузка

Пиктограмма:

Назначение:

Моделирует последовательное включение резистора, индуктивности и конденсатора. Параметры цепи задаются через мощности цепи при номинальном напряжении и частоте.

Окно задания параметров:

Параметры блока:

Nominal voltage Vn (Vrms):

[Номинальное напряжение (В)]. Значение действующего напряжения цепи, для которого определены мощности элементов.

Nominal frequency fn (Hz):

[Номинальная частота (Гц)]. Значение частоты, для которого определены мощности элементов.

Active power P (W):

[Активная мощность (Вт)].

Inductive reactive power QL (positive var):

[Реактивная мощность индуктивности (ВАр)]. Потребляемая индуктивностью реактивная мощность.

Capacitive reactive power QC (negative var):

[Реактивная мощность емкости (ВАр)]. Отдаваемая конденсатором реактивная мощность. В графе вводится абсолютное значение мощности (без учета знака).

Measurements:

[Измеряемые переменные]. Параметр позволяет выбрать, передаваемые в блок Multimeter, переменные. Значения параметра выбираются из списка:

 None - нет переменных для отображения,

 Branch voltage Voltage - напряжение на зажимах цепи,

 Branch current - ток цепи,

 Branch voltage and current - напряжение и ток цепи.

Отображаемым сигналам в блоке Multimeter присваиваются метки:

 Ib - ток цепи,

 Ub - напряжение цепи.

Величины мощностей могут быть определены по следующим выражениям:

,

,

,

где

P - активная мощность,

QL - реактивная мощность индуктивности,

QС - реактивная мощность емкости,

ω - круговая частота напряжения,

U - действующее значение напряжения,

Пример:

На рис. 1.21 показана схема с использованием последовательной нагрузочной цепи. На схеме источник переменного напряжения амплитудой 100 В и частотой 50 Гц подключается к цепи с параметрами: Uн = 100 В, fн = 50 Гц, P = 121.347 Вт, QL = 381.224 ВАр и QC = 3863 ВАр. При выбранных нагрузочных параметрах значения сопротивления, индуктивности и емкости будут равны параметрам последовательной RLC-цепи, показанной на рис. 1.19.

Рис. 1.21

Скачать пример (Series_ RLC_ Load_1.zip)

Parallel RLC Load Параллельная RLC-нагрузка

Пиктограмма:

Назначение:

Моделирует параллельное включение резистора, индуктивности и конденсатора. Параметры цепи задаются через мощности цепи при номинальном напряжении и частоте.

Окно задания параметров:

Параметры блока:

Nominal voltage Vn (Vrms):

[Номинальное напряжение (В)]. Значение действующего напряжения цепи, для которого определены мощности элементов.

Nominal frequency fn (Hz):

[Номинальная частота (Гц)]. Значение частоты, для которого определены мощности элементов.

Active power P (W):

[Активная мощность (Вт)].

Inductive reactive power QL (positive var):

[Реактивная мощность индуктивности (ВАр)]. Потребляемая индуктивностью реактивная мощность.

Capacitive reactive power QC (negative var):

[Реактивная мощность емкости (ВАр)]. Отдаваемая конденсатором реактивная мощность. В графе вводится абсолютное значение мощности (без учета знака).

Measurements:

[Измеряемые переменные]. Параметр позволяет выбрать, передаваемые в блок Multimeter, переменные. Значения параметра выбираются из списка:

 None - нет переменных для отображения,

 Branch voltage Voltage - напряжение на зажимах цепи,

 Branch current - ток цепи,

 Branch voltage and current - напряжение и ток цепи.

Отображаемым сигналам в блоке Multimeter присваиваются метки:

 Ib - ток цепи,

 Ub - напряжение цепи.

Величины мощностей могут быть определены по следующим выражениям:

,

,

,

где

P - активная мощность,

QL - реактивная мощность индуктивности,

QС - реактивная мощность емкости,

ω - круговая частота напряжения,

U - действующее значение напряжения,

Пример:

На рис. 1.22 показана схема с использованием последовательной нагрузочной цепи. На схеме источник переменного напряжения амплитудой 100 В и частотой 50 Гц подключается к цепи с параметрами: Uн = 100 В, fн = 50 Гц, P = 100 кВт, QL = 318.3 кВАр и QC = 31.42 ВАр. При выбранных нагрузочных параметрах значения сопротивления, индуктивности и емкости будут равны параметрам параллельной RLC-цепи, показанной на рис. 1.20.

Рис. 1.22

Скачать пример (Parallel_RLC_Load_1.zip)

3-Phase Series RLC Branch Трехфазная последовательная RLC-цепь

Пиктограмма:

Назначение:

Моделирует трехфазную цепь, состоящую из трех RLC-цепей.

Окно задания параметров:

Параметры блока:

Resistance R (Ohms):

[Сопротивление (Ом)]. Величина активного сопротивления в одной фазе. Для исключения резистора из цепи значение сопротивления нужно задать равным нулю. В этом случае на пиктограмме блока резистор отображаться не будет.

Inductance L (H):

[Индуктивность (Гн)]. Величина индуктивности в одной фазе. Для исключения индуктивности из цепи ее величину нужно задать равным нулю. В этом случае на пиктограмме блока индуктивность отображаться не будет.

Capacitance C (F):

[Емкость (Ф)]. Величина емкости в одной фазе. Для исключения конденсатора из цепи значение емкости нужно задать равной inf (бесконечность). В этом случае конденсатор на пиктограмме блока показан не будет.

Пример:

На рис. 1.23 показана схема, в которой трехфазная последовательная RLC-цепь подключается к трехфазному источнику напряжения с действующим значением линейного напряжения 25 кВ и частотой 50 Гц. Подключение осуществляется с помощью блока 3-Phase Breaker. Параметры цепи выбраны следующими: R = 0.1 Ом, L = 0.1*10-3 Гн и C = 0.05*10-3 Ф. Для измерения тока в трехфазной системе использован блок Three-Phase V-I Measurement. На рисунке показана также схема блока 3-Phase Series RLC Branch.

Рис. 1.23

Скачать пример (Three_Phase_Series_RLC_Branch_1.zip)

3-Phase Parallel RLC Branch Трехфазная параллельная RLC-цепь

Пиктограмма:

Назначение:

Моделирует трехфазную цепь, состоящую из трех параллельных RLC-цепей. На рисунке показана также схема блока 3-Phase Parallel RLC Branch.

Окно задания параметров:

Параметры блока:

Resistance R (Ohms):

[Сопротивление (Ом)]. Величина активного сопротивления в одной фазе. Для исключения резистора из цепи значение сопротивления нужно задать равным inf (бесконечность). В этом случае на пиктограмме блока резистор отображаться не будет.

Inductance L (H):

[Индуктивность (Гн)]. Величина индуктивности в одной фазе. Для исключения индуктивности из цепи ее величину нужно задать равной inf (бесконечность). В этом случае на пиктограмме блока индуктивность отображаться не будет.

Capacitance C (F):

[Емкость (Ф)]. Величина емкости в одной фазе. Для исключения конденсатора из цепи значение емкости нужно задать равной нулю. В этом случае конденсатор на пиктограмме блока показан не будет.

Пример:

На рис. 1.24 показана схема, в которой трехфазная параллельная RLC-цепь подключается к трехфазному источнику напряжения с действующим значением линейного напряжения 25 кВ и частотой 50 Гц. Параметры цепи выбраны следующими: R = 0.1 Ом, L = 0.1*10-3 Гн и C = 0.01*10-3 Ф. На рисунке показана также схема блока 3-Phase Parallel RLC Branch.

Рис. 1.24

Скачать пример (Three_Phase_Parallel_RLC_Branch_1.zip)

3-Phase Series RLC Load Трехфазная последовательная RLC-нагрузка

Пиктограмма:

Назначение:

Моделирует трехфазную цепь, состоящую из трех последовательных RLC-нагрузок. Схема соединения цепей - звезда с заземленной нейтралью. Параметры цепи задаются через мощности фаз цепи при номинальном напряжении и частоте.

Окно задания параметров:

Параметры блока:

Nominal phase-phase voltage Vn (Vrms):

[Номинальное линейное напряжение (В)]. Значение действующего линейного напряжения цепи, для которого определены мощности элементов.

Nominal frequency fn (Hz):

[Номинальная частота (Гц)]. Значение частоты, для которого определены мощности элементов.

Three-Phase аctive power P (W):

[Активная мощность на три фазы(Вт)].

Three-Phase inductive reactive power QL (positive var):

[Реактивная мощность индуктивности на три фазы (ВАр)]. Потребляемая индуктивностью реактивная мощность.

Three-Phase capacitive reactive power QC (negative var):

[Реактивная мощность емкости на три фазы (ВАр)]. Отдаваемая конденсатором реактивная мощность. В графе вводится абсолютное значение мощности (без учета знака).

Пример:

На рис. 1.25 показана схема с использованием трехфазной последовательной нагрузочной цепи. На схеме источник переменного напряжения с действующим значением линейного напряжения 25 кВ и частотой 50 Гц подключается к цепи с параметрами: Uн = 25 кВ, fн = 50 Гц, P = 188.7 МВт, QL = 59.29 МВАр и QC = 120.1 МВАр. При выбранных нагрузочных параметрах значения сопротивления, индуктивности и емкости будут равны параметрам трехфазной последовательной RLC-цепи, показанной на рис. 1.23. На рисунке показана также схема блока 3-Phase Series RLC Load.

Рис. 1.25

Скачать пример (Three_Phase_Series_RLC_Load_1.zip)

3-Phase Parallel RLC Load Трехфазная параллельная RLC-нагрузка

Пиктограмма:

Назначение:

Моделирует трехфазную цепь, состоящую из трех параллельных RLC-нагрузок. Схема соединения цепей - звезда с заземленной нейтралью. Параметры цепи задаются через мощности фаз цепи при номинальном напряжении и частоте.

Окно задания параметров:

Параметры блока:

Nominal phase-phase voltage Vn (Vrms):

[Номинальное линейное напряжение (В)]. Значение действующего линейного напряжения цепи, для которого определены мощности элементов.

Nominal frequency fn (Hz):

[Номинальная частота (Гц)]. Значение частоты, для которого определены мощности элементов.

Three-Phase аctive power P (W):

[Активная мощность на три фазы(Вт)].

Three-Phase inductive reactive power QL (positive var):

[Реактивная мощность индуктивности на три фазы (ВАр)]. Потребляемая индуктивностью реактивная мощность.

Three-Phase capacitive reactive power QC (negative var):

[Реактивная мощность емкости на три фазы (ВАр)]. Отдаваемая конденсатором реактивная мощность. В графе вводится абсолютное значение мощности (без учета знака).

Пример:

На рис. 1.26 показана схема с использованием последовательной нагрузочной цепи. На схеме источник переменного напряжения с действующим значением линейного напряжения 25 кВ и частотой 50 Гц подключается к цепи с параметрами: Uн = 25 кВ, fн = 50 Гц, P = 2083 МВт, QL = 6631 МВАр и QC = 654.5 кВАр. При выбранных нагрузочных параметрах значения сопротивления, индуктивности и емкости будут равны параметрам параллельной RLC-цепи, показанной на рис. 1.24. На рисунке показана также схема блока 3-Phase Parallel RLC Load.

Рис. 1.26

Скачать пример (Three_Phase_Parallel_RLC_Load_1.zip)

3-Phase Dynamic Load Трехфазная динамическая нагрузка

Пиктограмма:

Назначение:

Трехфазный блок динамической нагрузки моделирует трехфазную, трехпроводную динамическую нагрузку, чья активная мощность P и реактивная мощность Q изменяются как функция напряжения прямой последовательности. Токи обратной и нулевой последовательности не моделируются, поэтому фазные токи нагрузки являются сбалансированными даже при не сбалансированных напряжениях.

Полное сопротивление нагрузки сохраняется постоянным, если напряжение на зажимах нагрузки более низкое, чем заданная величина . Когда напряжение на зажимах большее, чем величина , активная мощность P и реактивная мощность Q нагрузки изменяется в соответствии с выражениями:

,

,

где:

- начальное напряжение прямой последовательности,

и - начальные значения активной и реактивной мощности при напряжении .

V - напряжение прямой последовательности,

и - показатели степени (обычно между 1 и 3) управляющие свойствами нагрузки.

и - постоянные времени, управляющие динамикой активной мощности P.

и - постоянные времени, управляющие динамикой реактивной мощности Q

Для моделирования, например, токовой нагрузки постоянной величины требуется задать и равными 1, а для задания постоянного по величине полного сопротивления нагрузки необходимо задать и равными 2.

Окно задания параметров:

Параметры блока:

Nominal L-L voltage and frequency [Vn(Vrms) fn (Hz)]:

[Номинальное линейное напряжение и частота].

Active & reactive power at initial voltage [Po(W) Qo(var)]:

[Значения активной и реактивной мощности при начальном напряжении].

Initial positive-sequence voltage Vo [Mag(pu) Phase (deg.)]:

[Начальное напряжение прямой последовательности]. Параметр задается вектором, содержащим значение модуля напряжения Mag и его начальной фазы Phase. Величина напряжения задается в относительных единицах (по отношению к номинальному напряжению), а фаза - в эл. градусах.

External control of PQ:

[Внешнее управление активной и реактивной мощностью]. При установке флажка на пиктограмме блока появляется дополнительный входной порт, на который следует подавать векторный сигнал из двух элементов для управления P и Q.

Parameters [ np nq ]:

[Параметры и ]. Показатели степени управляющие свойствами нагрузки.

Time constants [Tp1 Tp2 Tq1 Tq2] (s):

[Постоянные времени нагрузки].

Minimum voltage Vm in (pu):

[Минимальное напряжение ]. Параметр задается в относительных единицах.

Пример:

На рис. 1.27 показана схема с использованием трехфазной динамической нагрузки. Поскольку блок 3-Phase Dynamic Load создан на базе источников тока, то он не может быть последовательно включен с индуктивными элементами, поэтому параллельно динамической нагрузке добавлена малая активная нагрузка (1 MW).

Рис. 1.27

Скачать пример (Three_Phase_Din_Load_1.zip)

Surge Arrester Грозозащитный разрядник

Пиктограмма:

Назначение:

Грозозащитный разрядник (варистор) представляет собой резистор с нелинейной вольт-амперной характеристикой и предназначен для защиты энергетического оборудования от перенапряжений. Конструктивно разрядник выполняется в виде одного или нескольких параллельно включенных столбов металлоксидных дисков, заключенных в диэлектрический (фарфоровый) корпус. Нелинейная характеристика варистора аппроксимируется комбинацией трех экспоненциальных функций вида:

,

где

V и I - напряжение и ток разрядника,

и - защитное напряжение разрядника, и его ток при этом напряжении,

и - параметры i-го участка нелинейной зависимости.

На рис. 1.29 показаны графики вольт-амперной характеристики разрядника в обычном и в логарифмическом масштабах.

Рис. 1.28

Окно задания параметров:

Параметры блока:

Protection voltage Vref:

[Напряжение защиты].

Number of columns:

[Количество столбов металлоксидных дисков].

Reference current per column Iref:

[Ток одного столба при напряжении равном Vref].

Segment 1 characteristic:

[Параметры K и первого сегмента вольт-амперной характеристики].

Segment 2 characteristic:

[Параметры K и второго сегмента вольт-амперной характеристики].

Segment 3 characteristic

[Параметры K и третьего сегмента вольт-амперной характеристики].

Measurements:

[Измеряемые переменные]. Значения параметра выбираются из списка:

· None - нет переменных для отображения,

· Branch voltage Voltage - напряжение на зажимах элемента,

· Branch current - ток элемента,

· Branch voltage and current - напряжение и ток элемента.

Пример:

На рис. 1.29 показана схема в которой при замыкании ключа Breaker происходит скачкообразное повышение напряжения на конденсаторе. Блок Surge Arrester предотвращает чрезмерное повышение напряжения. На рисунке показана также вольтамперная характеристика разрядника.

Рис. 1.29

Скачать пример (Surge_Arrester_1.zip)

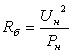
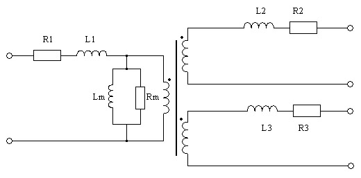
Mutual Inductance Взаимная индуктивность

Пиктограмма:

Назначение:

Блок взаимной индуктивности предназначен для моделирования катушек или проводников имеющих магнитную связь. Блок позволяет моделировать три или два магнитно-связанных элемента. Схема модели взаимоиндуктивности показана на рис. 1.30.

Рис. 1.30

Окно задания параметров:

Параметры блока:

Winding 1 self impedance [R1(Ohm) L1(H)]:

[Собственное сопротивление и индуктивность первой обмотки].

Three windings Mutual Inductance:

[Трехобмоточная взаимная индуктивность]. Снятие флажка позволяет убирать из модели третью обмотку.

Winding 2 self impedance [R2(Ohm) L2(H)]:

[Собственное сопротивление и индуктивность второй обмотки].

Winding 3 self impedance [R3(Ohm) L3(H)]:

[Собственное сопротивление и индуктивность третьей обмотки].

Mutual impedance [Rm(Ohm) Lm(H)]:

[Взаимное сопротивление и индуктивность обмоток].

Measurements:

[Измеряемые переменные]. Значения параметра выбираются из списка:

· None - нет переменных для отображения,

· Winding voltages - напряжения обмоток,

· Winding currents - токи обмоток,

· Winding voltages and currents - напряжения и токи обмоток.

Задаваемые параметры обмоток должны удовлетворять следующим ограничениям (см. рис. 1.30):

R1, R2, R3 Rm ,

L1, L2, L3 Lm .

При моделировании схем с использованием взаимной индуктивности (так же как и трансформаторов) следует иметь в виду, что, не смотря на отсутствие видимой потенциальной связи между обмотками, такая связь (через резистор) все же имеется. Она необходима для расчета потенциалов в узлах всей схемы. Наличие такой связи не оказывает влияние на измеряемые величины токов и напряжений обмоток взаимной индуктивности.

Пример:

На рис. 1.31 показана схема, в которой третья гармоника напряжения на нагрузке вводится с помощью блока взаимной индуктивности.

Рис. 1.31

Скачать пример (Mutual_Inductance_1.zip)

3-Phase Mutual Inductance Z1-Z0

3-Phase Mutual Inductance Z1-Z0 Трехфазная взаимная индуктивность

Пиктограмма:

Назначение:

Блок трехфазной взаимной индуктивности предназначен для моделирования трехфазной цепи с индуктивной связью между фазами. В качестве основы модели трехфазной взаимной индуктивности используется блок Mutual Inductance с тремя обмотками. Параметры блока взаимной индуктивности пересчитываются исходя из задаваемых для трехфазной взаимной индуктивности параметров прямой и обратной последовательности по следующим выражениям:

,

,

,

,

где

и - сопротивления нулевой и прямой последовательности блока трехфазной взаимной индуктивности,

и - индуктивности нулевой и прямой последовательности блока трехфазной взаимной индуктивности,

и - собственное сопротивление каждой из трех обмоток блока взаимной индуктивности их взаимное сопротивление,

и - собственная индуктивность каждой из трех обмоток блока взаимной индуктивности их взаимная индуктивность.

Окно задания параметров:

Параметры блока:

Positive-sequence parameters [R1 (Ohms) L1 (H)]:

[Параметры прямой последовательности]. Сопротивление и индуктивность прямой последовательности.

Zero-sequence parameters [R0 (Ohms) L0 (H)]:

[Параметры нулевой последовательности]. Сопротивление и индуктивность нулевой последовательности.

Пример:

На рис. 1.32 показана схема с использованием блока трехфазной взаимной индуктивности.

Рис. 1.32

Скачать пример (Three_Phase_Mutual_Inductance_1.zip)

Breaker Выключатель переменного тока

Пиктограмма:

Назначение:

Моделирует устройство включения и выключения переменного тока. Выключатель может управляться внешним входным сигналом или от встроенного таймера. Включение устройства выполняется единичным управляющим сигналом. Команда на выключение дается нулевым уровнем сигнала, при этом выключение устройства осуществляется при уменьшении тока до нуля. Устройство имеет встроенную искрогасящую RC-цепь,включенную параллельно контактам выключателя.

Окно задания параметров:

Параметры блока:

Breaker resistance Ron(Ohm):

[Сопротивление выключателя в замкнутом состоянии (Ом)].

Initial state (0 for 'open',1 for 'closed')

[Начальное состояние выключателя (0 - разомкнут, 1 -замкнут)].

Snubber resistance Rs(Ohm):

[Сопротивление искрогасящей цепи (Ом)].

Snubber capacitance Cs(F):

[Емкость искрогасящей цепи (Ф)].

Switching times (s):

[Время срабатывания выключателя]. Параметр задается в виде вектора, определяющего моменты времени срабатывания выключателя. Например, при разомкнутом начальном состоянии ключа значение параметра заданное вектором [0.005 0.01 0.02 0.03] означает, что замыкание ключа будет выполняться в моменты времени 0.005с и 0.02с, а размыкание - в моменты времени 0.01с и 0.03с.

Sample time of the internal timer Ts (s):

[Шаг дискретизации встроенного таймера].

External control of switching times:

[Внешнее управление временем срабатывания]. При установке флажка на пиктограмме блока появляется входной управляющий порт. Единичный уровень управляющего сигнала вызывает замыкание ключа, а нулевой уровень является командой на размыкание ключа, при этом разрыв цепи выполняется при достижении током нулевого уровня.

Measurements:

[Измеряемые переменные]. Значения параметра выбираются из списка:

 None - нет переменных для отображения,

 Branch voltage Voltage- напряжение на зажимах элемента,

 Branch current - ток элемента,

 Branch voltage and current - напряжение и ток элемента.

Пример:

На рис. 1.33 показана схема, в которой элемент Breaker осуществляет подключение и отключение активно-индуктивной нагрузки к источнику переменного тока. На диаграмме хорошо видно, что отключение источника от нагрузки происходит только тогда, когда ток в цепи упадет до нуля.

Рис. 1.33

Скачать пример (Breaker_1.zip)

3-Phase Breaker Трехфазный выключатель переменного тока

Пиктограмма:

Назначение:

Моделирует трехфазное устройство включения и выключения переменного тока. Состоит из трех блоков Breaker, управляемых одним сигналом.

Окно задания параметров:

Параметры блока:

Initial status of breakers:

[Начальное состояние ключей]. Значение параметра выбираетсяиз списка:

 open - все ключи открыты,

 closed - все ключи закрыты.

Switching of phase A:

[Управление ключом фазы A].При снятом флажке управление ключом не производится. Состояние ключа определяется параметром Initial status of breakers.

Switching of phase B:

[Управление ключом фазы B].При снятом флажке управление ключом не производится. Состояние ключа определяется параметром Initial status of breakers.

Switching of phase C:

[Управление ключом фазы C].При снятом флажке управление ключом не производится. Состояние ключа определяется параметром Initial status of breakers.

Transition times (s):

[Время срабатывания выключателя]. Параметр задается в виде вектора, определяющего моменты времени срабатывания выключателя.

Sample time of the internal timer Ts (s):

[Шаг дискретизации встроенного таймера].

External control of switching times:

[Внешнее управление временем срабатывания]. При установке флажка на пиктограмме блока появляется входной управляющий порт. Единичный уровень управляющего сигнала вызывает замыкание ключей, а нулевой уровень является командой на размыкание ключей, при этом разрыв цепи в каждой фазе выполняется при достижении током этой фазы нулевого уровня.

Breaker resistance Ron(Ohm):

[Сопротивление выключателя в замкнутом состоянии (Ом)].

Initial state (0 for 'open', 1 for'closed'):

[Начальное состояние выключателя (0 - разомкнут, 1 -замкнут)].

Snubber resistance Rs(Ohm):

[Сопротивление искрогасящей цепи (Ом)].

Snubber capacitance Cs(F):

[Емкость искрогасящей цепи (Ф)].

Measurements:

[Измеряемые переменные]. Значения параметра выбираются изсписка:

 None - нет переменных для отображения,

 Branch voltage Voltage- напряжение на зажимах элемента,

 Branch current - ток элемента,

 Branch voltage and current - напряжение и ток элемента.

Пример:

На рис. 1.34 показана схема, с использованием трехфазного выключателя. Управление выключателем осуществляется с помощью блока Timer. Измерение фазных токов выполняется блоком Multimetr.

Рис. 1.34

Скачать пример (Three_Phase_Breaker_1.zip)

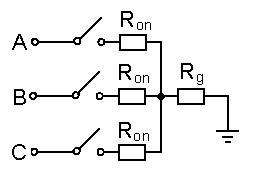
3-Phase Fault Трехфазный короткозамыкатель

Пиктограмма:

Назначение:

Моделирует трехфазное устройство, замыкающее фазы между собой, а также на землю. Схема устройства показана на рис. 1.35. Величина сопротивления заземления Rg устанавливается равной 106 Ом, если замыкание на землю не задано в окне параметров блока.

Рис. 1.35

Окно задания параметров:

Параметры блока:

Phase A Fault:

[Управление ключом фазы A]. При снятом флажке управление ключом не производится. Состояние ключа определяется параметром Transition status, если блок работает под управлением встроенного таймера, или параметром Initial statusof fault, если блок управляется внешним сигналом.

Phase B Fault:

[Управление ключом фазы B]. При снятом флажке управление ключом не производится. Состояние ключа определяется параметром Transition status, если блок работает под управлением встроенного таймера, или параметром Initial status of fault, если блок управляется внешним сигналом.

Phase C Fault:

[Управление ключом фазы C]. При снятом флажке управление ключом не производится. Состояние ключа определяется параметром Transition status, если блок работает под управлением встроенного таймера, или параметром Initial status of fault, если блок управляется внешним сигналом.

Fault resistance Ron(Ohm):

[Сопротивление выключателей в замкнутом состоянии (Ом)].

Ground Fault:

[Замыкание на землю]. При установленном флажке производится замыкание на землю.

Ground resistance Rg(Ohm):

[Сопротивление заземления (Ом)]. Величина сопротивления заземления не может задаваться равной нулю.

External control of switching times:

[Внешнее управление временем срабатывания]. При установке флажка на пиктограмме блока появляется входной управляющий порт. Единичный уровень управляющего сигнала вызывает замыкание ключей, а нулевой уровень является командой на размыкание ключей.

Transition status [1 0 1…]:

[Состояние ключей]. Состояние ключей, которое соответствует моменту времени, заданному вектором Transition times (0 - разомкнутый ключ, 1 -замкнутый ключ). Параметр доступен при управлении блоком от встроенного таймера.

Transition times (s):

[Время срабатывания ключа]. Параметр задается в виде вектора значений времени, определяющих моменты срабатывания ключей. Параметр доступен при управлении блоком от встроенного таймера.

Sample time of the internal timer Ts (s):

[Шаг дискретизации встроенного таймера].

Initial status of fault [Phase A Phase BPhase C]:

[Начальное состояние ключей]. Параметр задается в виде вектора из трех элементов, определяющих состояние ключей в начальный моментвремени. Значение элемента равное 0 соответствует разомкнутому начальному состоянию, 1 - замкнутому. Параметр доступен при внешнем управлении устройством.

Snubbers resistance Rs(Ohm):

[Сопротивление искрогасящей цепи (Ом)].

Snubbers capacitance Cs(F):

[Емкость искрогасящей цепи (Ф)].

Measurements:

[Измеряемые переменные]. Значения параметра выбираются из списка:

 None - нет переменных для отображения,

 Fault voltages - напряжения на входных зажимах короткозамыкателя,

 Fault currents - токи короткозамыкателя,

 Fault voltages and currents - напряжения и токи короткозамыкателя.

Пример:

На рис. 1.36 показана схема, с использованием трехфазного короткозамыкателя. В момент времени 0.02с производится межфазное короткое замыкание. Управление устройством осуществляется с помощью блока Step. Измерение фазных токов выполняется блоком Multimetr.

Рис. 1.36

Скачать пример (Three_Phase_Fault_1.zip)

PI Section Line Линия электропередачи с сосредоточенными параметрами

Пиктограмма:

Назначение:

Моделирует однофазную линию электропередачи с сосредоточенными параметрами. В реальной линии электропередачи сопротивления, индуктивность, и емкость равномерно распределены вдоль линии. Приближенная модель линии (рис. 1.37) может содержать от одной до нескольких идентичных секций с сосредоточенными параметрами. Число секций зависит от частотного диапазона, который необходимо охватить при моделировании. Приближенно число секций можно определить из выражения:

,

где

fmax - максимальная частота,

- скорость распространения в км/c, при измерении индуктивности в Гн/км и емкости в Ф/км,

l - длина линии в км,

N - число секций.

Рис. 1.37

Окно задания параметров:

Параметры блока:

Frequency used for R L C specification (Hz):

[Частота работы линии (Гц)].

Resistance per unit length (Ohm/km):

[Сопротивление линии на 1 км длины (Ом/км)].

Inductance per unit length (H/km):

[Индуктивность линии на 1 км длины (Гн/км)].

Capacitance per unit length (F/km):

[Емкость линии на 1 км длины (Ф/км)].

Length (km):

[Длина линии (км)].

Number of pi sections:

[Число секций линии].

Measurements:

[Измеряемые переменные]. Значения параметра выбираются из списка:

 None - нет переменных для измерения,

 Input and output voltages - входные и выходные напряжения,

 Input and output currents- входные и выходные токи,

 All voltages and currents - все напряжения и токи.

Пример:

На рис. 1.38 показана схема, моделирующая процессы подключения к источнику и отключения от него линии электропередачи длиной 200 км. Модель линии имеет две секции.

Рис. 1.38

Скачать пример (PI_Section_Line_1.zip)

3-Phase PI Section Line Трехфазная линия электропередачи с сосредоточенными параметрами

Пиктограмма:

Назначение:

Моделирует трехфазную линию электропередачи с сосредоточенными параметрами с учетом взаимной индуктивности фаз линии. Модель состоит из одной секции. Для создания модели из нескольких секций необходимо последовательно включить нужное количество блоков.

Окно задания параметров:

Параметры блока:

Frequency used for R L C specification (Hz):

[Частота работы линии (Гц)].

Positive- and zero-sequence resistances [R1 (Ohms/km) R0 (Ohms/km) ]:

[Сопротивление прямой и нулевой последовательности линии на 1 км длины (Ом/км)]. Параметр задается в виде вектора.

Positive- and zero-sequence inductances [ L1(H/km) L0 (H/km)]:

[Индуктивность прямой и нулевой последовательности линии на 1 км длины (Гн/км)]. Параметр задается в виде вектора.

Positive- and zero-sequence capacitances [ C1(F/km) C0(F/km)]:

[Емкость прямой и нулевой последовательности линии на 1 км длины (Ф/км)]. Параметр задается в виде вектора.

Line section length (km):

[Длина линии (км)].

Пример:

На рис. 1.39 показана схема, моделирующая процессы подключения к источнику линии электропередачи длиной 100 км.

Рис. 1.38

Скачать пример (Three_Phase_PI_Section_Line_1.zip)

Distributed Parameters Line Линия электропередачи с распределенными параметрами

Пиктограмма:

Назначение:

Моделирует многофазную линию электропередачи с распределенными параметрами. Математическое описание модели изложено в [1].

Окно задания параметров:

Параметры блока:

Number of phases N:

[Число фаз].

Frequency used for R L C specification (Hz):

[Частота работы линии (Гц)].

|Resistance per unit length (Ohms/km) [N*N matrix] or [R1 R R0m]:

[Сопротивление линии на 1 км длины (Ом/км)].

Inductance per unit length (H/km) [N*N matrix ] or [L1 L0 L0m].

[Индуктивность линии на 1 км длины (Гн/км)].

Capacitance per unit length (F/km) [N*N matrix] or [C1 C0 C0m]:

[Емкость линии на 1 км длины (Ф/км)]:

Line length (km):

[Длина линии (км)].

Measurements:

[Измеряемые переменные]. Значения параметра выбираются из списка:

 None - нет переменных для измерения,

 Phase-to-ground voltages - напряжения относительно земли на входе и на выходе линии.

Для моделирования двух-, трех- или шестифазной симметричной линии можно задать параметры линии в виде матриц размерностью NxN (N - число фаз) или задать параметры прямой последовательности. Для двух- или трехфазной транспонированной линии можно ввести параметры прямой и нулевой последовательности. Для шестифазной транспонированной линии нужно дополнительно задать параметры нулевой последовательности взаимного сопротивления, индуктивности и емкости. Для моделирования несимметричной линии требуется задать матрицы параметров размерностью NxN.

Пример:

На рис. 1.40 показана схема, моделирующая процессы подключения к источнику и отключения от него линии электропередачи длиной 200 км. В схеме использованы те же параметры линии и источника, что и в примере для однофазной линии с сосредоточенными параметрами (рис. 1.38).

Рис. 1.40

Скачать пример (Distrib_Parameter_Line_1.zip)

[1] Dommel, H, "Digital Computer Solution of Electromagnetic Transients in Single and Multiple Networks," IEEE Transactions on Power Apparatus and Systems, Vol. PAS-88, No. 4, April, 1969.

Three-phase Transformer (Three Windings) Трехфазный трехобмоточный трансформатор

Пиктограмма:

Назначение:

Моделирует трехобмоточный трехфазный трансформатор. Модель построена на основе трех однофазных трансформаторов. В модели может учитываться нелинейность характеристики намагничивания материала сердечника.

Окно задания параметров:

Параметры блока:

Port configuration:

[Конфигурация портов]. Параметр позволяет изменять тип портов (входные или выходные) блока. Значение парамета выбирается из списка:

 ABC as input terminals - зажимы первичной обмотки (А, B и C) являются входными. Зажимы вторичных обмоток (abc) при этом будут выходными.

 ABC as output terminals - зажимы первичной обмотки (А, B и C) являются выходными. Зажимы вторичных обмоток (abc) при этом будут входными.

Nominal power and frequency [Pn(VA) fn(Hz)]:

[Номинальная мощность (ВА) и частота (Гц) трансформатора].

Winding 1 (ABC) connection:

[Cхема соединения первой обмотки]. Значение параметра выбирается из списка:

 Y - звезда,

 Yn - звезда с нейтралью,

 Yg -звезда с заземленной нейтралью,

 Delta(D1) - треугольник первой группы,

 Delta(D11) - треугольник одиннадцатой группы.

Winding parameters [V1 Ph-Ph(V), R1(pu), L1(pu)]:

[Параметры первой обмотки]. Линейное напряжение (В), активное сопротивление обмотки (о.е.), индуктивность обмотки (о.е.).

Winding 2 (abc) connection:

[Cхема соединения второй обмотки]. Значение параметра выбирается из списка:

 Y – звезда,

 Yn – звезда с нейтралью,

 Yg –звезда с заземленной нейтралью,

 Delta(D1) – треугольник первой группы,

 Delta(D11) – треугольник одиннадцатой группы.

Winding parameters [U2 Ph-Ph(V), R2(pu), L2(pu) ]:

[Параметры второй обмотки]. Линейное напряжение (В), активное сопротивление обмотки (о.е.), индуктивность обмотки (о.е.).

Winding 3 (abc) connection:

[Cхема соединения третьей обмотки]. Значение параметра выбирается из списка:

 Y - звезда,

 Yn - звезда с нейтралью,

 Yg -звезда с заземленной нейтралью,

 Delta(D1) - треугольник первой группы,

 Delta(D11) - треугольник одиннадцатой группы.

Winding parameters [U3 Ph-Ph(V), R2(pu), L2(pu) ]:

[Параметры третьей обмотки]. Линейное напряжение (В), активное сопротивление обмотки (о.е.), индуктивность обмотки (о.е.).

Saturable core:

[Насыщающийся сердечник]. При установленном флажке используется нелинейная модель трансформатора.

Magnetization resistance Rm(pu):

[Сопротивление цепи намагничивания (о.е.)].

Magnetization inductance Lm(pu):

[Индуктивность цепи намагничивания (о.е.)]. Параметр доступен при моделировании линейного трансформатора (флажок Saturable core не установлен).

Saturation characteristic (pu) [i1, phi1; i2, phi2 ;…]

[Характеристика насыщения сердечника]. Значения намагничивающего тока и магнитного потока задаются в относительных единицах. Параметр доступен при моделировании нелинейного трансформатора (флажок Saturable core установлен).

Simulate hysteresis:

[Моделировать гистерезис]. При установленном флажке в характеристике намагничивания учитывается гистерезис.

Hysteresis Data Mat file:

[Имя файла данных, содержащего гистерезисную характеристику]. Файл данных может быть создан с помощью блока Powergui. Параметр доступен при установленном флажке Simulate hysteresis.

Specify initial fluxes [phi0A, phi0B, phi0C]:

[Начальные потоки для фаз АВС]. Параметр доступен при моделировании нелинейного трансформатора (флажок Saturable core установлен).

Measurements:

[Измеряемые переменные]. Значения параметра выбираются из списка:

 Winding voltages - напряжения обмоток,

 Winding currents - токи обмоток,

 Flux and excitation current (Imag_IRm) - поток и ток холостого хода,

 Flux and magnetization current (Imag) - поток и ток намагничивания,

 All Measurements (V, I, Flux)- все напряжения, токи и поток.

Активные сопротивления и индуктивности обмоток, а также параметры цепи намагничивания задаются в относительных единицах аналогично модели линейного трансформатора

Характеристика намагничивания задается аналогично модели нелинейного трансформатора.

Three-phase Linear Transformer (12-terminals) Трехфазный линейный трансформатор (12-выводов)

Пиктограмма:

Назначение:

Моделирует трехфазный линейный трансформатор. Модель построена на основе трех однофазных линейных трансформаторов. Блок имеет отдельные зажимы для всех выводов обмоток трансформатора.

Окно задания параметров:

Параметры блока:

Three-phase rated power and frequency [Pn(VA) fn(Hz)]: [Трехфазная номинальная полная мощность (ВА) и номинальная частота (Гц)].

Winding 1 parameters [V1(Vrms) R1(pu) L1(pu)]: [Параметры первичной обмотки. Действующее значение напряжения обмотки (В), активное сопротивление (о.е.) и индуктивность рассеяния (о.е.) обмотки].

Winding 2 parameters: [Параметры вторичной обмотки. Действующее значение напряжения обмотки (В), активное сопротивление (о.е.) и индуктивность рассеяния (о.е.) обмотки].

Magnetization branch [Rm(pu) Lm(pu)]: [Сопротивление цепи намагничивания (о.е.) и индуктивность цепи намагничивания (о.е.)].

Zigzag Phase-Shifting Transformer Трехфазный трансформатор с первичной обмоткой соединенной в зигзаг

Пиктограмма:

Назначение:

Моделирует трехфазный трансформатор, первичные обмотки которого соединены в зигзаг. Модель построена на основе трех однофазных трехобмоточных трансформаторов. Все зажимы первичных обмоток доступны. В модели может учитываться нелинейность характеристики намагничивания материала сердечника.

Окно задания параметров:

Параметры блока:

Nominal power and frequency [Pn(VA) fn(Hz)]: [Номинальная мощность (ВА) и частота (Гц) трансформатора].

Primary (zigzag) nominal voltage Vp [Vrms Ph-Ph]: [Действующее значение номинального линейного напряжения первичной обмотки трансформатора].

Secondary nominal voltage and phase shift [V3(Vrms Ph-Ph) Phi(Deg)]:
[Действующее значение номинального линейного напряжения вторичной обмотки трансформатора и фазовый сдвиг напряжения вторичной обмотки (эл. град)].

Secondary winding (abc) connection : [Cхема соединения вторичной обмотки]. Значение параметра выбирается из списка:

 Y - звезда,

 Yn - звезда с нейтралью,

 Yg -звезда с заземленной нейтралью,

 Delta(D1) - треугольник первой группы,

 Delta(D11) - треугольник одиннадцатой группы.

Winding 1 (zig-zag) : [ R1(pu) L1(pu)]: [Параметры первой обмотки]. Активное сопротивление (о.е.) и индуктивность (о.е.) первой обмотки однофазного трехобмоточного трансформатора.

Winding 2 (zig-zag) : [ R2(pu) L2(pu)]: [Параметры второй обмотки]. Активное сопротивление (о.е.) и индуктивность (о.е.) второй обмотки однофазного трехобмоточного трансформатора.

Winding 3 (secondary): [ R3(pu) L3(pu)]: [Параметры третьей обмотки]. Активное сопротивление (о.е.) и индуктивность (о.е.) третьей (вторичной) обмотки однофазного трехобмоточного трансформатора.

Saturable core: [Насыщающийся сердечник]. При установленном флажке используется нелинейная модель трансформатора.

Magnetizing branch: [Rm(pu) Lm(pu)]: [Параметры цепи намагничивания]. Активное сопротивление (о.е.) и индуктивность (о.е.) цепи намагничивания. Параметр доступен, если флажок Saturable core не установлен (моделируется линейный трансформатор).

Magnetization resistance Rm(pu): [Сопротивление цепи намагничивания (о.е.)]. Параметр доступен, если установлен флажок Saturable core.

Saturation characteristic (pu) [ i1 , phi1 ; i2 , phi2 ; ... ]: [Характеристика насыщения сердечника]. Значения намагничивающего тока и магнитного потока задаются в относительных единицах. Параметр доступен при моделировании нелинейного трансформатора (флажок Saturable core установлен).

Measurements:

 None - нет переменных для измерения,

 Phase voltages - фазные напряжения обмоток,

 Phase currents - фазные токи обмоток,

 Fluxes and excitation currents (Imag + IRm) - потоки и токи холостого хода,

 Fluxes and magnetization currents (Imag) - поток и ток намагничивания,

 All measurements (V I Fluxes) - все напряжения, токи и поток.

Активные сопротивления и индуктивности обмоток, а также параметры цепи намагничивания задаются в относительных единицах аналогично модели линейного трансформатора

Linear Transformer Линейный трансформатор

Пиктограмма:

Назначение:

Моделирует трех или двух обмоточный однофазный трансформатор. Нелинейность характеристики намагничивания материала сердечника не учитывается. Схема замещения трансформатора показана на рис. 1.141.

Рис. 1.41

Окно задания параметров:

Параметры блока:

Nominal power and frequency [Pn(VA) fn(Hz)]: [Номинальная полная мощность (ВА) и номинальная частота (Гц)].

Winding 1 parameters [V1(Vrms) R1(pu) L1(pu)]: [Параметры первой обмотки. Действующее значение напряжения обмотки (В), активное сопротивление (о.е.) и индуктивность рассеяния (о.е.) обмотки].

Winding 2 parameters: [Параметры второй обмотки. Действующее значение напряжения обмотки (В), активное сопротивление (о.е.) и индуктивность рассеяния (о.е.) обмотки].

Three windings transformer: [Трехобмоточный трансформатор]. При установленном флажке трансформатор имеет две вторичные обмотки, если флажок снят, то одну.

Winding 3 parameters: [Параметры третьей обмотки. Действующее значение напряжения обмотки (В), активное сопротивление (о.е.) и индуктивность рассеяния (о.е.) обмотки].

Magnetization resistance and reactance [Rm(pu) Lm(pu)]: [Сопротивление цепи намагничивания (о.е.) и индуктивность цепи намагничивания (о.е.)].

Measurements:

[Измеряемые переменные]. Значения параметра выбираются из списка:

 Winding voltages - напряжения обмоток,

 Winding currents - токи обмоток,

 Magnetization current - ток намагничивания,

 All voltages and currents - все напряжения и токи.

Активные сопротивления и индуктивности обмоток, а также цепи намагничивания задаются в относительных единицах. Для каждой обмотки относительные значения сопротивления и индуктивности вычисляются по выражениям:

,
,

где

R* и L* - относительные значения сопротивления и индуктивности,

R и L - абсолютные значения сопротивления и индуктивности,

- базисное сопротивление

- базисная индуктивность

Uн - номинальное напряжение обмотки,

fн - номинальная частота.

Рассчитанные относительные параметры обмоток оказываются одинаковыми.

Параметры цепи намагничивания можно найти, используя величину тока намагничивания, задаваемую в % относительно номинального тока. Так, например, при величине тока намагничивания равном 2%, сопротивление и индуктивность цепи намагничивания будут равны 1/(0.2 100) = 500 о.е.

Пример:

На рис. 1.42 показана схема, показана схема, в которой двухобмоточный линейный трансформатор используется для питания акивной нагрузки.

Скачать пример (Linear_Transformer_1_Phase.zip)

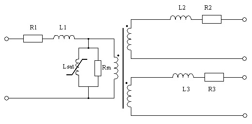
Saturable Transformer Нелинейный трансформатор

Пиктограмма:

Назначение:

Моделирует трех или двух обмоточный однофазный трансформатор. В модели учитывается нелинейность характеристики намагничивания материала сердечника. Схема замещения трансформатора показана на рис. 1.143.

Рис. 1.43

В модели сопротивление цепи намагничивания Rm учитывает активные потери в сердечнике. Нелинейная индуктивность Lsat учитывает насыщение сердечника трансформатора.

Нелинейная характеристика в модели задается как кусочно-линейная зависимость между магнитным потоком сердечника и током намагничивания (рис. 1.44 а). В модели имеется возможность задать остаточный магнитный поток в сердечнике. В этом случае вторая точка нелинейной характеристики должна соответствовать нулевому току (рис. 1.44 б).

Рис. 1.44

Окно задания параметров:

Параметры блока:

Nominal power and frequency [Pn(VA) fn(Hz)]:

[Номинальная пол



<== предыдущая лекция | следующая лекция ==>
Measurements - измерительные и контрольные устройства | Power Electronics - элементы силовой электроники


Карта сайта Карта сайта укр


Уроки php mysql Программирование

Онлайн система счисления Калькулятор онлайн обычный Инженерный калькулятор онлайн Замена русских букв на английские для вебмастеров Замена русских букв на английские

Аппаратное и программное обеспечение Графика и компьютерная сфера Интегрированная геоинформационная система Интернет Компьютер Комплектующие компьютера Лекции Методы и средства измерений неэлектрических величин Обслуживание компьютерных и периферийных устройств Операционные системы Параллельное программирование Проектирование электронных средств Периферийные устройства Полезные ресурсы для программистов Программы для программистов Статьи для программистов Cтруктура и организация данных


 


Не нашли то, что искали? Google вам в помощь!

 
 

© life-prog.ru При использовании материалов прямая ссылка на сайт обязательна.

Генерация страницы за: 0.152 сек.