Исследование JK-триггера.
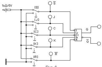
а). Соберите схему, изображенною на рис. Включите схему. Убедитесь в том, что:
при R=1, S=0 триггер устанавливается в Q=1 независимо от состояния остальных входов;
при R=0, S=1 триггер устанавливается в Q=0 независимо от состояния остальных входов.
Укажите, какому RS-триггеру соответствует таблица состояний JK-триггера для RS-входов.
б) Установите S=R=1 и составьте таблицу состояний для входов J, K и С.
Указание: начальное состояние триггера Q=1 установить кратковременной подачей сигнала S=0 и сигнала R = 0 для получения Q=0. Переход триггера в состояние, определяемом входами J и K происходит только по отрицательному фронту импульса на счетном входе С, сформированном соответствующим ключом.
в) Составьте и зарисуйте временные диаграммы работы триггера для всех возможных комбинаций Q, J, K.

Исследование JK-триггера в счетном режиме.
а) Соберите схему, изображенную на рис. Включите схему. Изменяя состояние входа [С] соответствующим ключом, зарисуйте диаграммы работы триггера в счетном режиме.
