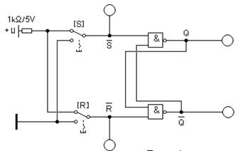
Исследование RS-триггера на элементах И-НЕ.
а) Соберите в программе Electonics WorkBench схему, изображенною на рис. Включите схему. Последовательно подайте на схему следующие сигналы:
S=1, R=0;
S=1, R=1;
S=0, R=1;
S=1, R=1;
S=0, R=0.

Убедитесь в том, что:
при S=1, R=0 триггер устанавливается в состояние, при котором выход Q=0;
при переходе к S=К=1 триггер сохраняет прежнее значение выхода Q=0;
при S=0, R=1, триггер устанавливается в состояние, при котором Q=1;
при переходе к S=1, R=1 прежнее значение выхода Q=1 сохраняется.
б) По результатам эксперимента необходимо заполнить таблицу состояний.
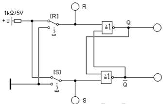
Исследование RS-триггера на элементах ИЛИ-НЕ.
а) Соберите схему, изображенною на рис. Включите схему.

Последовательно подайте на схему следующие сигналы:
S=0, R=1;
S=0, R=0;
S=1, R=0;
S=0, R=0;
S=1, R=1.
Убедитесь в том, что:
при S=0, R=1 триггер устанавливается в состояние Q=0;
при переходе к S=0, R=0 триггер сохраняет прежнее состояние выхода (Q=0);
при S=1, R=0 триггер устанавливается в состояние Q=1;
при переходе к S=0, R=0 триггер сохраняет прежнее состояние выхода Q=1.
б) По результатам эксперимента необходимо заполнить таблицу состояний.