русс | укр

Языки программирования

ПаскальСиАссемблерJavaMatlabPhpHtmlJavaScriptCSSC#DelphiТурбо Пролог

Компьютерные сетиСистемное программное обеспечениеИнформационные технологииПрограммирование

Все о программировании


Linux Unix Алгоритмические языки Аналоговые и гибридные вычислительные устройства Архитектура микроконтроллеров Введение в разработку распределенных информационных систем Введение в численные методы Дискретная математика Информационное обслуживание пользователей Информация и моделирование в управлении производством Компьютерная графика Математическое и компьютерное моделирование Моделирование Нейрокомпьютеры Проектирование программ диагностики компьютерных систем и сетей Проектирование системных программ Системы счисления Теория статистики Теория оптимизации Уроки AutoCAD 3D Уроки базы данных Access Уроки Orcad Цифровые автоматы Шпаргалки по компьютеру Шпаргалки по программированию Экспертные системы Элементы теории информации

Протокол прерывания в МПИ


Дата добавления: 2014-11-27; просмотров: 896; Нарушение авторских прав


 

устройство, готовое прервать процессор, устанавливает сигнал /ЗПР4;

процессор в каждом рабочем цикле анализирует состояние линии /ЗПР4.

ближайшее по линии /ПРР4 устройство, имеющее наивысший приоритет из запросивших, при получении сигнала /ПРРП блокирует его дальнейшее распространение, сбрасывает сигнал /ЗПР4, устанавливает сигнал /ОТВ и адрес вектора прерывания на линиях АД;

– процессор читает адрес вектора прерывания с линий АД, сбрасывает сигналы /ДЧТ и /ПРР4 и приступает к обслуживанию прерывания;

– устройство, запросившее прерывание, снимает адрес вектора прерывания с линий АД и сбрасывает сигнал /ОТВ.

 

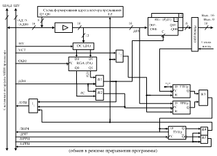
25. Пример схемы организации обмена в режиме прерывания в МПИ

 

На рис. приведена схема модуля, иллюстрирующего организацию одноуровневого прерывания. Модуль предназначен для вывода информации на периферийное устройство по его готовности. В модуле имеется два адресуемых регистра: регистр данных (РД) и регистр состояния (РС). В состав регистра состояния входят триггер требования прерывания (ТТПр), триггер разрешения прерывания (ТРПр), триггер управления прерыванием (ТУПр). Триггер ТРПр предназначен для программного управления прерыванием. Если триггер ТРПр не установлен, то запрос прерывания от периферийного устройства через схему &3 не пройдёт. Прерывание от данного устройства запрещено.

 



<== предыдущая лекция | следующая лекция ==>
Организация обмена в режиме прерывания МПИ | Протокол режима передачи управления


Карта сайта Карта сайта укр


Уроки php mysql Программирование

Онлайн система счисления Калькулятор онлайн обычный Инженерный калькулятор онлайн Замена русских букв на английские для вебмастеров Замена русских букв на английские

Аппаратное и программное обеспечение Графика и компьютерная сфера Интегрированная геоинформационная система Интернет Компьютер Комплектующие компьютера Лекции Методы и средства измерений неэлектрических величин Обслуживание компьютерных и периферийных устройств Операционные системы Параллельное программирование Проектирование электронных средств Периферийные устройства Полезные ресурсы для программистов Программы для программистов Статьи для программистов Cтруктура и организация данных


 


Не нашли то, что искали? Google вам в помощь!

 
 

© life-prog.ru При использовании материалов прямая ссылка на сайт обязательна.

Генерация страницы за: 0.572 сек.