
Рис.1. Формирователи на основе ЛЭ "исключающее ИЛИ".
Рис.2. Выделение одиночного импульса из последовательности:
а - схема устройства;
б - временная диаграмма.

Рис.3. Одновибратор на МОП-триггере.

Рис.4. Одновибратор на ТТЛ-триггере.

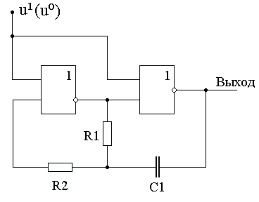
Рис.5. Мультивибратор на ТТЛ-элементах.

Рис.6. Мультивибратор на МОП-элементах.