русс | укр

Языки программирования

ПаскальСиАссемблерJavaMatlabPhpHtmlJavaScriptCSSC#DelphiТурбо Пролог

Компьютерные сетиСистемное программное обеспечениеИнформационные технологииПрограммирование

Все о программировании


Linux Unix Алгоритмические языки Аналоговые и гибридные вычислительные устройства Архитектура микроконтроллеров Введение в разработку распределенных информационных систем Введение в численные методы Дискретная математика Информационное обслуживание пользователей Информация и моделирование в управлении производством Компьютерная графика Математическое и компьютерное моделирование Моделирование Нейрокомпьютеры Проектирование программ диагностики компьютерных систем и сетей Проектирование системных программ Системы счисления Теория статистики Теория оптимизации Уроки AutoCAD 3D Уроки базы данных Access Уроки Orcad Цифровые автоматы Шпаргалки по компьютеру Шпаргалки по программированию Экспертные системы Элементы теории информации

Лекция 5 ТЭЦ


Дата добавления: 2014-11-20; просмотров: 748; Нарушение авторских прав


 

Параллельное соединение ветвей следует заменить одной эквивалентной ветвью.

 

 

Реальный источник тока следует заменить на эквивалентный источник напряжения .

При наличии в схеме идеального источника тока контурные токи выбираются так. чтобы один из них совпал с задающим током источника.

 

Для кон­тура с источником тока уравнение записывается в виде: Ikk = J.

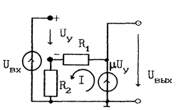
4. Если в схеме есть управляемые источники, то первоначаль­но уравнения составляются как обычно для независимых источников. Затем управляющие токи, или напряжения выражаются через контурные токи. Новые уравнения добавляются к исходным.

       
   
 

5. Пример использования:

 
 
 
 


Лекция 5 ТЭЦ

5.1. Метод узловых напряжений

1.

Узловыми называют напряжения всех узлов, отсчитанные относительно особого узла, условно соединенного с землей и называемого базисным.

 

2.

Напряжения ветвей всегда можно выразить через узловые напряжения.

 

 

 
 

3. Узловое уравнение - особая форма записи первого закона Кирхгофа: алгебраическая сумма токов, создаваемых каждым из узловых напряжений в отдельности равна алгебраической сумме задающих токов при соответствующем узле.

       
 
   


 

Узловое напряжение jk вызывает токи, текущие от узла.

4. Метод узловых напряжений - метод, основанный на использовании узловых уравнений. Этапы метода:

а) Нумерация узлов;

б) Составление системы узловых уравнений в стандартной форме;

в) Нахождение узловых напряжений (из системы уравнений);

г) Нахождение напряжений и токов всех ветвей.

5. Пример расчета:

а) согласно рисунку;



б)

в)

г)

- определитель системы, - алгебраические дополнения



<== предыдущая лекция | следующая лекция ==>
Особенности метода контурных токов | Особенности метода узловых напряжений


Карта сайта Карта сайта укр


Уроки php mysql Программирование

Онлайн система счисления Калькулятор онлайн обычный Инженерный калькулятор онлайн Замена русских букв на английские для вебмастеров Замена русских букв на английские

Аппаратное и программное обеспечение Графика и компьютерная сфера Интегрированная геоинформационная система Интернет Компьютер Комплектующие компьютера Лекции Методы и средства измерений неэлектрических величин Обслуживание компьютерных и периферийных устройств Операционные системы Параллельное программирование Проектирование электронных средств Периферийные устройства Полезные ресурсы для программистов Программы для программистов Статьи для программистов Cтруктура и организация данных


 


Не нашли то, что искали? Google вам в помощь!

 
 

© life-prog.ru При использовании материалов прямая ссылка на сайт обязательна.

Генерация страницы за: 0.063 сек.