Если поменять местоположение диода и резистора в самой простой схеме, то получиться экспоненциальный преобразователь.



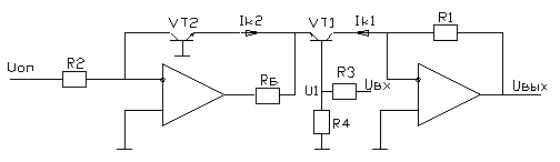
Недостаток: выходное напряжение зависит от теплового тока обратно смещенного потенциала
. Чтобы избавиться от этого используют дифференциальное включение транзисторов.









Достоинство схемы: при использовании согласованных транзисторов схема не зависит от тока обратно смещенного р-n перехода, а зависит только от
.